电脑桌面
添加小米粒文库到电脑桌面
安装后可以在桌面快捷访问

关于.五图一表内容VIP专享

关于.五图一表内容_第1页
1/9
关于.五图一表内容_第2页
2/9
关于.五图一表内容_第3页
3/9
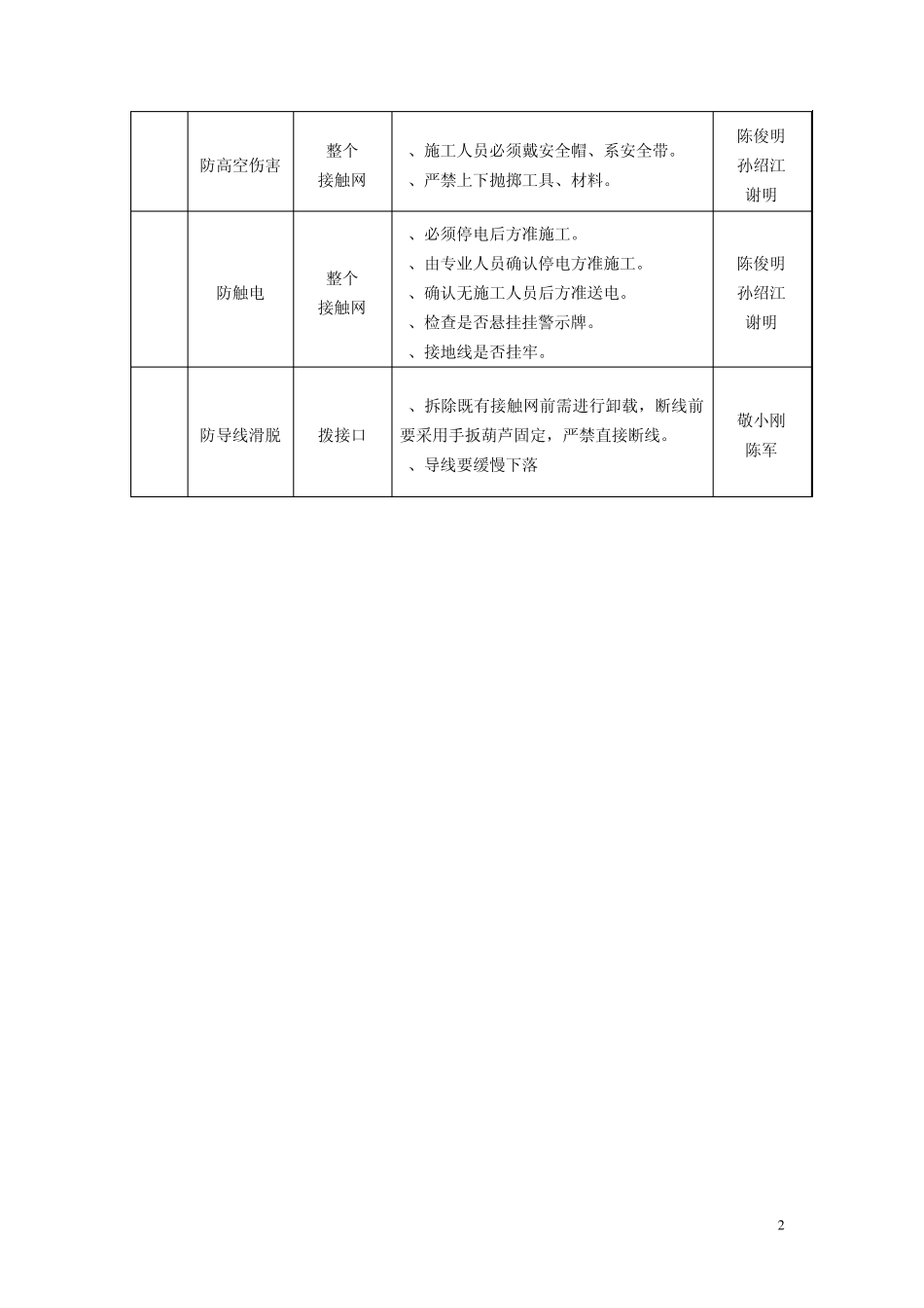
1 关于“五图一表” 内容 1、施工方案示意图 :(根据各专业施工内容,布置施工方案平面图) 2、施工作业流程计划图:(根椐施工作业面,人员布置、施工负责人、技术负责人、材料、工具、通信联络) 3、施工防护示意图;(根据施工现场平面图、按照《技规》布 置现场防护人员的位置和防护标志) 4、电气化施工停电示意图 5、夜间施工照明布置图 6、安全关键卡控表 接触网施工安全重点卡控表 序号 卡控重点 卡控部位 防护措施 卡控 责任人 1 防人身机车 车辆伤害 拨接点 1、严格按照《防机车车辆伤害安全措施》及《安全防护用语及规定》施工。 2、驻站联络员提 50分钟进入行车室进行防护。在运营线施工必须配带齐安全防护用品。 3、室外作业人员到达施工地点及时通知室内驻站联络员,要求防护。驻站联络员随时通报列车运行情况。 敬小刚 陈军 2 防料具侵限 拨接点 1、检查线路上的施工材料任何时候不得侵入邻线,施工完毕后对拆除的既有设施进行检查,不得侵入邻线。 敬小刚 陈军 3 防人身 意外伤害 拨接点 1. 无特殊原因,参加要点施工的所有人员,必须按规定戴高压感应安全帽。 2、梯车在线路上必须慢慢慢推行。 陈俊明 孙绍江 谢明 2 4 防高空伤害 整个 接触网 1、施工人员必须戴安全帽、系安全带。 2、严禁上下抛掷工具、材料。 陈俊明 孙绍江 谢明 5 防触电 整个 接触网 1、必须停电后方准施工。 2、由专业人员确认停电方准施工。 3、确认无施工人员后方准送电。 4、检查是否悬挂挂警示牌。 5、接地线是否挂牢。 陈俊明 孙绍江 谢明 6 防导线滑脱 拨接口 1、拆除既有接触网前需进行卸载,断线前要采用手扳葫芦固定,严禁直接断线。 2、导线要缓慢下落 敬小刚 陈军 3 高密—昌邑区间 K99+000—K101+200拨接施工线路封锁施工防护方案 20 20 20 20 20 20 20 施工 地点 移动停车信号牌(灯) 响墩 响墩 800 800 说明:1、本图为施工现场封锁上下线安全防护示意图,长度以米计。 2、现场安全防护人员站在距施工地点的第一个响墩 20m 处,且在瞭望条件较好的地点显示停车手信号。 3、防护员与驻站联络员、施工现场指挥必须保持畅通的联系。 20 郭瑞明 K98+200 陈明君 K99+000 宋吉军 K102+000 幸前立 101+200 移动停车信号牌(灯) 23 4 高密—昌邑区间 K90+300—K91+300拨接施工线路封锁施工防护方案 20 20 20 20 20 20 2...

1、当您付费下载文档后,您只拥有了使用权限,并不意味着购买了版权,文档只能用于自身使用,不得用于其他商业用途(如 [转卖]进行直接盈利或[编辑后售卖]进行间接盈利)。
2、本站所有内容均由合作方或网友上传,本站不对文档的完整性、权威性及其观点立场正确性做任何保证或承诺!文档内容仅供研究参考,付费前请自行鉴别。
3、如文档内容存在违规,或者侵犯商业秘密、侵犯著作权等,请点击“违规举报”。

碎片内容

关于.五图一表内容

小辰2+ 关注
实名认证
内容提供者

出售各种资料和文档

确认删除?
VIP
微信客服
  • 扫码咨询
会员Q群
  • 会员专属群点击这里加入QQ群
客服邮箱
回到顶部