电脑桌面
添加小米粒文库到电脑桌面
安装后可以在桌面快捷访问

建筑施工重大危险因素清单

建筑施工重大危险因素清单_第1页
1/7
建筑施工重大危险因素清单_第2页
2/7
建筑施工重大危险因素清单_第3页
3/7
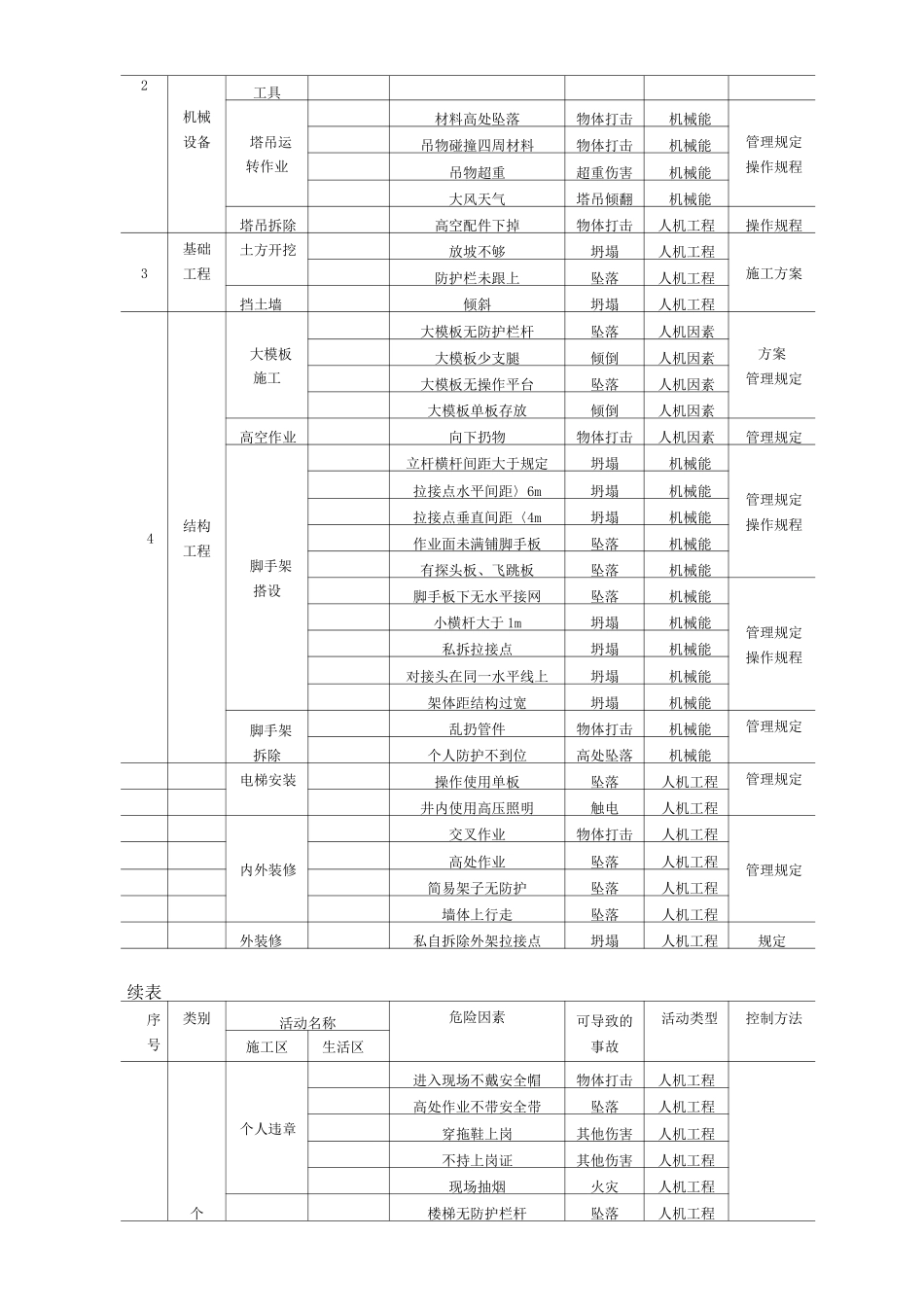
建筑施工重大危险因素清单序号类别活动名称危险因素可导致的事故活动类型控制方法施工区生活区1临时用电施工用电漏电跳闸不灵敏触电电能方案电机缺相触电电能操作规程线路破损火灾电能导线连接不好火灾电能接线柱接不实火灾电能开关触点接触不良火灾电能照明照明私自接线触电电能规程碘钨使用位置不当火灾电能管理规定取暖使用电炉火灾电能降水电缆拖水、有积水触电电能管理规定电梯安装使用高压照明触电电能2机械设备电气设备使用裸线外露触电电能管理规定打夯机电能触电电能电焊机用电双线老化触电电能规定双线不到位触电电能操作规程二次线超长触电电能不使用防触电保护器触电电能电锯未安分料器、安全档机械伤害机械能规定切割机切割片松动机械能规程切割短料人机因素规程卷扬机安装不规范机械能方案制动器失灵机械能操作规程钢丝绳排列不整齐机械能作业中停电其他伤害机械能电动机具使用花线触电电能管理规定使用一类工具触电电能搅拌机作业制动器失灵机械伤害机械能操作规程人员进筒清洗人身伤害机械能场地堆积触电电能料斗升起机械伤害机械能车辆使用车辆进出倒车撞人机械能操作规程司机疲劳驾驶人身伤害机械能机动车驾驶酒后非司机驾驶机械伤害机械能操作规程钢筋加工机械有故障机械伤害机械能续表序号类别活动名称危险因素可导致的事故活动类型控制方法施工区生活区手持电动使用不规范触电机械能管理规定2机械设备工具塔吊运转作业材料高处坠落物体打击机械能管理规定操作规程吊物碰撞四周材料物体打击机械能吊物超重超重伤害机械能大风天气塔吊倾翻机械能塔吊拆除高空配件下掉物体打击人机工程操作规程3基础工程土方开挖放坡不够坍塌人机工程施工方案防护栏未跟上坠落人机工程挡土墙倾斜坍塌人机工程4结构工程大模板施工大模板无防护栏杆坠落人机因素方案管理规定大模板少支腿倾倒人机因素大模板无操作平台坠落人机因素大模板单板存放倾倒人机因素高空作业向下扔物物体打击人机因素管理规定脚手架搭设立杆横杆间距大于规定坍塌机械能管理规定操作规程拉接点水平间距〉6m坍塌机械能拉接点垂直间距〈4m坍塌机械能作业面未满铺脚手板坠落机械能有探头板、飞跳板坠落机械能脚手板下无水平接网坠落机械能管理规定操作规程小横杆大于 1m坍塌机械能私拆拉接点坍塌机械能对接头在同一水平线上坍塌机械能架体距结构过宽坍塌机械能脚手架拆除乱扔管件物体打击机械能管理规定个人防护不到位高处坠落机械能电梯安装操作使用单板坠落人机工程管理规定...

1、当您付费下载文档后,您只拥有了使用权限,并不意味着购买了版权,文档只能用于自身使用,不得用于其他商业用途(如 [转卖]进行直接盈利或[编辑后售卖]进行间接盈利)。
2、本站所有内容均由合作方或网友上传,本站不对文档的完整性、权威性及其观点立场正确性做任何保证或承诺!文档内容仅供研究参考,付费前请自行鉴别。
3、如文档内容存在违规,或者侵犯商业秘密、侵犯著作权等,请点击“违规举报”。

碎片内容

建筑施工重大危险因素清单

确认删除?
VIP
微信客服
  • 扫码咨询
会员Q群
  • 会员专属群点击这里加入QQ群
客服邮箱
回到顶部