电脑桌面
添加小米粒文库到电脑桌面
安装后可以在桌面快捷访问

CA车床手柄座加工工艺及夹具设计工艺卡片

CA车床手柄座加工工艺及夹具设计工艺卡片_第1页
1/6
CA车床手柄座加工工艺及夹具设计工艺卡片_第2页
2/6
CA车床手柄座加工工艺及夹具设计工艺卡片_第3页
3/6
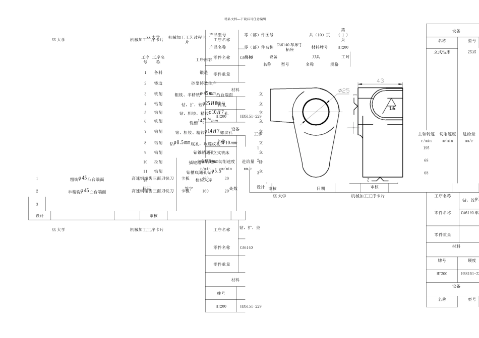
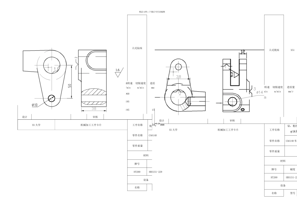
精品文档---下载后可任意编辑机械加工工艺规程卡片精品文档---下载后可任意编辑XX 大学机械加工工序卡片工序名称零件名称CA6140零件重量材料牌号HT200HBS151-229设备名称立式铣床主轴转速切削速度进给量r/minm/minmm/r1粗铣φ 45凸台端面高速钢镶齿三面刃铣刀卡板160202半精铣φ 45凸台端面高速钢镶齿三面刃铣刀卡板160203设计审核XX 大学机械加工工序卡片工序名称钻,扩,绞零件名称CA6140零件重量材料牌号HT200HBS151-229设备名称型号立式钻床Z535工步安装及工步说明刀具量具主轴转速切削速度进给量r/minm/minmm/r1钻孔φ23mm高速钢锥柄标准麻花钻卡尺1952扩孔φ24.800+0.084mm高速钢锥柄扩孔钻卡尺683铰φ25 H 8孔高速钢锥柄机用铰刀卡尺68设计审核XX 大学机械加工工序卡片工序名称钻,绞φ10 H 7零件名称CA6140 车床手柄座零件重量材料牌号硬度HT200HBS151-229设备名称型号XX 大学机械加工工艺过程卡片产品型号零(部)件图号共(10)页第( 1 )页产品名称零(部)件名称 CA6140 车床手柄座材料牌号HT200工序号工序名称工序内容车间设备刀具工时名称型号名称规格1备料锻造2铸造砂型铸造生产3铣削粗铣、半精铣φ 45mm凸台端面立式铣床X51高速钢镶齿三面刃铣刀4钻削钻,扩,铰φ25 H 8内孔立式钻床Z535高速钢锥柄标准麻花钻5钻削钻,粗铰,精铰φ10 H 7孔立式钻床Z525高速钢锥柄麻花钻6铣削铣槽140+0.24mm立式铣床X51选用高速钢粗齿盘状铣刀7钻削钻、粗铰、精铰φ14 H 7螺纹孔立式钻床Z525高速钢锥柄麻花钻8钻削钻φ8.5mm底孔,攻螺纹孔M 10mm立式钻床Z525高速钢锥柄麻花钻9钻削钻锥销通孔立式钻床Z525高速钢麻花钻10拉削插键槽6 H 9mm卧式插床11钻削钻槽底通孔钻φ5.5立式钻床Z525高速钢锥柄麻花钻18检验入库标记签字处数审核日期精品文档---下载后可任意编辑立式钻床工步安装及工步说明刀具量具主轴转速切削速度进给量r/minm/minmm/r1钻φ9.8mm孔高速钢锥柄麻花钻卡尺9602粗铰φ9.96mm 孔高速钢锥柄机用铰刀卡尺1953精铰φ10mm 孔高速钢锥柄机用铰刀卡尺195156设计审核XX 大学机械加工工序卡片工序名称铣140+0.24mm零件名称CA6140零件重量材料牌号HT200HBS151-229设备名称立式铣床X51工步安装及工步说明刀具量具主轴转速切削速度进给量r/minm/minmm/r1铣140+0.24mm的槽高速钢粗齿盘状铣刀卡板37523设计审核XX 大学机械加工工序卡片工序名称钻,粗绞,精绞φ14 H 7零件名称CA6140 车床手柄座零件重量材料牌号硬...

1、当您付费下载文档后,您只拥有了使用权限,并不意味着购买了版权,文档只能用于自身使用,不得用于其他商业用途(如 [转卖]进行直接盈利或[编辑后售卖]进行间接盈利)。
2、本站所有内容均由合作方或网友上传,本站不对文档的完整性、权威性及其观点立场正确性做任何保证或承诺!文档内容仅供研究参考,付费前请自行鉴别。
3、如文档内容存在违规,或者侵犯商业秘密、侵犯著作权等,请点击“违规举报”。

碎片内容

CA车床手柄座加工工艺及夹具设计工艺卡片

您可能关注的文档

确认删除?
VIP
微信客服
  • 扫码咨询
会员Q群
  • 会员专属群点击这里加入QQ群
客服邮箱
回到顶部