电脑桌面
添加小米粒文库到电脑桌面
安装后可以在桌面快捷访问

E系列scr电力控制器使用说明书

E系列scr电力控制器使用说明书_第1页
1/5
E系列scr电力控制器使用说明书_第2页
2/5
E系列scr电力控制器使用说明书_第3页
3/5
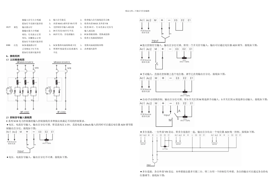
精品文档---下载后可任意编辑前言SCR 电力控制器(SCR POWER CONTROLLER),目前在工业中已被广泛应用于各种电力设备中,诸如窑炉、热处理炉、电气高温炉、高周波机械、电镀设备、印染设备、涂装设备、射出机、押出机等等,然而因为负载的不同,使用环境的限制,而又有各种不同的控制模式及各种追加配备,如相位控制(Phase Angle Control),分配式零位控制(Distributed Zero Crossover),时间比例零位控制(Time Proportional Zero Crossover)。基于此,本公司研制了 P/E 系列各种不同控制模式之电力控制器,以满足各用户的需要。P/E 系列 SCR 电力控制器,完全采纳 SCR POWER MODULE 密封的 IC 化电路板,使整个控制器简单轻便,以提高控制器的可靠度,当要使用本控制器时,请详读本说明,以了解各种控制器的结构、功能、接线方法。SCR 电力控制器有多种不同的叫法:如晶闸管电力控制器,可控硅电力调节器,可控硅电力调功器,功率控制器等,虽然叫法不同,但所指的都是同一种产品。本公司以 SCR 电力控制器来命名。1,原理简介SCR 电力控制器的基本原理是通过控制信号输入,去控制串在主回路中的 SCR(晶闸管)模块,改变主回路中电压的导通与关断,由此达到调节电压或功率的目的。控制器一般是由控制板加上主机(主回路)组成。SCR 电力控制器又可分为调压器和调功器。采纳相位控制模式的 SCR 电力控制器可叫做调压器,它可以方便地调节电压有效值,可用于电炉温度控制,灯光调节,异步电动机降压软启动和调压调速等,也可用做调节变压器一次侧电压,代替效率低下的调压变压器。采纳零位控制模式的 SCR 电力调节器可叫做调功器,也叫周波控制器。它对沟通电压的周波进行控制,通过控制负载电压的周波通断比来控制负载的功率,多用于大惯性的加热器负载。采纳这种控制,即实现了温度控制,又消除了相位控制时带来的高次谐波污染电网,不过控制精度有所降低。2,控制模式比较综观国内外 SCR 电力控制器产品,控制模式无非就是两种:相位控制和零位控制(分配式零位控制、时间比例零位控制)。三者之间的比较请看以下图表:相位控制:作用于每一个沟通正弦波,改变正弦波每个正半波和负半波的导通角来控制电压的大小,进而可以调节输出电压和功率的大小。零位控制:在设定的周期 Tc 内,Tc 通常为一秒,触发信号使主回路接通几个周波(几个完整的正弦波),再断开几个周波(几个完全的正弦波),改变晶闸...

1、当您付费下载文档后,您只拥有了使用权限,并不意味着购买了版权,文档只能用于自身使用,不得用于其他商业用途(如 [转卖]进行直接盈利或[编辑后售卖]进行间接盈利)。
2、本站所有内容均由合作方或网友上传,本站不对文档的完整性、权威性及其观点立场正确性做任何保证或承诺!文档内容仅供研究参考,付费前请自行鉴别。
3、如文档内容存在违规,或者侵犯商业秘密、侵犯著作权等,请点击“违规举报”。

碎片内容

E系列scr电力控制器使用说明书

您可能关注的文档

一二三四传媒+ 关注
实名认证
内容提供者

大量资料供您选择,没有合适的可以联系小二。

确认删除?
VIP
微信客服
  • 扫码咨询
会员Q群
  • 会员专属群点击这里加入QQ群
客服邮箱
回到顶部