电脑桌面
添加小米粒文库到电脑桌面
安装后可以在桌面快捷访问

FZNRD系列真空负荷开关及组合电器

FZNRD系列真空负荷开关及组合电器_第1页
1/4
FZNRD系列真空负荷开关及组合电器_第2页
2/4
FZNRD系列真空负荷开关及组合电器_第3页
3/4
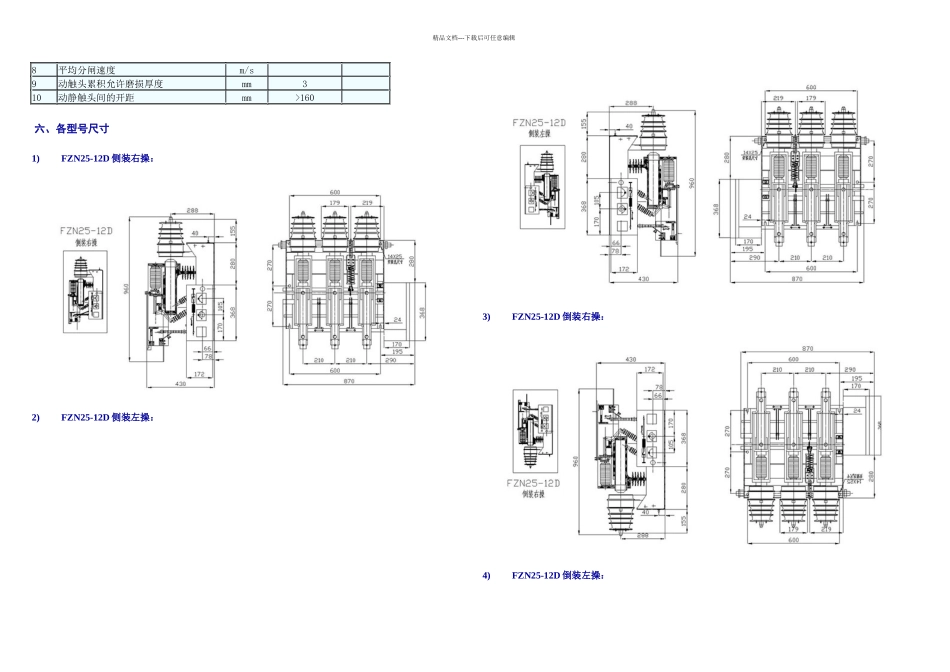
精品文档---下载后可任意编辑FZN25-12 系列真空负荷开关及组合电器,适用于三相沟通 50Hz。10kV 的配电系统中。具有无污染、无火灾及爆炸危险,能频繁操作等优点,可作为环网柜,箱式变电站或其它类型的开关柜的主元件,用于变器,电缆,架空线等电力设备的控制及保护,广泛用于工厂、住宅小区、高层建筑、学校、公园等配电系统中。二、适用范围FZN25-12D/负荷开关 FZN25-12D 组合电器主要用三相环网或终端供电的市区配电站和工业用电设备中,作负荷控制和短路保护之用。由于组合电器对变压器等电器设备的保护作用比用断路器更可靠,特别适用于环网,比幅射代电单元和箱式变电站。三、使用环境条件海拔高度不大于 1000M;环境温度:最高+40℃;最低-15℃;相对湿度:日平均不大于 95%,月平均不大于 90%;环境条件:无腐蚀性气体、可燃性气体、明显的水蒸汽,无常常性剧烈振动。四、结构特点负荷开关为框架结构,结构独特紧凑,集成了隔离开关、负荷开关、熔断器、接地开关为一体的高性能高压电器产品。隔离开关为直动式,运动方向与真空来弧室运动方向平行。开关分闸后具有明显隔断口有安全隔板,当接地开关合闸的同时,与接地开关联动的安全隔板自动将带电的静触头(母线室〉封闭,检修或更换熔断器绝对安全。隔离开关、负荷开关分合顺序有可靠的机械程序保证。合闸操作时,隔离开关先合闸后负荷开关才合闸。分闸操作时,负荷幵关先分闸后隔离开关才分闸。负荷开关与接地开关之间有机械联锁防止误操作。负荷开关附有门锁,可方便地将开关柜门与开关联锁,当柜门打开或柜门门锁未锁好时,负荷开关不能操作,当接地开关未合闸时,柜门不能打开。负荷开关为电动、手动两用,可实现远距离控制。五、真空负荷开关及其组合电器主要电气及机械参数表 1 负荷开关的技术参数序号名称单位数据负荷开关组合电器1额定电压kV122额定绝缘水平工频耐压时间、对地/隔离断口kV42/48雷地冲击需压相对,对地/隔离断口kV75/853额定电流A630/8001254额定有功负荷开断电流,额定闭环开断电流A630/8001255额定短时耐受电流(2S)kA206额定短路关合电流、额定峰值耐压电流kV507额定电缆充电开断电流A258额定开断空载变压器kVA1600 16009额定开断交接电流A- 200010熔断器额定短路开断电流kA11机械寿命次5000 500012全开断时间Ms不大于 10013过负载开断能力A5000表 2 负荷开关的技术参数序号名称单位数值备注1相间中心距mm210±32触头开距mm10±13接触行程mm...

1、当您付费下载文档后,您只拥有了使用权限,并不意味着购买了版权,文档只能用于自身使用,不得用于其他商业用途(如 [转卖]进行直接盈利或[编辑后售卖]进行间接盈利)。
2、本站所有内容均由合作方或网友上传,本站不对文档的完整性、权威性及其观点立场正确性做任何保证或承诺!文档内容仅供研究参考,付费前请自行鉴别。
3、如文档内容存在违规,或者侵犯商业秘密、侵犯著作权等,请点击“违规举报”。

碎片内容

FZNRD系列真空负荷开关及组合电器

您可能关注的文档

确认删除?
VIP
微信客服
  • 扫码咨询
会员Q群
  • 会员专属群点击这里加入QQ群
客服邮箱
回到顶部