电脑桌面
添加小米粒文库到电脑桌面
安装后可以在桌面快捷访问

单元工程报验申请表水利水电

单元工程报验申请表水利水电_第1页
1/11
单元工程报验申请表水利水电_第2页
2/11
单元工程报验申请表水利水电_第3页
3/11
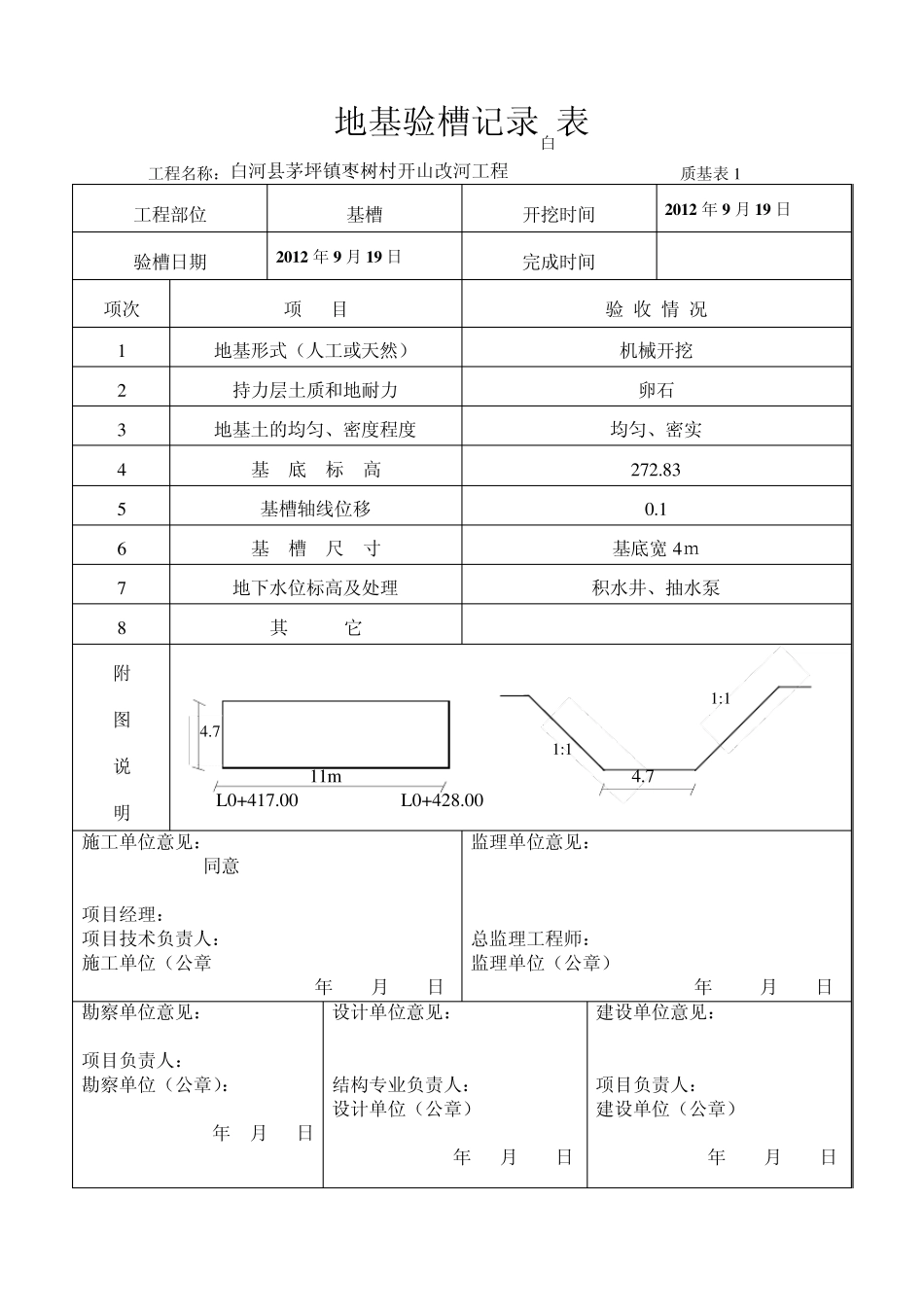
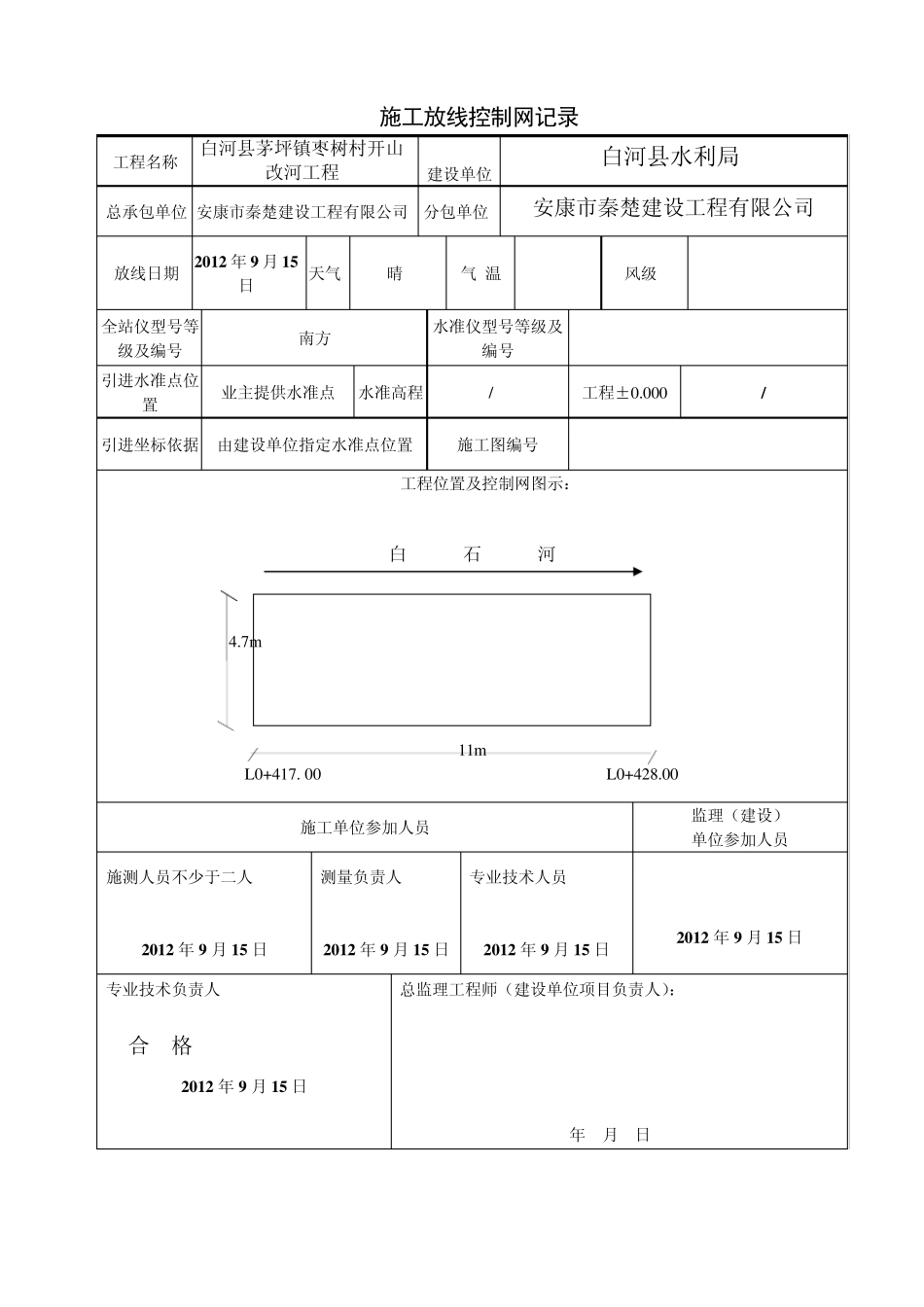
单元工程报验申请表 工程名称:白河县茅坪镇枣树村开山改河工程 编号: 工程地点 白河县茅坪镇枣树村 致: 陕西华源水利水电工程咨询公司 我单位已完成了 LO+417.00-L0+428.00报验申请表,请予以审查和验收。 附件: 1、施工放线记录表 2、基坑、基槽检查记录表 3、工程质量评定表 4、工程验收单 承建单位(章)安康市秦楚建设工程有限公司 项目负责人 侯得力 日 期 2012-9-19 审查意见: 项目监理机构 总/专业监理工程师 日 期 02.施工放线控制网记录 工程名称 白河县茅坪镇枣树村开山改河工程 建设单位 白河县水利局 总承包单位 安康市秦楚建设工程有限公司 分包单位 安康市秦楚建设工程有限公司 放线日期 2 0 1 2 年9 月1 5日 天气 晴 气 温 风级 全站仪型号等级及编号 南方 水准仪型号等级及编号 引进水准点位置 业主提供水准点 水准高程 / 工程±0.000 / 引进坐标依据 由建设单位指定水准点位置 施工图编号 工程位置及控制网图示: 白 石 河 11m L0+417. 00 L0+428.00 施工单位参加人员 监理(建设) 单位参加人员 施测人员不少于二人 2 0 1 2 年9 月1 5 日 测量负责人 2 0 1 2 年9 月1 5 日 专业技术人员 2 0 1 2 年9 月1 5 日 2 0 1 2 年9 月1 5 日 专业技术负责人 合 格 2 0 1 2 年9 月1 5 日 总监理工程师(建设单位项目负责人): 年 月 日 4.7m 1:1 1:1 地基验槽记录白表 工程名称:白河县茅坪镇枣树村开山改河工程 质基表1 工程部位 基槽 开挖时间 2 0 1 2 年9 月1 9 日 验槽日期 2 0 1 2 年9 月1 9 日 完成时间 项次 项 目 验 收 情 况 1 地基形式(人工或天然) 机械开挖 2 持力层土质和地耐力 卵石 3 地基土的均匀、密度程度 均匀、密实 4 基 底 标 高 272.83 5 基槽轴线位移 0.1 6 基 槽 尺 寸 基底宽 4m 7 地下水位标高及处理 积水井、抽水泵 8 其 它 附 图 说 明 11m 4.7 L0+417.00 L0+428.00 施工单位意见: 同意 项目经理: 项目技术负责人: 施工单位(公章 年 月 日 监理单位意见: 总监理工程师: 监理单位(公章) 年 月 日 勘察单位意见: 项目负责人: 勘察单位(公章): 年 月 日 设计单位意见: 结构专业负责人: 设计单位(公章) 年 月 日 建设单位意见: 项目负责人: 建设单位...

1、当您付费下载文档后,您只拥有了使用权限,并不意味着购买了版权,文档只能用于自身使用,不得用于其他商业用途(如 [转卖]进行直接盈利或[编辑后售卖]进行间接盈利)。
2、本站所有内容均由合作方或网友上传,本站不对文档的完整性、权威性及其观点立场正确性做任何保证或承诺!文档内容仅供研究参考,付费前请自行鉴别。
3、如文档内容存在违规,或者侵犯商业秘密、侵犯著作权等,请点击“违规举报”。

碎片内容

单元工程报验申请表水利水电

您可能关注的文档

小辰4+ 关注
实名认证
内容提供者

出售各种资料和文档

相关文档

确认删除?
VIP
微信客服
  • 扫码咨询
会员Q群
  • 会员专属群点击这里加入QQ群
客服邮箱
回到顶部