电脑桌面
添加小米粒文库到电脑桌面
安装后可以在桌面快捷访问

单向板的计算

单向板的计算_第1页
1/11
单向板的计算_第2页
2/11
单向板的计算_第3页
3/11
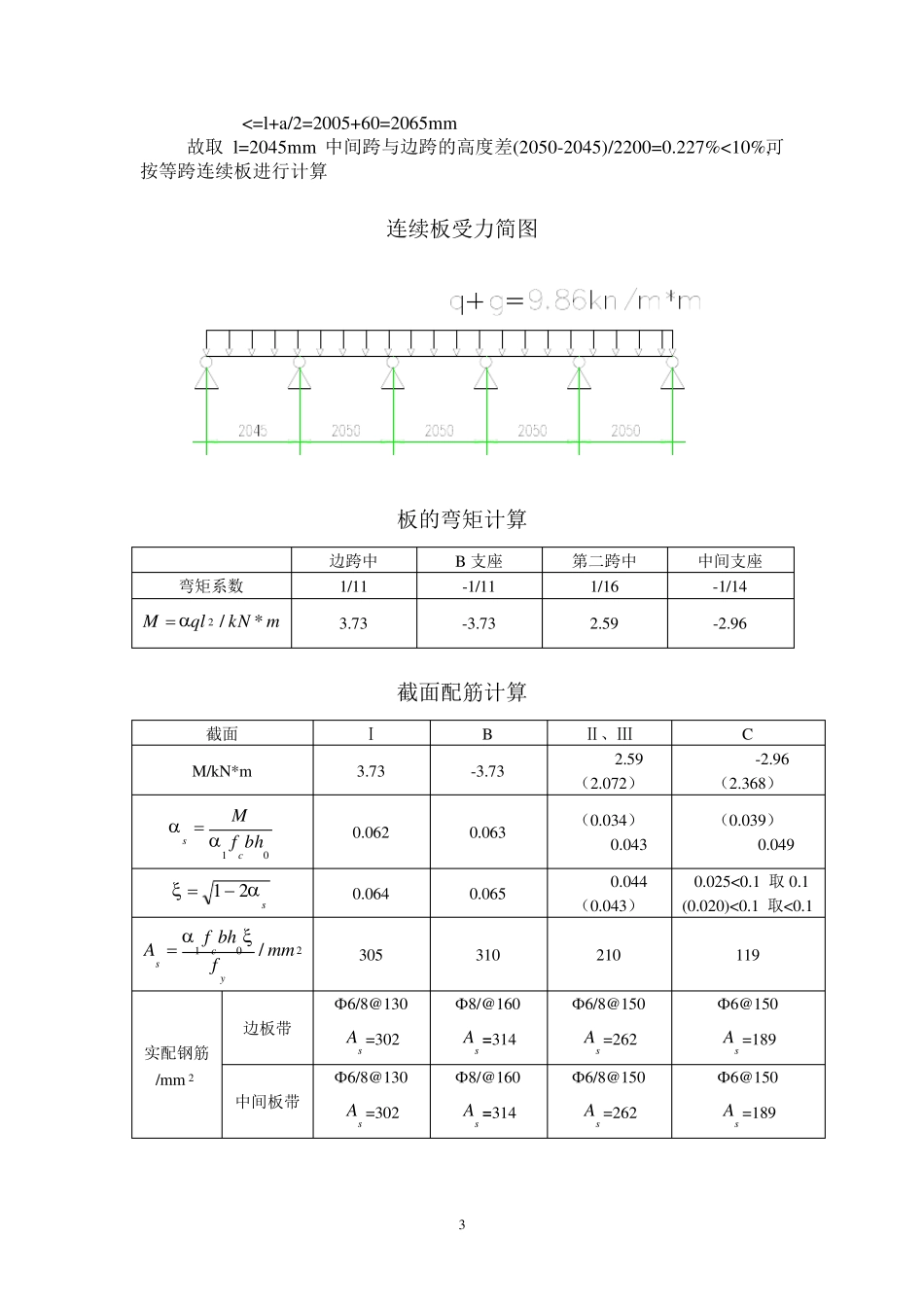
1 单向板肋梁楼盖的计算书 小组成员:纪昌建 陈安羽 李立斌 舒海鹏 姜庆涛 罗斌 时 间 :2 0 1 1 /1 2 /2 2 2 一、板计算 根据题意可得:混泥土为 C35 fc =19.1Kn/mm 2 ft=1.71 Kn/mm 2 板厚:0h >=80mm>=(1/40)L”=55mm bh 取 80mm 次梁:h=(1/12~1/18)L=(525~350) h 取 400mm b=(1/2~1/3)h=(200~133.3) b 取 150mm 主梁:h=(1/8~1/14)L=(825~471) h 取 600mm b=(1/2~1/3)h=(200~133mm) b 取 200mm 荷载计算 连续板的计算简图 80mm 钢筋混凝土:24*0.08=1.922/ mmkN 25mm水泥砂浆搅拌面:20*0.025=0.52/ mmkN 20mm厚混合砂浆拌灰:17*0.02=0.342/ mmkN 15mm厚混合砂浆抹灰:17*0.015=0.2552/ mmkN 活荷载:q=4.82/ mmkN 恒荷载:1.92+0.5+0.34+0.255=3.0152/ mmkN 1)由可变荷载控制的组合 q+g=(1.3*4.8+1.2*3.015)=9.862/ mmkN 2)由永久荷载控制的组合 q+g=(1.35*3.015+1.3*4.8*0.7)=8.442/ mmkN 荷载组合值取由可变荷载控制的较大值g+q=9.862/ mmkN 板的计算跨度 中间跨;l=l=2200-150=2050mm 边跨:l=l+h/2=(2200-75-120)+80/2=2045mm 3 <=l+a/2=2005+60=2065m m 故取l=2045m m中间跨与边跨的高度差(2050-2045)/2200=0.227%<10%,可按等跨连续板进行计算 连续板受力简图 板的弯矩计算 边跨中 B 支座 第二跨中 中间支座 弯矩系数 1/11 -1/11 1/16 -1/14 mkNqlM*/2 3.73 -3.73 2.59 -2.96 截面配筋计算 截面 Ⅰ B Ⅱ、Ⅲ C M/kN*m 3.73 -3.73 2.59 (2.072) -2.96 (2.368) 01bhfMcs  0.062 0.063 (0.034) 0.043 (0.039) 0.049 s21 0.064 0.065 0.044 (0.043) 0.025<0.1 取0.1 (0.020)<0.1 取<0.1 201/ mmfbhfAycs 305 310 210 119 实配钢筋 /m m2 边板带 Ф6/8@130 sA =302 Ф8/@160 sA = 314 Ф6/8@150 sA =262 Ф6@150 sA =189 中间板带 Ф6/8@130 sA =302 Ф8/@160 sA = 314 Ф6/8@150 sA =262 Ф6@150 sA =189 4 二、次梁计算 次梁计算简图 连续板传来的荷载 9.86KN/m 次梁自重 25*0.2*(0.4-0.08)=1.6KN/m 次梁粉刷 1.7*0.002*(0.4-0.08)*2=0.2176KN/m 恒荷载标准值 11.68KN/m 活荷载标准值 4.8*2.2=10.56KN/m 可变荷载效应控制组合 g+q=1.2*11.68+1.3*10.08=27.12KN/m 永久荷载效应控制组合 g+q=1.35*11.68+0...

1、当您付费下载文档后,您只拥有了使用权限,并不意味着购买了版权,文档只能用于自身使用,不得用于其他商业用途(如 [转卖]进行直接盈利或[编辑后售卖]进行间接盈利)。
2、本站所有内容均由合作方或网友上传,本站不对文档的完整性、权威性及其观点立场正确性做任何保证或承诺!文档内容仅供研究参考,付费前请自行鉴别。
3、如文档内容存在违规,或者侵犯商业秘密、侵犯著作权等,请点击“违规举报”。

碎片内容

单向板的计算

小辰5+ 关注
实名认证
内容提供者

出售各种资料和文档

相关文档

相关标签

确认删除?
VIP
微信客服
  • 扫码咨询
会员Q群
  • 会员专属群点击这里加入QQ群
客服邮箱
回到顶部