电脑桌面
添加小米粒文库到电脑桌面
安装后可以在桌面快捷访问

单回路控制系统实验(过程控制实验指导书)

单回路控制系统实验(过程控制实验指导书)_第1页
1/7
单回路控制系统实验(过程控制实验指导书)_第2页
2/7
单回路控制系统实验(过程控制实验指导书)_第3页
3/7
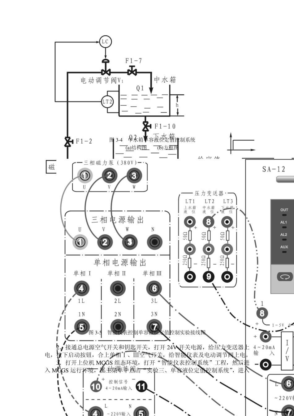
单回路控制系统实验 单回路控制系统概述 实验三 单容水箱液位定值控制实验 实验四 双容水箱液位定值控制实验 实验五 锅炉内胆静(动)态水温定值控制实验 实验三 实验项目名称:单容液位定值控制系统 实验项目性质:综合型实验 所属课程名称:过程控制系统 实验计划学时:2 学时 一、实验目的 1.了解单容液位定值控制系统的结构与组成。 2.掌握单容液位定值控制系统调节器参数的整定和投运方法。 3.研究调节器相关参数的变化对系统静、动态性能的影响。 4.了解 P、PI、PD 和 PID 四种调节器分别对液位控制的作用。 5.掌握同一控制系统采用不同控制方案的实现过程。 二、实验内容和(原理)要求 本实验系统结构图和方框图如图 3-4 所示。被控量为中水箱(也可采用上水箱或下水箱)的液位高度,实验要求中水箱的液位稳定在给定值。将压力传感器LT2 检测到的中水箱液位信号作为反馈信号, 在与给定量比较后的差值通过调节器控制电动调节阀的开度, 以达到控制中水箱液位的目的。 为了实现系统在阶跃给定和阶跃扰动作用下的无静差控制,系统的调节器应为PI 或 PID 控制。 三、实验主要仪器设备和材料 1.实验对象及控制屏、SA-11 挂件一个、计算机一台、万用表一个; 2.SA-12 挂件一个、RS485/232 转换器一个、通讯线一根; 3.SA-44 挂件一个、CP5611 专用网卡及网线、PC/PPI 通讯电缆一根。 四、实验方法、步骤及结果测试 本实验选择中水箱作为被控对象。实验之前先将储水箱中贮足水量,然后将阀门F1-1、F1-2、F1-7、F1-11 全开,将中水箱出水阀门F1-10 开至适当开度,其余阀门均关闭。 具体实验内容与步骤按二种方案分别叙述。 (一)、智能仪表控制 1.按照图 3-5 连接实验系统。将“LT2 中水箱液位”钮子开关拨到“ON”的位置。 图3-4 中水箱单容液位定值控制系统 (a)结构图 (b)方框图 图3-5 智能仪表控制单容液位定值控制实验接线图 2.接通总电源空气开关和钥匙开关,打开24V 开关电源,给压力变送器上电,按下启动按钮,合上单相Ⅰ、Ⅲ空气开关,给智能仪表及电动调节阀上电。 3.打开上位机MCGS 组态环境,打开“智能仪表控制系统”工程,然后进入 MCGS 运行环境,在主菜单中点击“实验三、单容液位定值控制系统”,进入实验三的监控界面。 4.①在上位机监控界面中把“设定值”设置为一个合适的值(从低位开始每次增加 3-4cm,水箱最高水位为 15cm)。 ②将“P...

1、当您付费下载文档后,您只拥有了使用权限,并不意味着购买了版权,文档只能用于自身使用,不得用于其他商业用途(如 [转卖]进行直接盈利或[编辑后售卖]进行间接盈利)。
2、本站所有内容均由合作方或网友上传,本站不对文档的完整性、权威性及其观点立场正确性做任何保证或承诺!文档内容仅供研究参考,付费前请自行鉴别。
3、如文档内容存在违规,或者侵犯商业秘密、侵犯著作权等,请点击“违规举报”。

碎片内容

单回路控制系统实验(过程控制实验指导书)

小辰8+ 关注
实名认证
内容提供者

出售各种资料和文档

确认删除?
VIP
微信客服
  • 扫码咨询
会员Q群
  • 会员专属群点击这里加入QQ群
客服邮箱
回到顶部