电脑桌面
添加小米粒文库到电脑桌面
安装后可以在桌面快捷访问

单片机应用技术与实训项目

单片机应用技术与实训项目_第1页
1/30
单片机应用技术与实训项目_第2页
2/30
单片机应用技术与实训项目_第3页
3/30
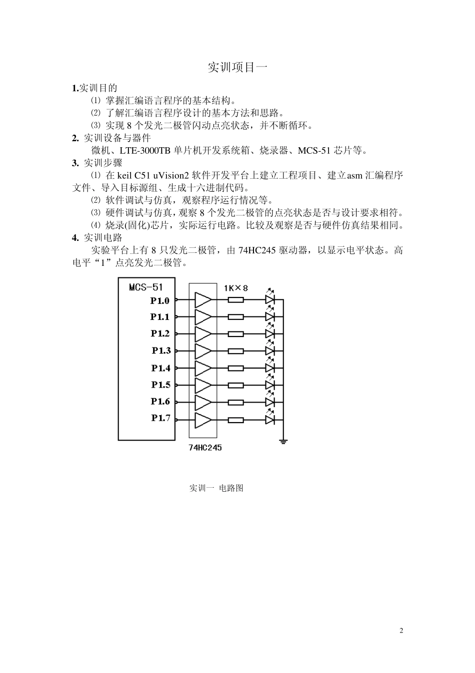
1 国家级骨干教师培训课程 单片机应用技术 实训项目 广东技术师范学院师培中心 电子与信息学院 韩 克 编写 2 实训项目一 1 .实训目的 ⑴ 掌握汇编语言程序的基本结构。 ⑵ 了解汇编语言程序设计的基本方法和思路。 ⑶ 实现8 个发光二极管闪动点亮状态,并不断循环。 2 . 实训设备与器件 微机、LTE-3000TB 单片机开发系统箱、烧录器、MCS-51 芯片等。 3 . 实训步骤 ⑴ 在keil C51 uVision2 软件开发平台上建立工程项目、建立asm 汇编程序文件、导入目标源组、生成十六进制代码。 ⑵ 软件调试与仿真,观察程序运行情况等。 ⑶ 硬件调试与仿真,观察8 个发光二极管的点亮状态是否与设计要求相符。 ⑷ 烧录(固化)芯片,实际运行电路。比较及观察是否与硬件仿真结果相同。 4 . 实训电路 实验平台上有8 只发光二极管,由74HC245 驱动器,以显示电平状态。高电平“1”点亮发光二极管。 实训一 电路图 3 5. 程序流程图 6. 程序清单 ORG 0000H START: MOV P1,#00H ACALL DELAY MOV P1,#0FFH ACALL DELAY AJMP START DELAY: MOV R3,#7FH DEL2: MOV R4,#0FFH DEL1: NOP DJNZ R4,DEL1 DJNZ R3,DEL2 RET END 开始 点亮8 个发光二极管 延 时 8 个发光二极管 结束 延 时 4 实训项目二 1 .实训目的 ⑴ 掌握汇编语言程序的基本结构。 ⑵ 了解汇编语言程序设计的基本方法和思路。 ⑶ 编程实现 P1 口连接的 8 个 LED 显示方式如下:从 P1.0 到 P1.7 的顺序, 依次点亮其连接的 LED,并不断循环。 2 . 实训设备与器件 微机、LTE-3000TB 单片机开发系统箱、烧录器、MCS-51 芯片等。 3 . 实训步骤 ⑴ 在 keil C51 uVision2 软件开发平台上建立工程项目、建立asm 汇编程序文件、导入目标源组、生成十六进制代码。 ⑵ 软件调试与仿真,观察程序运行情况等。 ⑶ 硬件调试与仿真,观察 8 个发光二极管的点亮状态是否与设计要求相符。 ⑷ 烧录(固化)芯片,实际运行电路。比较及观察是否与硬件仿真结果相同。 4 . 实训电路 实验平台上有8 只发光二极管,由74HC245 驱动器,以显示电平状态。高电平“1”点亮发光二极管。 实训二 电路图 5 5. 程序流程图 6. 程序清单 ORG 0000H START: MOV R2,#08H MOV A,#0FEH NEXT: MOV P1,A ACALL DELAY RL A DJNZ R2,NEXT SJMP START DELAY: MOV R3,#0FFH DE...

1、当您付费下载文档后,您只拥有了使用权限,并不意味着购买了版权,文档只能用于自身使用,不得用于其他商业用途(如 [转卖]进行直接盈利或[编辑后售卖]进行间接盈利)。
2、本站所有内容均由合作方或网友上传,本站不对文档的完整性、权威性及其观点立场正确性做任何保证或承诺!文档内容仅供研究参考,付费前请自行鉴别。
3、如文档内容存在违规,或者侵犯商业秘密、侵犯著作权等,请点击“违规举报”。

碎片内容

单片机应用技术与实训项目

确认删除?
VIP
微信客服
  • 扫码咨询
会员Q群
  • 会员专属群点击这里加入QQ群
客服邮箱
回到顶部