电脑桌面
添加小米粒文库到电脑桌面
安装后可以在桌面快捷访问

单相半波可控整流电路实验报告

单相半波可控整流电路实验报告_第1页
1/12
单相半波可控整流电路实验报告_第2页
2/12
单相半波可控整流电路实验报告_第3页
3/12
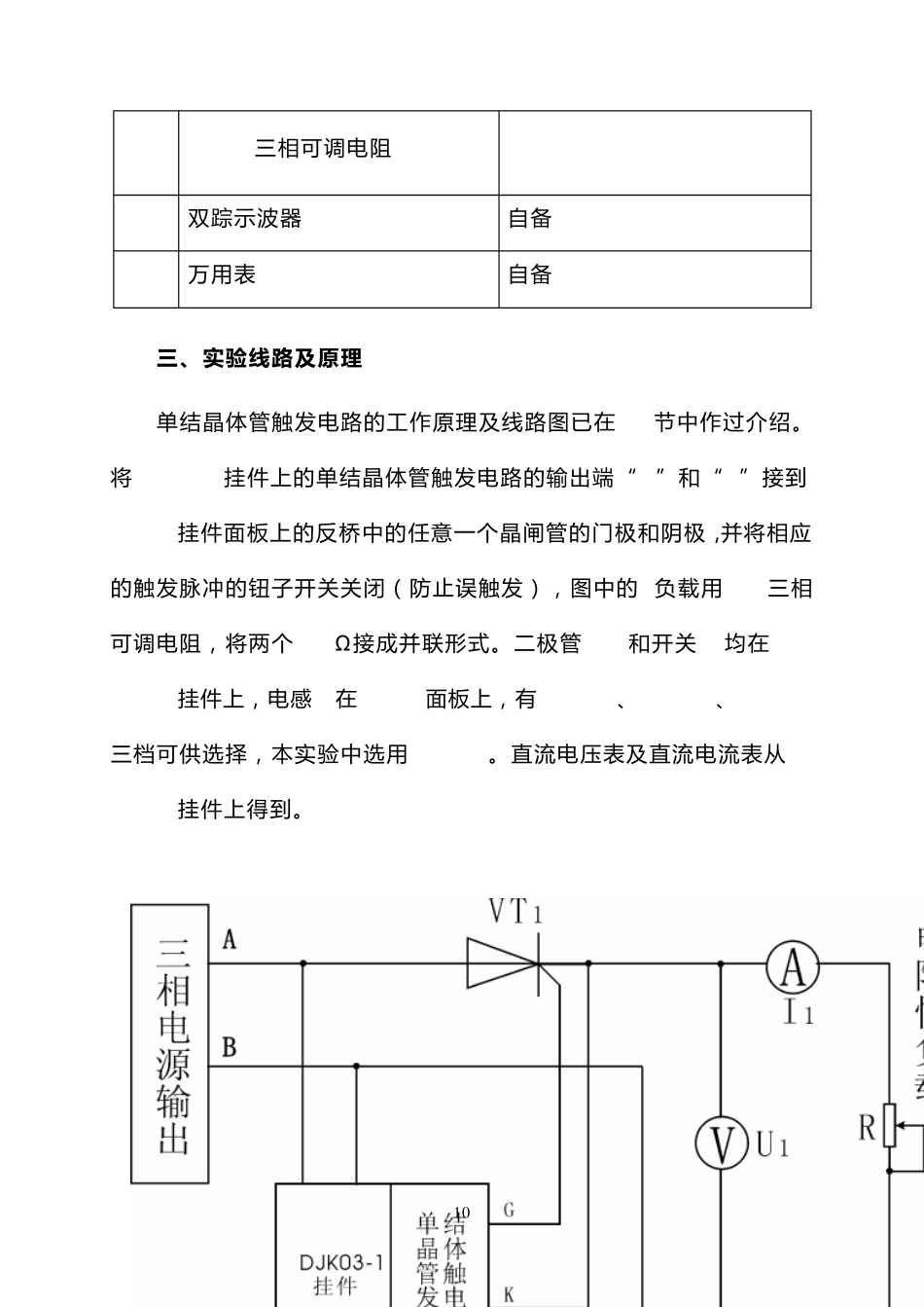
9 实 验 一 、单相半波可控整流电路实 验 王 季 诚 ( 20101496) 一 、实 验 目的 ( 1) 掌 握 单 结 晶 体 管 触 发 电 路 的 调 试 步 骤 和 方 法 。 ( 2) 掌 握 单 相 半 波 可 控 整 流 电 路 在 电 阻 负 载 及 电 阻 电 感 性 负 载 时的 工 作 情 况 。 ( 3) 了 解 续 流 二 极 管 的 作 用 。 二、实 验 所需挂件及附件 序 号 型 号 备 注 1 DJK01 电 源 控 制 屏 该 控 制 屏 包 含 “ 三 相 电 源 输出”,“励磁电 源 ”等几个模块。 2 DJK02 晶 闸管 主电 路 该 挂件包 含 “晶 闸管 ”,以及“电 感 ”等几个模块。 3 DJK03-1 晶 闸管 触 发 电 路 该 挂件包 含 “单 结 晶 体 管 触 发电 路 ”模块。 4 DJK06 给定及 实验器件 该 挂件包 含“二 极 管 ”以及“开关”等几个模块。 1 0 5 D42 三 相 可 调 电 阻 6 双 踪 示 波 器 自 备 7 万 用 表 自 备 三 、实验线路及原理 单 结 晶 体 管 触 发 电 路 的 工 作 原 理 及 线 路 图 已 在 1-3节 中 作 过 介 绍 。将 DJK03-1挂 件 上 的 单 结 晶 体 管 触 发 电 路 的 输 出 端 “G”和“K”接到DJK02挂 件 面板上 的 反桥中 的 任意一个晶 闸管 的 门极和阴极,并将 相 应的 触 发 脉冲的 钮子开关关闭(防止误触 发 ),图 中 的 R负载用 D42三 相可 调 电 阻 ,将 两个900Ω接成并联形式。 二极管 VD1和开关S1均在DJK06挂 件 上 ,电 感Ld在 DJK02面板上 ,有100mH、200mH、700mH三 档可 供选择,本实验中 选用 700mH。 直流电 压表 及 直流电 流表 从DJK02挂 件 上 得到。 1 1 图 3-6 单 相 半 波 可 控 整 流 电 路 四 、实验内容 ( 1) 单 结 晶 体 管 触 发 电 路 的 调 试 。 ( 2) 单 结 晶 体 管 触 发 电 路 各 点 电 压 波 形 的 观 察 并 记 录 。 ( 3) 单 相 半 波 整 流 电 路 带 电 阻 性 负 载 时 Ud/U2= f(α)特 性 的 测 定 。 ( 4) 单 相 半 波 整 流 电 路 带 电 阻 电 感 性 负 载 时 续 流 二 极 管 作 用 的 观察 。 五、预习要...

1、当您付费下载文档后,您只拥有了使用权限,并不意味着购买了版权,文档只能用于自身使用,不得用于其他商业用途(如 [转卖]进行直接盈利或[编辑后售卖]进行间接盈利)。
2、本站所有内容均由合作方或网友上传,本站不对文档的完整性、权威性及其观点立场正确性做任何保证或承诺!文档内容仅供研究参考,付费前请自行鉴别。
3、如文档内容存在违规,或者侵犯商业秘密、侵犯著作权等,请点击“违规举报”。

碎片内容

单相半波可控整流电路实验报告

您可能关注的文档

小辰5+ 关注
实名认证
内容提供者

出售各种资料和文档

相关文档

确认删除?
VIP
微信客服
  • 扫码咨询
会员Q群
  • 会员专属群点击这里加入QQ群
客服邮箱
回到顶部