电脑桌面
添加小米粒文库到电脑桌面
安装后可以在桌面快捷访问

压型钢板组合楼板施工工艺

压型钢板组合楼板施工工艺_第1页
1/6
压型钢板组合楼板施工工艺_第2页
2/6
压型钢板组合楼板施工工艺_第3页
3/6
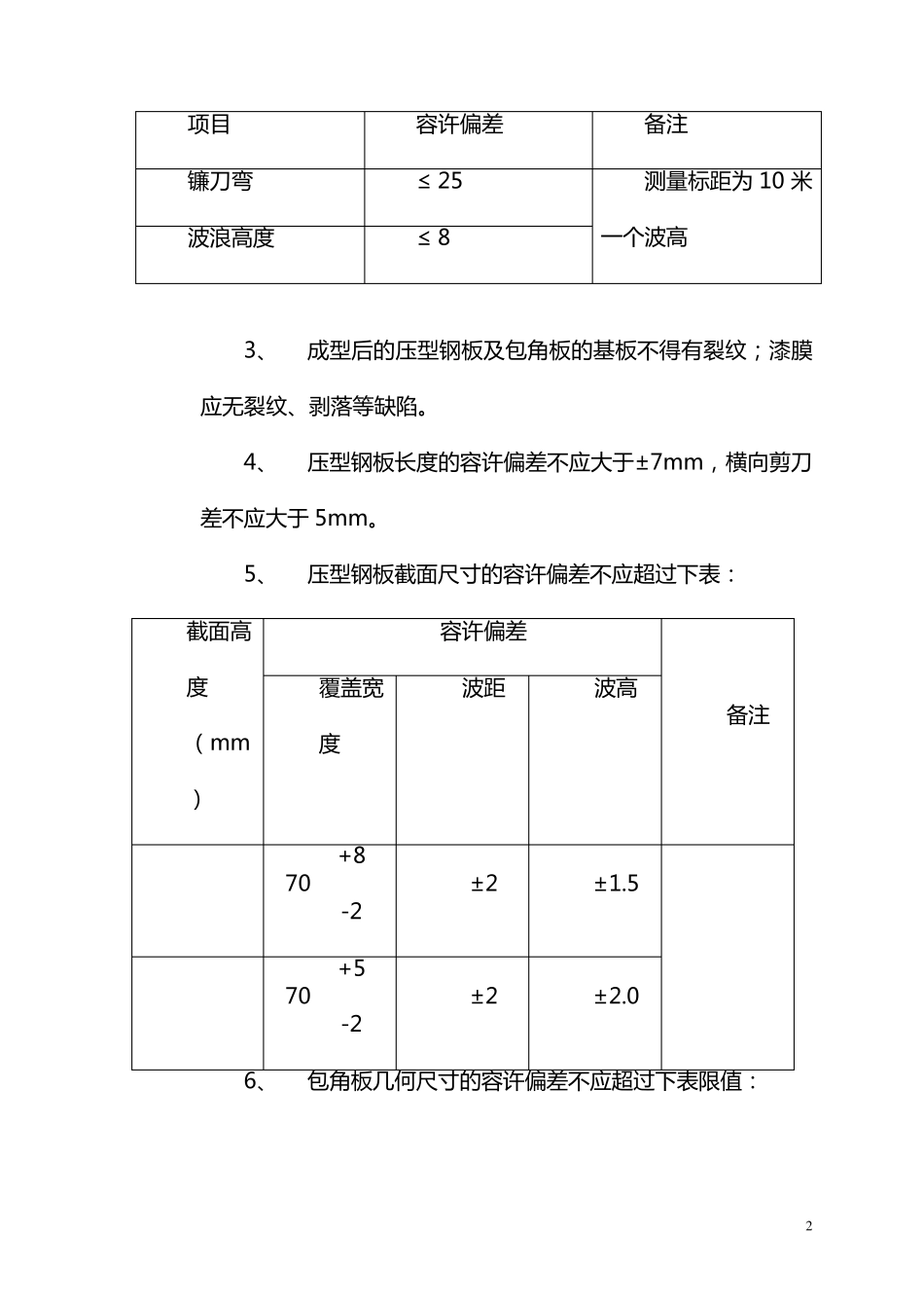
1 压型钢板组合楼板施工工艺 一 、 施工准备 组 合 楼 板 施 工 前 , 应 对 压 型 钢 板 的 搬 运 、堆放、铺设、连接方法、板内配筋、预埋件以及浇筑混凝土的 方法等等都应 作详细规划, 并绘制压 型钢 板 平面排板 图, 梁和压 型 钢 板 连接的 节点图, 同时统计好板 的 型 号、规格和数量, 配件详图、规格和数量。 本工 程压 型 钢 板 选用YX46-200-600型 压 型 钢 板 。 板 型 图如下: 46200200200600 二、 压型钢板加工 1、 压 型 钢 板 的 原材料应 有生产厂的 质量证明书。 2、 压 型 钢 板 采用的 卷板 其质量应 符合 下表: 2 项 目 容 许 偏 差 备 注 镰 刀 弯 ≤ 25 测 量 标 距 为 10 米一 个 波 高 波 浪 高 度 ≤ 8 3、 成 型 后 的 压 型 钢 板 及 包 角 板 的 基 板 不 得 有 裂 纹 ; 漆 膜应 无 裂 纹 、剥 落 等 缺 陷 。 4、 压 型 钢 板 长 度 的 容 许 偏 差 不 应 大 于 ±7mm, 横 向 剪 刀差 不 应 大 于 5mm。 5、 压 型 钢 板 截 面 尺 寸 的 容 许 偏 差 不 应 超 过 下 表 : 截 面 高度 ( mm) 容 许 偏 差 备 注 覆 盖 宽度 波 距 波 高 <70 +8 -2 ±2 ±1.5 >70 +5 -2 ±2 ±2.0 6、 包 角 板 几 何 尺 寸 的 容 许 偏 差 不 应 超 过 下 表 限 值 : 3 类 别 下 料 长度 下 料 宽度 弯 折 面宽 度 弯 折 面夹 角 容 许偏 差 ±5 ±2 ±2 2° 7、 压型钢板的几何尺寸应进行抽样检查。 8、 压型钢板出厂时必须有产品合格证。 三 、 压型钢板运输和保管 1、 装卸无外包装的压型钢板时,严禁直接用钢丝绳绑扎起吊。 2、 用车辆运输无外包装的压型钢板时,应在车上设置衬有橡胶衬垫的枕木,间距不得大于 3 米。 3、 对于采用汽车运输的压型板等,采用角 钢框架分层固 定,绑扎牢固后进行运输。 4、 压型钢板装卸时的悬伸长 度 不应大于 1.5m。 5、 压型钢板应按材质、板型分别 堆放,压型钢板上不得堆放重物,应避免污染。 6、 板型规格的堆放顺序应与施工安装顺序相配合。 7、 压型钢板在工地可采用枕木架空(架空枕木要保持约5%的倾斜度 )堆放。应堆放在不妨碍交通、不被高空重物撞击的 4 安 全...

1、当您付费下载文档后,您只拥有了使用权限,并不意味着购买了版权,文档只能用于自身使用,不得用于其他商业用途(如 [转卖]进行直接盈利或[编辑后售卖]进行间接盈利)。
2、本站所有内容均由合作方或网友上传,本站不对文档的完整性、权威性及其观点立场正确性做任何保证或承诺!文档内容仅供研究参考,付费前请自行鉴别。
3、如文档内容存在违规,或者侵犯商业秘密、侵犯著作权等,请点击“违规举报”。

碎片内容

压型钢板组合楼板施工工艺

您可能关注的文档

确认删除?
VIP
微信客服
  • 扫码咨询
会员Q群
  • 会员专属群点击这里加入QQ群
客服邮箱
回到顶部