电脑桌面
添加小米粒文库到电脑桌面
安装后可以在桌面快捷访问

压缩机检修方案(样表)

压缩机检修方案(样表)_第1页
1/9
压缩机检修方案(样表)_第2页
2/9
压缩机检修方案(样表)_第3页
3/9
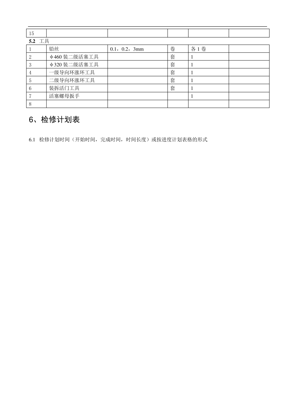
压缩机检修方案 1 、设备技术资料 对设备技术特性做简单说明或附图纸 2 、检修内容概要与验收要求 2 .1 对检修内容作简要概括(大修计划中已基本表明) 2 .2 设备检修验收按《设备维护检修规程》 3 、安全技术措施(危害识别) 3 .1 培训 3 .2 检修要点及安全措施和注意事项 3 .3 危害环保因素识别---预防措施---管理制度 3 .4 对于识别有重大危险因素的应制定有应急预案 4 、作业人员 4 .1 总作业人员需求 4 .2 各人员职责(联系方式) 4 .3 其他配合人员 5 、检修材料及工器具 5 .1 材料(以表格的形式详细列出) 序号 名称 规格 单位 数量 备注 1 一级导向环 φ4 6 0 件 2 2 一级活塞环 φ4 6 0 件 2 3 二级导向环, φ3 2 0 件 2 4 二级活塞环 φ3 2 0 件 2 5 刮油环及弹簧组件 6 挡油环 7 活塞杆 2 件 8 一级进气阀及弹簧组件 9 一级排气阀及弹簧组件 10 二级进气阀及弹簧组件 11 二级排气阀及弹簧组件 12 大头瓦(2 瓣)2 套 13 铜轴承 2 件 14 15 5 .2 工具 1 铅丝 0.1,0.2,3m m 卷 各1 卷 2 φ460 装二级活塞工具 套 1 3 φ320 装二级活塞工具 套 1 4 一级导向环涨环工具 套 1 5 二级导向环涨环工具 套 1 6 装拆活门工具 套 1 7 活塞螺母扳手 1 8 6 、检修计划表 6.1 检修计划时间(开始时间,完成时间,时间长度)或按进度计划表格的形式 7 、检修步骤 步骤 工具/零件 时间段h 风险 预防 作业人员 备注 1 、准备 个人防护用品配备 乳胶手套,口罩:防四氯化碳 其他准备 1 、 磁粉探伤 2 、 检修区域划分:划分管线、部件存放区域。 2 、拆卸 拆卸下来的所有管道、部件都按事先划分的存放区域放置,并铺设相应的垫子 所有连接件拆卸时画标记线 工艺处理完毕,维修接受检修任务书 2 .1 .电气断电上锁,并拆开现场电缆 2 .2 .仪表拆除仪表附件 2 .3 .拆除冷却水管道并放置到划定区域 2 .4 .拆除压缩机进出口管道,并用塑料布包好管口,拆下的管道放到划定区域 2 .5 .打开排油阀,将油回收到废油桶中 2 .6 .拆除所有进排气阀,用铅丝测量上下死点间隙,并记录下来 无检测油质仪器,更换新油 2 .7 .打开所有气缸盖,放到指定位置,测量垫片厚度并记录 2 .8 .拆除密封器(做好标记) 2 .9 .拆除刮油环(做好标记) 2 .1 0 .测量导向...

1、当您付费下载文档后,您只拥有了使用权限,并不意味着购买了版权,文档只能用于自身使用,不得用于其他商业用途(如 [转卖]进行直接盈利或[编辑后售卖]进行间接盈利)。
2、本站所有内容均由合作方或网友上传,本站不对文档的完整性、权威性及其观点立场正确性做任何保证或承诺!文档内容仅供研究参考,付费前请自行鉴别。
3、如文档内容存在违规,或者侵犯商业秘密、侵犯著作权等,请点击“违规举报”。

碎片内容

压缩机检修方案(样表)

确认删除?
VIP
微信客服
  • 扫码咨询
会员Q群
  • 会员专属群点击这里加入QQ群
客服邮箱
回到顶部