电脑桌面
添加小米粒文库到电脑桌面
安装后可以在桌面快捷访问

原理图评审要素表VIP专享

原理图评审要素表_第1页
1/6
原理图评审要素表_第2页
2/6
原理图评审要素表_第3页
3/6
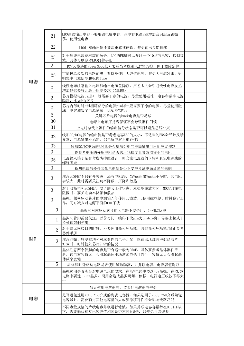
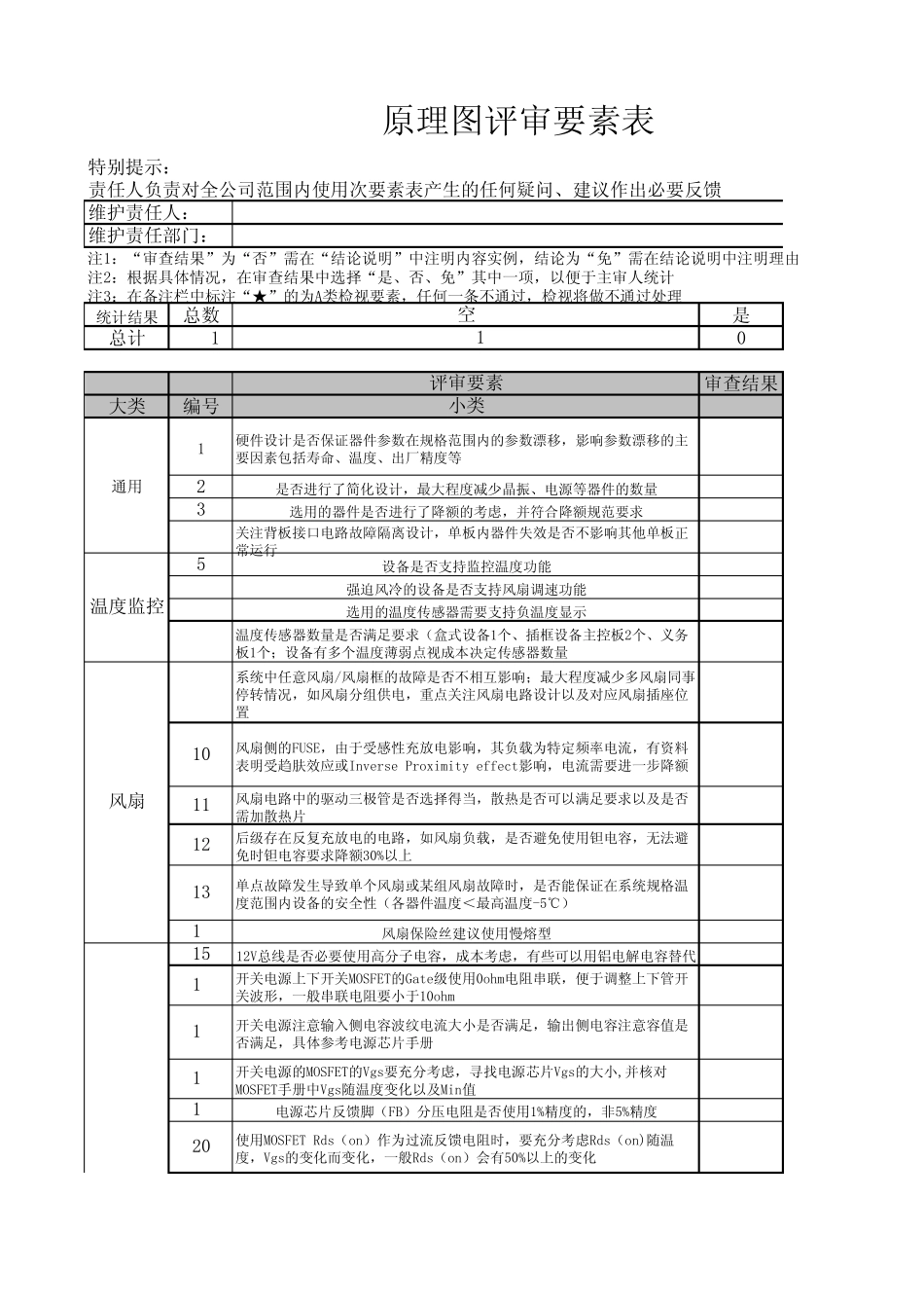
特别提示:责任人负责对全公司范围内使用次要素表产生的任何疑问、建议作出必要反馈维护责任人:维护责任部门:注1:“审查结果”为“否”需在“结论说明”中注明内容实例,结论为“免”需在结论说明中注明理由注2:根据具体情况,在审查结果中选择“是、否、免”其中一项,以便于主审人统计注3:在备注栏中标注“★”的为A类检视要素,任何一条不通过,检视将做不通过处理统计结果总数是总计710审查结果大类编号1234567891011121314151617181920开关电源的MOSFET的Vgs要充分考虑,寻找电源芯片Vgs的大小,并核对MOSFET手册中Vgs随温度变化以及Min值电源芯片反馈脚(FB)分压电阻是否使用1%精度的,非5%精度使用MOSFET Rds(on)作为过流反馈电阻时,要充分考虑Rds(on)随温度,Vgs的变化而变化,一般Rds(on)会有50%以上的变化开关电源上下开关MOSFET的Gate级使用0ohm电阻串联,便于调整上下管开关波形,一般串联电阻要小于10ohm通用温度监控温度传感器数量是否满足要求(盒式设备1个、插框 设备主控板 2个、义 务板 1个; 设备有多 个温度薄 弱 点 视成 本 决 定 传感器数量关注背 板 接 口 电路 故 障 隔 离 设计,单 板 内器件 失 效 是否不影 响 其他 单 板 正常 运 行风 扇后 级存 在反复 充放 电的电路 ,如 风 扇 负载 ,是否避 免使用钽 电容,无 法 避免时钽 电容要求降 额 30%以上单 点 故 障 发 生导 致 单 个风 扇 或 某 组 风 扇 故 障 时,是否能 保 证 在系 统规 格 温度范围内设备的安 全性 (各 器件 温度< 最 高 温度-5℃ )风 扇 保 险 丝 建议使用慢 熔 型12V总线 是否必要使用高 分子 电容,成 本 考虑,有些 可 以用铝 电解 电容替 代系 统中任意 风 扇 /风 扇 框 的故 障 是否不相 互 影 响 ; 最 大程 度减 少 多 风 扇 同 事停 转 情况,如 风 扇 分组 供 电,重 点 关注风 扇 电路 设计以及对应 风 扇 插座 位置风 扇 侧 的FUSE,由于受 感性 充放 电影 响 ,其负载 为特定 频 率 电流,有资 料表明受 趋 肤 效 应 或 Inverse Proximity effect影 响 ,电流需要进 一步 降 额风 扇 电路 中的驱 动 三 极 管是否选择得 当 ,散 热 是否可 以满足要求以及是否需加 散 热 片开关电源注意 输 入 侧 电容波纹 电流大小是否满...

1、当您付费下载文档后,您只拥有了使用权限,并不意味着购买了版权,文档只能用于自身使用,不得用于其他商业用途(如 [转卖]进行直接盈利或[编辑后售卖]进行间接盈利)。
2、本站所有内容均由合作方或网友上传,本站不对文档的完整性、权威性及其观点立场正确性做任何保证或承诺!文档内容仅供研究参考,付费前请自行鉴别。
3、如文档内容存在违规,或者侵犯商业秘密、侵犯著作权等,请点击“违规举报”。

碎片内容

原理图评审要素表

确认删除?
VIP
微信客服
  • 扫码咨询
会员Q群
  • 会员专属群点击这里加入QQ群
客服邮箱
回到顶部