电脑桌面
添加小米粒文库到电脑桌面
安装后可以在桌面快捷访问

双向塑料土工格栅

双向塑料土工格栅_第1页
1/6
双向塑料土工格栅_第2页
2/6
双向塑料土工格栅_第3页
3/6
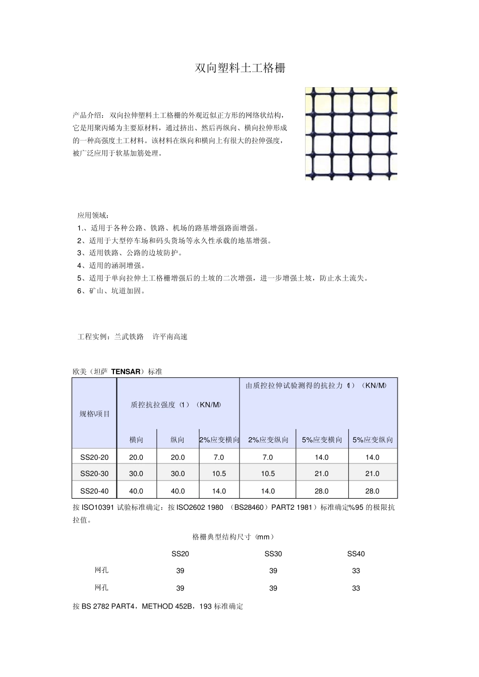
双向塑料土工格栅 产品介绍:双向拉伸塑料土工格栅的外观近似正方形的网络状结构,它是用聚丙烯为主要原材料,通过挤出、然后再纵向、横向拉伸形成的一种高强度土工材料。该材料在纵向和横向上有很大的拉伸强度,被广泛应用于软基加筋处理。 应用领域: 1.、适用于各种公路、铁路、机场的路基增强路面增强。 2、适用于大型停车场和码头货场等永久性承载的地基增强。 3、适用铁路、公路的边坡防护。 4、适用的涵洞增强。 5、适用于单向拉伸土工格栅增强后的土坡的二次增强,进一步增强土坡,防止水土流失。 6、矿山、坑道加固。 工程实例:兰武铁路 许平南高速 欧美(坦萨 TENSAR)标准 规格\项目 质控抗拉强度(1)(KN/M) 由质控拉伸试验测得的抗拉力(1)(KN/M) 横向 纵向 2%应变横向 2%应变纵向 5%应变横向 5%应变纵向 SS20-20 20.0 20.0 7.0 7.0 14.0 14.0 SS20-30 30.0 30.0 10.5 10.5 21.0 21.0 SS20-40 40.0 40.0 14.0 14.0 28.0 28.0 按 ISO10391 试验标准确定:按 ISO2602 1980 (BS28460)PART2 1981)标准确定%95 的极限抗拉值。 格栅典型结构尺寸(m m ) SS20 SS30 SS40 网孔 39 39 33 网孔 39 39 33 按 BS 2782 PART4,METHOD 452B,193 标准确定 规格\项目 原材料 (聚合物) 最小碳黑 含量(2%) 克重(kg/m2) 卷幅(m) SS20 聚丙烯 2 0.29 50×4 SS30 聚丙烯 2 0.4 50×4 SS40 聚丙烯 2 0.6 50×4 联谊牌双向格栅的典型抗拉强度 项目规格 质控抗拉强度 由质控拉伸试验测得的抗拉力(KN/m) 横向 纵向 2%横向应变 2%纵向应变 5%横向应变 5%纵向应变 LY2020(L) 20.0 20.0 7.0 7.0 14.0 14.0 LY3030(L) 30.0 30.0 10.5 10.5 21.0 21.0 LY4040(L) 40.0 40.0 14.0 14.0 28.0 28.0 LY4545 45.0 45.0 16.0 32.0 16.0 32.0 L 系列产品更适合应用于大粒径填料工程。 双向拉伸塑料土工格栅规格性能表GB/T17689-1999 规格\项目 TGSG15-15 TGSG20-20 TGSG30-30 TGSG40-40 TGSG45-45 卷宽(m) 每延米纵向拉伸屈服力(KN/m) 15 20 30 40 45 每延米横向拉伸屈服力(KN/m) 15 20 30 40 45 纵向屈服伸长率(%)≤ 13 横向屈服伸长率(%)≤ 16 纵向2%伸长率时的拉伸力(KN/m)≥ 5 8 11 13 16 横向2%伸长率时的拉伸力(KN/m)≥ 7 10 13 15 20 纵向5%伸长率时的拉伸力(KN/m)≥...

1、当您付费下载文档后,您只拥有了使用权限,并不意味着购买了版权,文档只能用于自身使用,不得用于其他商业用途(如 [转卖]进行直接盈利或[编辑后售卖]进行间接盈利)。
2、本站所有内容均由合作方或网友上传,本站不对文档的完整性、权威性及其观点立场正确性做任何保证或承诺!文档内容仅供研究参考,付费前请自行鉴别。
3、如文档内容存在违规,或者侵犯商业秘密、侵犯著作权等,请点击“违规举报”。

碎片内容

双向塑料土工格栅

您可能关注的文档

确认删除?
VIP
微信客服
  • 扫码咨询
会员Q群
  • 会员专属群点击这里加入QQ群
客服邮箱
回到顶部