电脑桌面
添加小米粒文库到电脑桌面
安装后可以在桌面快捷访问

发电机中性点接地电阻柜

发电机中性点接地电阻柜_第1页
1/7
发电机中性点接地电阻柜_第2页
2/7
发电机中性点接地电阻柜_第3页
3/7
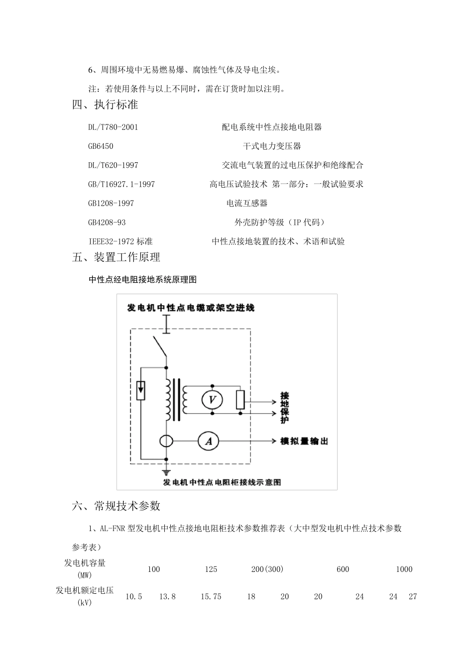
AL-FNR 系 列 发 电 机 中 性 点 接 地 电 阻 柜 一 、 概 述 发 电 机 在 运 行 中 , 发 生 单 相 接 地 是 最 常 见 的 故 障 , 故 障 点 出 现 电 弧 接 地 时 会 进 一 步 扩 大定 子 绕 组 绝 缘 损 害 甚 至 导 致 铁 芯 灼 伤 烧 结 , 如 不 及 时 发 现 并 快 速 切 除 , 故 障 将 发 展 成 为 相 间或 匝 间 短 路 。 基 于 上 述 原 因 , 国 际 广 泛 采 用 发 电 机 中 性 点 高 阻 接 地 , 以 限 制 接 地 电 流 , 防 止各 种 过 电 压 的 危 害 , 取 得 了 良 好 的 运 行 经 验 。 奥 兰 电 气 专 注 于 电 力 中 性 点 保 护 装 置 、 过 电 压 保 护 装 置 及 继 电 保 护 装 置 的 研 发 , 于90年 代 引 进 、 消 化 国 外 先 进 技 术 , 采 用 进 口 特 种 不 锈钢合金电 阻 , 研 发 生 产了 AL-FNR 系 列 发电 机 中 性 点 接 地 电 阻 柜 等中 性 点 接 地 电 阻 成 套装 置 , 是 国 内首批研 发 、 生 产电 力 系 统中 性 点电 阻 装 置 的 厂家。 AL-FNR 系 列 发 电 机 中 性 点 接 地 电 阻 成 套装 置 在 热力 和电 气 性 能上 , 完全能满足电 力 中 性 点 对设备的 要求, 具有耐受温度高 、 电 阻 率高 、 电 阻 温度系 数小, 同时 又具有抗拉强度高 。 韧性 好 等优良 的 机 械性 能, 是 0.4KV~35KV 发 电 机 组 采 用 高 阻 接 地 的 专 用成 套装 置 。 目前, 我公司生 产的 该类装 置 已经 广 泛 应用 于 城市供电 系 统、 电 厂、 地 铁 、 冶金及 石化 等系 统, 积累了 非常 多的 成 功的 运 行 经 验 , 对于 提高 系 统运 行 的 可靠性 、 安全性 具有良 好 的 效果。 二、 型号说明 三、 一 般使用 条件 1、 环境温度:-30℃ ~ +50℃; 2、 大 气 相 对湿度:日平均不 超过 95%, 月平均不 超过 90%; 3、 海拔不 超过 3000m; 4、 具有良 好 的 接 地 网; 5、 使用 于 电 网频率48~52Hz(50 Hz系 统), 58~62 Hz(60 Hz系 统)的 系 统中 ...

1、当您付费下载文档后,您只拥有了使用权限,并不意味着购买了版权,文档只能用于自身使用,不得用于其他商业用途(如 [转卖]进行直接盈利或[编辑后售卖]进行间接盈利)。
2、本站所有内容均由合作方或网友上传,本站不对文档的完整性、权威性及其观点立场正确性做任何保证或承诺!文档内容仅供研究参考,付费前请自行鉴别。
3、如文档内容存在违规,或者侵犯商业秘密、侵犯著作权等,请点击“违规举报”。

碎片内容

发电机中性点接地电阻柜

小辰3+ 关注
实名认证
内容提供者

出售各种资料和文档

相关文档

确认删除?
VIP
微信客服
  • 扫码咨询
会员Q群
  • 会员专属群点击这里加入QQ群
客服邮箱
回到顶部