电脑桌面
添加小米粒文库到电脑桌面
安装后可以在桌面快捷访问

可编程控制器教案

可编程控制器教案_第1页
1/49
可编程控制器教案_第2页
2/49
可编程控制器教案_第3页
3/49
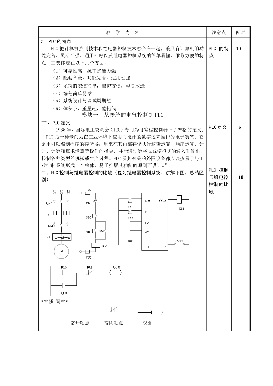
教 学 内 容 注意点 配时 绪 论 1、 PLC 的 产 生 20 世 纪 60 年 代 末 , 在 可 编 程 控 制 器 出 现 以 前 , 继 电 器 控 制 在 工 业 领 域 占主 导 地 位 , 由 此 构 成 的 控 制 系 统 都 是 按 预 先 设 定 好 的 时 间 或 条 件 顺 序 地 工 作 ,若 要 改 变 控 制 顺 序 就 要 改 变 控 制 系 统 的 硬 件 接 线 ,通 用 性 和 灵 活 性 较 差 。当 时 ,计 算 机 技 术 也 开 始 应 用 于 工 业 控 制 领 域 , 但 由 于 价 格 高 、 编 程 难 度 大 以 及 难 于适 用 恶 劣 工 业 环 境 等 原 因 , 未 能 在 工 业 控 制 领 域 获 得 推 广 。 20 世 纪 60 年 代 末 , 美 国 汽 车 制 造 工 业 竞 争 十 分 激 烈 。 为 了 适 应 生 产 工 艺不 断 的 更 新 , 要 求 寻 找 一 种比继 电 器 控 制 更 可 靠、 功能 更 齐全、 响应 速度 更 快的 新 型工 业 控 制 器 , 尽可 能 减少控 制 系 统 的 设 计 制 造 时 间 和 成 本, 以 满足市场竞 争 需求 。 1968 年 美 国 最大 的 汽 车 制 造 商――通 用 汽 车 公司(GM)从用 户角度 提出 了 新 一 代 控 制 器 应 具备的 十 大 条 件 ,立 即 引 起 了 开 发 热 潮 。主 要 内 容 是 : (1)编 程 方 便 , 可 现 场修 改 程 序 ; (2)维 修 方 便 , 采 用 插 件 式 结 构 ; (3)可 靠性 高 于 继 电 器 控 制 系 统 ; (4)体 积 小 于 继 电 器 控 制 盘 ; (5)数 据 可 直 接 送 入 计 算 机 管 理 ; (6)成 本可 与 继 电 器 控 制 盘 竞 争 ; (7)输 入 可 为 市电 ; (8)输 出 可 为 市电 , 容 量 要 求 在 2A 以 上 , 可 直 接 驱 动 接 触 器 、 电 磁 阀 等 ; (9)扩 展 系 统 时 , 原 系 统 变 更 少; (10)用 户存 储 器 大 于 4KB。 这 些 条 件 实 际 上 是 将 继 电 器 控 制 的 优 点 与 计 算 机 控 制 的 优 点 结 合 起 来 , 并将 继 电 器...

1、当您付费下载文档后,您只拥有了使用权限,并不意味着购买了版权,文档只能用于自身使用,不得用于其他商业用途(如 [转卖]进行直接盈利或[编辑后售卖]进行间接盈利)。
2、本站所有内容均由合作方或网友上传,本站不对文档的完整性、权威性及其观点立场正确性做任何保证或承诺!文档内容仅供研究参考,付费前请自行鉴别。
3、如文档内容存在违规,或者侵犯商业秘密、侵犯著作权等,请点击“违规举报”。

碎片内容

可编程控制器教案

确认删除?
VIP
微信客服
  • 扫码咨询
会员Q群
  • 会员专属群点击这里加入QQ群
客服邮箱
回到顶部