电脑桌面
添加小米粒文库到电脑桌面
安装后可以在桌面快捷访问

可靠性试验(AECQ200REVC)VIP专享

可靠性试验(AECQ200REVC)_第1页
1/8
可靠性试验(AECQ200REVC)_第2页
2/8
可靠性试验(AECQ200REVC)_第3页
3/8
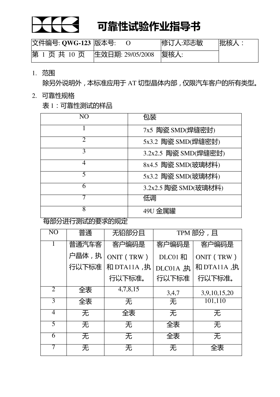
可 靠 性 试 验 作 业指导书 文 件 编 号 : QW G-123 版 本 号 : O 修 订 人 :邓 志 敏 批 核 人 : 第 1 页 共 10 页 生 效 日 期 : 29/05/2008 复 核 人 : 1. 范 围 除 另 外 说 明 外 , 本 标 准 应 用 于 AT 切 型 晶 体 内 部 , 仅 限 汽 车 客 户 的 所 有 类 型 。 2. 可靠性规格 表 1: 可靠性测试的 样品 NO 包装 1 7x5 陶瓷 SMD(焊缝密封) 2 5x3.2 陶瓷 SMD(焊缝密封) 3 3.2x2.5 陶瓷 SMD(焊缝密封) 4 8x4.5 陶瓷 SMD(玻璃材料) 5 5x3.2 陶瓷 SMD(玻璃材料) 6 3.2x2.5 陶瓷 SMD(玻璃材料) 7 低调 8 49U 金属罐 每部 分进行测试的 要求的 规定 NO 普通 无铅部 分且 TPM 部 分, 且 1 普通汽 车 客户 晶 体 , 执行以下标 准 客 户 编 码是ONIT(TRW)和 DTA11A, 执行以下标 准 。 客 户 编 码是DLC01 和DLC01A,执行以下标 准 客 户 编 码是ONIT(TRW)和 DTA11A,执行以下标 准 。 2 全表 4,7,8,15 3,4,7 3,9,10,15,20 3 全表 无 无 101,110 4 无 全表 无 无 5 无 无 全表 无 6 无 无 全表 无 7 无 无 无 全表 可 靠 性 试 验 作 业指导书 文 件 编 号 : QW G-123 版 本 号 : O 修 订 人 :邓 志 敏 批 核 人 : 第 2 页 共 10 页 生 效 日 期 : 29/05/2008 复 核 人 : 8 无 无 无 全 表 2.1 必 要 测 试 (AEC-Q200-REV C 测 试 和 HKA 测 试 ) 进 行 表 2 中 的 AEC-Q200-REV C 测 试 加 上 表 3 中 的 HKA 测 试 , 并 且进 行 表 2 中 (测 试 NO.14)和 表 3 中 (测 试 NO.110)的 振 动 测 试 。 2.1.1 AEC-Q200-REV C 测 试 表 2 NO 测 试 题 目 条 件 参 考 每 lot 样品 数 lot 可 接 受 失 败 数 85℃部 分 ( 仪 表 上 ) 125℃部 分 ( 舱 内 ) 1 受 压 前 后电 参 数 测试 除 了 可 应 用 的 压 力 参 考 和 表3 中 的 附 加 说 明之 外 , 均 执 行 用 户 规 格 所 有 符合 条 件的 零 件 1 0 3 高 温 曝 露( 储 藏 ) 测 试 1000 小 时 、85℃、无 动 力 , 测 试 结束后24± 2 小 时 内 ...

1、当您付费下载文档后,您只拥有了使用权限,并不意味着购买了版权,文档只能用于自身使用,不得用于其他商业用途(如 [转卖]进行直接盈利或[编辑后售卖]进行间接盈利)。
2、本站所有内容均由合作方或网友上传,本站不对文档的完整性、权威性及其观点立场正确性做任何保证或承诺!文档内容仅供研究参考,付费前请自行鉴别。
3、如文档内容存在违规,或者侵犯商业秘密、侵犯著作权等,请点击“违规举报”。

碎片内容

可靠性试验(AECQ200REVC)

确认删除?
VIP
微信客服
  • 扫码咨询
会员Q群
  • 会员专属群点击这里加入QQ群
客服邮箱
回到顶部