电脑桌面
添加小米粒文库到电脑桌面
安装后可以在桌面快捷访问

各仪器设备校验记录表

各仪器设备校验记录表_第1页
1/47
各仪器设备校验记录表_第2页
2/47
各仪器设备校验记录表_第3页
3/47
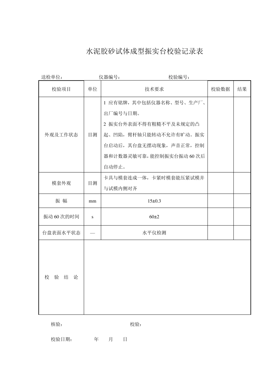
水泥胶砂流动度测定仪校验记录表 送检单位: 仪器编号: 校验编号: 校验项目 单位 技术要求 校验数据 结果 测值 平均值 外观 目测 外观完好,固定在坚固的基座上,圆盘台面水平,跳动灵活,桌面平稳,不抖动。 圆盘桌面的水平度 — 水平 跳动部分总质量 kg 4.35± 0.15 落距检测 mm 10.0± 0.2 跳动一个周期25次的时间 s 25± 1 s 桌面直径 mm 300± 1 mm 截锥圆模几何尺寸 高度 mm 60± 0.5 mm 上口内径 mm 70± 0.5 mm 下口内径 mm 100± 0.5 mm 下口外径 mm 120± 0.5 mm 金属捣棒 工作部分 直 径 mm 20± 0.5 mm 工作部分长度 mm ≥200 校验结论 核验: 校验: 校验日期: 年 月 日 水泥胶砂试模校验记录表 送检单位: 仪器编号: 校验编号: 校验项目 单位 技术要求 校验数据 结 果 测值 平均值 试 模 外 观 — 试模加工面应光滑、无气孔、整洁、无粗糙不平现象。 试模尺寸 长 mm 160±0.8 mm 宽 mm 40m±0.2 mm mm 深 mm 40.1±0.1 mm mm 试 模 质 量 kg 6.25±0.25 试模内表面平面公差 mm ≤0.03 试模垂直公差 底座与端板 mm ≤0.2 底座与隔板 mm 隔板与端板 mm 试模隔板与底板的间隙 mm <0.05 校验结论 核验: 校验: 校验日期: 年 月 日 水泥胶砂试体成型振实台校验记录表 送检单位: 仪器编号: 校验编号: 校验项目 单位 技术要求 校验数据 结果 外观及工作状态 目测 1 应有铭牌,其中包括仪器名称、型号、生产厂、出厂编号与日期。 2 振实台外表面不得有粗糙不平及未规定的凸起、凹陷,臂杆轴只能转动不允许有旷动。振实台启动后,其台盘无摆动现象,声音正常,控制器和计数器灵敏可靠,能控制振实台振动 60 次后自动停止。 模套外观 目测 卡具与模套连成一体,卡紧时模套能压紧试模并与试模内侧对齐 振 幅 mm 15± 0.3 振动 60 次的时间 s 60± 2 台盘表面水平状态 — 水平仪检测 校 验 结 论 核验: 校验: 校验日期: 年 月 日 水泥负压筛校验记录表 送检单位: 仪器编号: 校验编号: 校验项目 技术要求 校验数据 结果 数显时间控制器 测试时间 2min± 5s 筛析仪 外 观 密封良好 负 压 可调范围 负压可调范围为4000~6000Pa 水泥细度筛 外 观 筛网不得有堵塞、破洞现象 修正系数 修正系数为0.80~1.20 校 验...

1、当您付费下载文档后,您只拥有了使用权限,并不意味着购买了版权,文档只能用于自身使用,不得用于其他商业用途(如 [转卖]进行直接盈利或[编辑后售卖]进行间接盈利)。
2、本站所有内容均由合作方或网友上传,本站不对文档的完整性、权威性及其观点立场正确性做任何保证或承诺!文档内容仅供研究参考,付费前请自行鉴别。
3、如文档内容存在违规,或者侵犯商业秘密、侵犯著作权等,请点击“违规举报”。

碎片内容

各仪器设备校验记录表

您可能关注的文档

确认删除?
VIP
微信客服
  • 扫码咨询
会员Q群
  • 会员专属群点击这里加入QQ群
客服邮箱
回到顶部