电脑桌面
添加小米粒文库到电脑桌面
安装后可以在桌面快捷访问

各种规范岩石分类

各种规范岩石分类_第1页
1/19
各种规范岩石分类_第2页
2/19
各种规范岩石分类_第3页
3/19
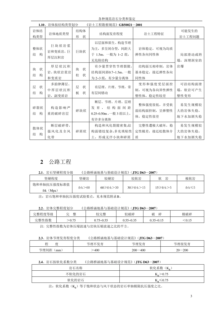
各种规范岩石分类和鉴定 1 1 工民建工程 1.1、岩石坚硬程度分类 《岩土工程勘察规范》GB50021—2001 坚硬程度 坚硬岩 较硬岩 较软岩 软 岩 极软岩 饱和单轴抗压强度(Mpa) fr>60 60≥fr>30 30≥fr>15 15≥fr>5 Fr≤5 注:1 当无法取得饱和单轴抗压强度数据时,科用点荷载试验强度换算,换算方法按现行国家标准《工程岩体 分级标准》(GB50218)执行; 2 当岩体完整程度极为破碎时,可不进行坚硬程度分类。 1.2、岩石坚硬程度等级定性分类 《岩土工程勘察规范》GB50021—2001 坚硬程度等级 定性鉴定 代表性岩石 硬质岩 坚硬岩 锤击声清脆,有回弹,震手,难击碎,基本无吸水反应 未风化~微风化的花岗岩、闪长岩、辉绿岩、玄武岩、安山岩、片麻岩、石英岩、石英砂岩、硅质砾岩、硅质石灰岩等 较硬岩 锤击声较清脆,有轻微回弹,稍震手,较难击碎,有轻微吸水反应 1 微风化的坚硬岩;2 未风化~微风化的大理岩、板岩、石灰岩、白云岩、钙质砂岩等 软质岩 较软岩 锤击声不清脆,无回弹,较易击 碎,浸水后指甲可刻划出印痕 1 中等风化~强风化的坚硬岩或较硬岩;2 未风化~微风化的凝灰岩、千枚岩、泥灰岩、砂质泥岩等 软 岩 锤击声哑,无回弹,有凹痕,易击碎,浸水后手可掰开 1 强风化的坚硬岩或较硬岩; 2 中等风化~强风化的较软岩;3 未风化~微风化的页岩、泥岩、泥质砂岩等 极软岩 锤击声哑,无回弹,有较深凹痕, 手可捏碎,浸水后可捏成团 1 全风化的各种岩石; 2 各种半成岩 1.3、岩体完整程度分类 《岩土工程勘察规范》GB50021—2001 完整程度 完 整 较完整 较破碎 破 碎 极破碎 完整性指数 >0.75 0.75~0.55 0.55~0.35 0.35~0.15 <0.15 注: 完整性指数为岩体压缩 波 速 与 岩块 压缩 波 速 之 比 的平 方。 1.4-1、岩石完整程度的定性分类 《岩土工程勘察规范》GB50021—2001 完整 程度 结 构 面 发 育 程度 主 要 结 构 面 的结 合 程度 主 要 结 构 面类型 相 应结 构 类型 组 数 平 均 间 距 (m) 完 整 1~2 >1.0 结 合 好 或结 合 一 般 裂 隙 、层 面 整体状 或巨 厚 层 状 结 构 较完整 1~2 >1.0 结 合 差 裂 隙 、层 面 块 状 或厚 层 状 结 构 2~3 1.0~0.4 结 合 好 或结 合 一 般 块 状 结 构 较破碎 2~3 1.0~0.4 结 合 差 裂 隙...

1、当您付费下载文档后,您只拥有了使用权限,并不意味着购买了版权,文档只能用于自身使用,不得用于其他商业用途(如 [转卖]进行直接盈利或[编辑后售卖]进行间接盈利)。
2、本站所有内容均由合作方或网友上传,本站不对文档的完整性、权威性及其观点立场正确性做任何保证或承诺!文档内容仅供研究参考,付费前请自行鉴别。
3、如文档内容存在违规,或者侵犯商业秘密、侵犯著作权等,请点击“违规举报”。

碎片内容

各种规范岩石分类

您可能关注的文档

小辰8+ 关注
实名认证
内容提供者

出售各种资料和文档

确认删除?
VIP
微信客服
  • 扫码咨询
会员Q群
  • 会员专属群点击这里加入QQ群
客服邮箱
回到顶部