电脑桌面
添加小米粒文库到电脑桌面
安装后可以在桌面快捷访问

吊车梁施工方案

吊车梁施工方案_第1页
1/8
吊车梁施工方案_第2页
2/8
吊车梁施工方案_第3页
3/8
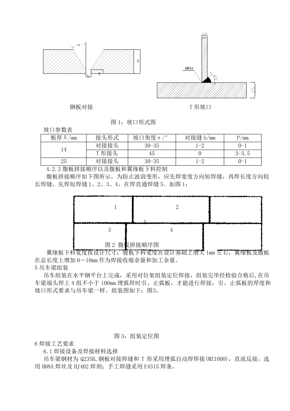
共和光伏产业园一期 200MWp 并网光伏电站升压站土建工程 吊 车 梁 施 工 专 项 方 案 上海金桥工程建设发展有限公司 共和产业园区光伏电站项目部 1 编制依据 1.1 中南电力设计院图《汽机房吊车梁》40-F441S-T0311; 1.2《火力发电厂焊接技术规程》D/LT869-2004; 1.3《钢结构工程施工质量验收规范》GB50205-2001; 1.4《电力建设规安全规范》、《华能海南东方电厂安全文明施工图册》; 1.5《涂装前钢材表面锈蚀等级和除锈等级》(BG8923-88); 2 工程概况 本工程为华能海南东方电厂新建建工程2×350MW 机组新建工程汽机房吊车的梁制作安装。吊车梁安装高度 22.41m,共 26 根,腹板为14mm 厚钢板,翼缘板 25mm 厚钢板,材质为Q235B。轨道型号为QU100。吊车数量和重量见下表: 序号 吊车梁代号 数量(根) 单件重量(t) 1 GDLQS9-S 2 4.8 2 GDLQS10-Z 16 5 3 GDLQS10-S 2 5.34 4 GDLQS9-B 2 4.7 5 GDLQS9-Z 2 4.42 6 GDLQS10-Za 2 5.01 3 吊车梁制作流程 在吊车梁的制作工艺中,关键工序有下料、组装、焊接、矫正。特殊工序为焊接,具体制作工艺流程图如下: 4 翼缘板及腹板的拼接和下料 4.1 翼缘板及腹板的拼接位置要求 翼缘板与腹板的横向对接焊缝,不允许布置在 H 型钢同一截面上,且应错开 200mm;翼缘板及腹板的横向对接焊缝应与 H 型钢立筋焊缝错开 150mm,上下翼缘板在跨中1/3 长度范围内不允许拼接,翼缘板拼接长度不应小于 2 倍翼缘板宽度,腹板拼接宽度不应小于 300,长度不应小于 600mm 4.2 翼缘板和腹板拼接要求 4.2.1 钢板对接坡口为V 形坡口,正面焊接后,反面清根焊接。T 形接头腹板采用单面坡口,正面焊接后,反面清根焊接。如图1,坡口参数如下表: 钢板对接 T 形坡口 图1:坡口形式图 坡口参数表 板厚δ/mm 接头形式 坡口角度α/° 对接缝 b/mm P/mm 14 对接接头 30-35 1-2 0-1 T 形接头 45 0 3-3.5 25 对接接头 30-35 1-2 0-1 4.2.2 腹板拼接顺序以及腹板和翼缘板下料控制 腹板拼接顺序如下图所示,为防止波浪变形,应先焊宽度方向短焊缝,再焊长度方向较长焊缝。先焊短焊缝 1、2、3、4,在焊直通焊缝 5。如图1: 1 2 5 3 4 图2 腹板拼接顺序图 翼缘板下料宽度按设计尺寸;腹板下料宽度在设计基础上增大 1mm 左右,翼缘板及腹板在总长度上增加 0-10mm 作为焊接收缩余量和加工余量。 5 吊...

1、当您付费下载文档后,您只拥有了使用权限,并不意味着购买了版权,文档只能用于自身使用,不得用于其他商业用途(如 [转卖]进行直接盈利或[编辑后售卖]进行间接盈利)。
2、本站所有内容均由合作方或网友上传,本站不对文档的完整性、权威性及其观点立场正确性做任何保证或承诺!文档内容仅供研究参考,付费前请自行鉴别。
3、如文档内容存在违规,或者侵犯商业秘密、侵犯著作权等,请点击“违规举报”。

碎片内容

吊车梁施工方案

确认删除?
VIP
微信客服
  • 扫码咨询
会员Q群
  • 会员专属群点击这里加入QQ群
客服邮箱
回到顶部