电脑桌面
添加小米粒文库到电脑桌面
安装后可以在桌面快捷访问

后张法预应力钢绞线张拉伸长值的计算

后张法预应力钢绞线张拉伸长值的计算_第1页
1/22
后张法预应力钢绞线张拉伸长值的计算_第2页
2/22
后张法预应力钢绞线张拉伸长值的计算_第3页
3/22
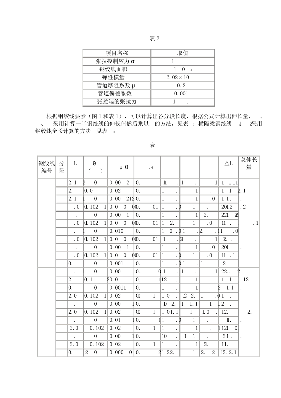
后张法预应力钢绞线张拉伸长值的计算 (一)结构设计形式 第五联现浇预应力箱梁采用单箱三室直腹板断面,梁高 1.6m,混凝土设计标号为 C50。纵向预应力束采用低松弛钢绞线配 OVM15-15型锚具和 OVM15-15L型连接器,钢绞线 N1、N2、N3、N7、N8、N9采用单端张拉,N4、N5、N6采用双端张拉,横向预应力束采用低松弛钢绞线配 OVM15-15型锚具和 OVM15-15P型固定 P锚,钢绞线 N1、N2采用单端张拉。 (二)后张法钢绞线理论伸长值计算公式说明及计算示例 后张法预应力钢绞线在张拉过程中,主要受到以下两方面的因素影响:一是管道弯曲影响引起的摩擦力,二是管道偏差影响引起的摩擦力,导致钢绞线张拉时,锚下控制应力沿着管壁向梁跨中逐渐减小,因而每一段的钢绞线的伸长值也是不相同的。 《公路桥梁施工技术规范》(JTJ 041-2000)中关于预应筋伸长值的计算按照以下公式: Δ L=(1) Pp=(2) 式中:Δ L—各分段预应力筋的理论伸长值(mm); Pp—各分段预应力筋的平均张拉力,注意不等于各分段的起点力与终点力的平均值(N); L—预应力筋的分段长度(mm); Ap—预应力筋的截面面积(mm2); Ep—预应力筋的弹性模量(Mpa); P—预应力筋张拉端的张拉力,将钢绞线分段计算后,为每分段的起点张拉力,即为 前段的终点张拉力(N); θ —从张拉端至计算截面曲线孔道部分切线的夹角之和,分段后为每分段中各曲线 段的切线夹角和(rad); x—从张拉端至计算截面的孔道长度,整个分段计算时 x等于L(m); k— 孔 道 每 束 局 部 偏 差 对 摩 擦 的 影 响 系 数 ( 1/m) , 管 道 弯 曲 及 直 线 部 分 全 长 均 应 考 虑 该 影 响 ; μ — 预 应 力 筋 与 孔 道 壁 之 间 的 磨 擦 系 数 , 只 在 管 道 弯 曲 部 分 考 虑 该 系 数 的 影 响 。 从 公 式 ( 1) 可 以 看 出 , 钢 绞 线 的 弹 性 模 量 Ep 是 决 定 计 算 值 的 重 要 因 素 , 它 的 取 值 是 否正 确 , 对 计 算 预 应 力 筋 伸 长 值 的 影 响 较 大 。 Ep 的 理 论 值 为 Ep=( 1.9~1.95) ³ 105Mpa, 而 将钢 绞 线 进 行 检 测 试 验 , 弹 性 模 量 则 常 出 现 Ep’ =( 1.96~2.04) ³ 105Mpa的 结 果 , 这 是 由 于 实际 的 钢 绞 线 的 直 径...

1、当您付费下载文档后,您只拥有了使用权限,并不意味着购买了版权,文档只能用于自身使用,不得用于其他商业用途(如 [转卖]进行直接盈利或[编辑后售卖]进行间接盈利)。
2、本站所有内容均由合作方或网友上传,本站不对文档的完整性、权威性及其观点立场正确性做任何保证或承诺!文档内容仅供研究参考,付费前请自行鉴别。
3、如文档内容存在违规,或者侵犯商业秘密、侵犯著作权等,请点击“违规举报”。

碎片内容

后张法预应力钢绞线张拉伸长值的计算

您可能关注的文档

小辰8+ 关注
实名认证
内容提供者

出售各种资料和文档

相关文档

确认删除?
VIP
微信客服
  • 扫码咨询
会员Q群
  • 会员专属群点击这里加入QQ群
客服邮箱
回到顶部