电脑桌面
添加小米粒文库到电脑桌面
安装后可以在桌面快捷访问

主体混凝土施工方案(正式)

主体混凝土施工方案(正式)_第1页
1/18
主体混凝土施工方案(正式)_第2页
2/18
主体混凝土施工方案(正式)_第3页
3/18
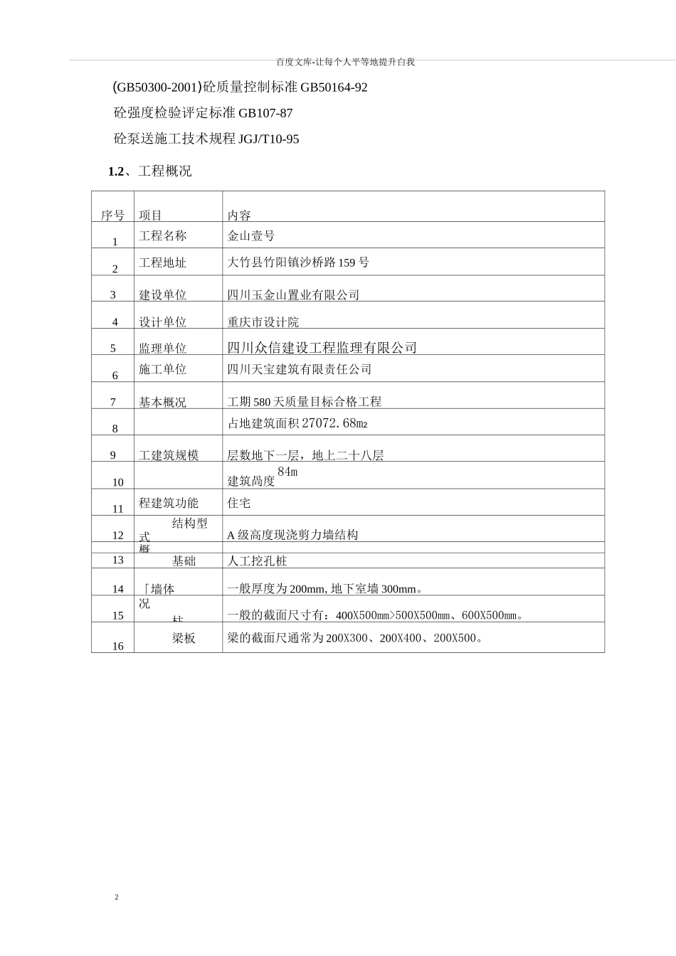
0百度文库 - 让每个人平等地提升自 我|~|金山壹号混凝土专项方案编制单位:编制人:审核人:编制日期:百度文库-让每个人平等地提升白我1目录3.1 主要施工机具准备………………………………………………………………………33.2 准备工作…………………………………………………………………………………43.3 主要施工措施……………………………………………………………………………43.3.1 外掺料与外加剂………………………………………………………………………43.3.2 流水段的划分…………………………………………………………………………43.3.3 施工缝留设的位置……………………………………………………………………53.3.4 流水段施工缝处理措施………………………………………………………………53.3.5 砼的浇筑………………………………………………………………………………53.3.6 砼的振捣………………………………………………………………………………63.4 施工工艺要求……………………………………………………………………………63.4.1 基本要求………………………………………………………………………………63.4.2 基础垫层浇筑…………………………………………………………………………61、编制的依据1.1、图纸、方案及规范a、金山壹号设计图纸b、金山壹号施工组织设计c、主要施工规范、规程、标准砼结构工程施工质量验收规范(GB50204-2002)建筑工程施工质量验收统一标准百度文库-让每个人平等地提升白我2(GB50300-2001)砼质量控制标准 GB50164-92砼强度检验评定标准 GB107-87砼泵送施工技术规程 JGJ/T10-951.2、工程概况序号项目内容1工程名称金山壹号2工程地址大竹县竹阳镇沙桥路 159 号3建设单位四川玉金山置业有限公司4设计单位重庆市设计院5监理单位四川众信建设工程监理有限公司6施工单位四川天宝建筑有限责任公司7基本概况工期 580 天质量目标合格工程8占地建筑面积 27072.68m29工建筑规模层数地下一层,地上二十八层10建筑咼度 84m11程建筑功能住宅12结构型式A 级高度现浇剪力墙结构概13基础人工挖孔桩14「墙体一般厚度为 200mm,地下室墙 300mm。15况柱一般的截面尺寸有:400X500mm>500X500mm、600X500mm。16梁板梁的截面尺通常为 200X300、200X400、200X500。百度文库-让每个人平等地提升白我31.3 各部位砼具体情况各部位的砼强度等级见到下表。各部位砼强度等级表序号结构部位强度等...

1、当您付费下载文档后,您只拥有了使用权限,并不意味着购买了版权,文档只能用于自身使用,不得用于其他商业用途(如 [转卖]进行直接盈利或[编辑后售卖]进行间接盈利)。
2、本站所有内容均由合作方或网友上传,本站不对文档的完整性、权威性及其观点立场正确性做任何保证或承诺!文档内容仅供研究参考,付费前请自行鉴别。
3、如文档内容存在违规,或者侵犯商业秘密、侵犯著作权等,请点击“违规举报”。

碎片内容

主体混凝土施工方案(正式)

您可能关注的文档

确认删除?
VIP
微信客服
  • 扫码咨询
会员Q群
  • 会员专属群点击这里加入QQ群
客服邮箱
回到顶部