电脑桌面
添加小米粒文库到电脑桌面
安装后可以在桌面快捷访问

水中钻孔灌注桩施工工艺

水中钻孔灌注桩施工工艺_第1页
1/10
水中钻孔灌注桩施工工艺_第2页
2/10
水中钻孔灌注桩施工工艺_第3页
3/10
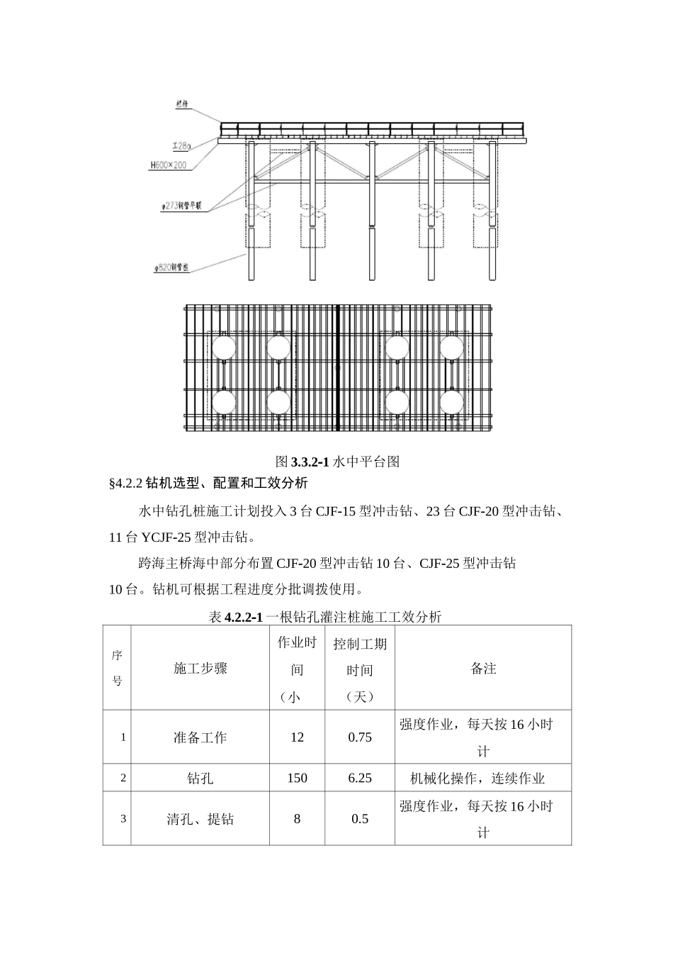
水中钻孔灌注桩施工§4.2.1 概述水中有直径申 130cm、申 150cm、申 180cm、申 200cm 的钻孔灌注桩,共 560 根。其中申 130cm 有 32 根;申 150cm 有 244 根;申 180cm 有 136 根;申 200cm 有 148 根。水中桩基采用搭设钻孔施工平台的方法进行施工。考 虑 施 工 进 度 及 经 济 性 , 本 标 段 共 投 入 尺 寸 为42x17.5m、37x17.5m、29.5mx17.5.5m、26x12.4m、12.5x12.5m 等各种尺寸的平台 48 个。根据工程进度周转使用。所有钻孔平台顶标高与栈桥顶标高相同,跨海主桥为+7.4m,左右主线为+6.0m,AB 匝道为+5.8m。平台下部结构采用申630mmx8mm 的螺旋钢管,上部采用型钢分配梁,面板采用 8=10mm 厚 Q235钢板。水上施工平台见附图《水中平台搭设示意图(一)》〜附图《水中平台搭设示意图(八)》。①130cm 钻孔灌注桩采用① 160cm 钢护筒(6=12mm),①150cm 钻孔灌注桩采用① 170cm 钢护筒(6=12mm),①180cm 钻孔灌注桩采用① 210cm 钢护筒(8=12mm),①200cm 钻孔灌注桩采用① 230cm 钢护筒(8=12mm))用吊机配合 DZ-135 振桩锤施打钢护筒。钢护筒厚度均为暂定,施工中项目部将根据设计院和业主最终要求进行确定。图 3.3.2-1 水中平台图§4.2.2 钻机选型、配置和工效分析水中钻孔桩施工计划投入 3 台 CJF-15 型冲击钻、23 台 CJF-20 型冲击钻、11 台 YCJF-25 型冲击钻。跨海主桥海中部分布置 CJF-20 型冲击钻 10 台、CJF-25 型冲击钻10 台。钻机可根据工程进度分批调拨使用。表 4.2.2-1 一根钻孔灌注桩施工工效分析序号施工步骤作业时间(小时)控制工期时间(天)备注1准备工作120.75强度作业,每天按 16 小时计2钻孔1506.25机械化操作,连续作业3清孔、提钻80.5强度作业,每天按 16 小时计4孔径、垂直度等的检测40.25强度作业,每天按 16 小时计5下钢筋笼40.25强度作业,每天按 16 小时计6下混凝土导管20.125强度作业,每天按 16 小时计7二次清孔50.2机械化操作,连续作业8混凝土灌注60.25必须连续作业9不可预见因素441.810合计23510说明:每根桩完成施工时间按 10 天控制。§4.2.3 钻孔施工钻孔灌注桩因其施工情况的特殊性,钻孔时可能遇到的不定因素较多,因此在开钻前必须制定详细可行的桩基施工作业指导书,包括成孔施工工艺、钻孔前的机具设备检修、人员培训与准备、泥浆循环系统的设置。同时施工材料得准备、事故预防方案、安全方案...

1、当您付费下载文档后,您只拥有了使用权限,并不意味着购买了版权,文档只能用于自身使用,不得用于其他商业用途(如 [转卖]进行直接盈利或[编辑后售卖]进行间接盈利)。
2、本站所有内容均由合作方或网友上传,本站不对文档的完整性、权威性及其观点立场正确性做任何保证或承诺!文档内容仅供研究参考,付费前请自行鉴别。
3、如文档内容存在违规,或者侵犯商业秘密、侵犯著作权等,请点击“违规举报”。

碎片内容

水中钻孔灌注桩施工工艺

您可能关注的文档

确认删除?
VIP
微信客服
  • 扫码咨询
会员Q群
  • 会员专属群点击这里加入QQ群
客服邮箱
回到顶部