电脑桌面
添加小米粒文库到电脑桌面
安装后可以在桌面快捷访问

三人表决器电路的设计与安装

三人表决器电路的设计与安装_第1页
1/4
三人表决器电路的设计与安装_第2页
2/4
三人表决器电路的设计与安装_第3页
3/4
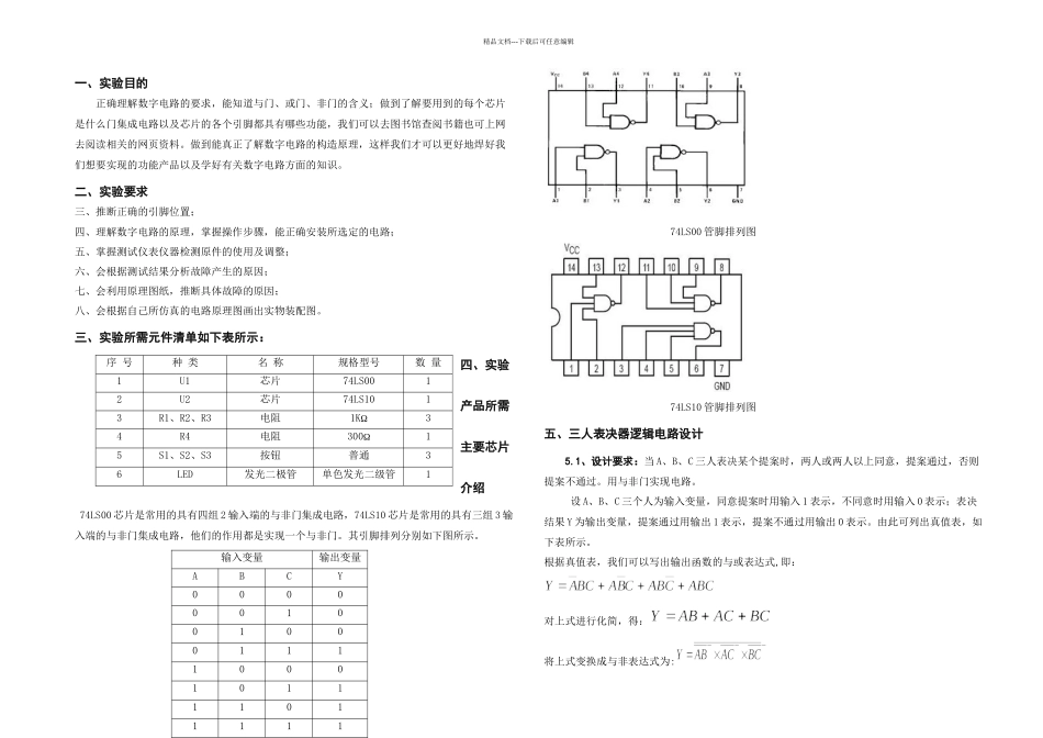
精品文档---下载后可任意编辑一、实验目的正确理解数字电路的要求,能知道与门、或门、非门的含义;做到了解要用到的每个芯片是什么门集成电路以及芯片的各个引脚都具有哪些功能,我们可以去图书馆查阅书籍也可上网去阅读相关的网页资料。做到能真正了解数字电路的构造原理,这样我们才可以更好地焊好我们想要实现的功能产品以及学好有关数字电路方面的知识。二、实验要求三、推断正确的引脚位置;四、理解数字电路的原理,掌握操作步骤,能正确安装所选定的电路;五、掌握测试仪表仪器检测原件的使用及调整;六、会根据测试结果分析故障产生的原因;七、会利用原理图纸,推断具体故障的原因;八、会根据自己所仿真的电路原理图画出实物装配图。三、实验所需元件清单如下表所示:四、实验产品所需主要芯片介绍 74LS00 芯片是常用的具有四组 2 输入端的与非门集成电路,74LS10 芯片是常用的具有三组 3 输入端的与非门集成电路,他们的作用都是实现一个与非门。其引脚排列分别如下图所示。 74LS00 管脚排列图 74LS10 管脚排列图五、三人表决器逻辑电路设计5.1、设计要求:当 A、B、C 三人表决某个提案时,两人或两人以上同意,提案通过,否则提案不通过。用与非门实现电路。 设 A、B、C 三个人为输入变量,同意提案时用输入 1 表示,不同意时用输入 0 表示;表决结果 Y 为输出变量,提案通过用输出 1 表示,提案不通过用输出 0 表示。由此可列出真值表,如下表所示。根据真值表,我们可以写出输出函数的与或表达式,即:对上式进行化简,得:将上式变换成与非表达式为:序 号种 类名 称规格型号数 量1U1芯片74LS0012U2芯片74LS1013R1、R2、R3电阻1KΩ34R4电阻300Ω15S1、S2、S3按钮普通36LED发光二极管单色发光二级管1输入变量输出变量ABCY00000010010001111000101111011111精品文档---下载后可任意编辑故,根据输出逻辑表达式,我们可以画出逻辑图为:5.2、三人表决器电路原理图(仿真图) 我们用发光二极管的状态来表示表决结果通过与否,当发光二级管点亮表示表决结果通过,熄灭表示表决结果不通过。三人 A、B、C 的表决情况用按钮来实现,按下按钮表示同意,不按表示不同意。 根据上述说明,结合前面的逻辑电路,可得到三人表决器的原理图(仿真图)为: 5.3、三人表决器电路的安装与调试 按安装电路图完成电路的组装后,通上+5v 电源,按下输入端 A、B、C 的按钮进行不同的组合,观察发光二极管的亮灭,验...

1、当您付费下载文档后,您只拥有了使用权限,并不意味着购买了版权,文档只能用于自身使用,不得用于其他商业用途(如 [转卖]进行直接盈利或[编辑后售卖]进行间接盈利)。
2、本站所有内容均由合作方或网友上传,本站不对文档的完整性、权威性及其观点立场正确性做任何保证或承诺!文档内容仅供研究参考,付费前请自行鉴别。
3、如文档内容存在违规,或者侵犯商业秘密、侵犯著作权等,请点击“违规举报”。

碎片内容

三人表决器电路的设计与安装

一二三四传媒+ 关注
实名认证
内容提供者

大量资料供您选择,没有合适的可以联系小二。

相关文档

确认删除?
VIP
微信客服
  • 扫码咨询
会员Q群
  • 会员专属群点击这里加入QQ群
客服邮箱
回到顶部