电脑桌面
添加小米粒文库到电脑桌面
安装后可以在桌面快捷访问

某高速公路第六合同段施工组织设计建议书VIP免费

某高速公路第六合同段施工组织设计建议书_第1页
1/43
某高速公路第六合同段施工组织设计建议书_第2页
2/43
某高速公路第六合同段施工组织设计建议书_第3页
3/43
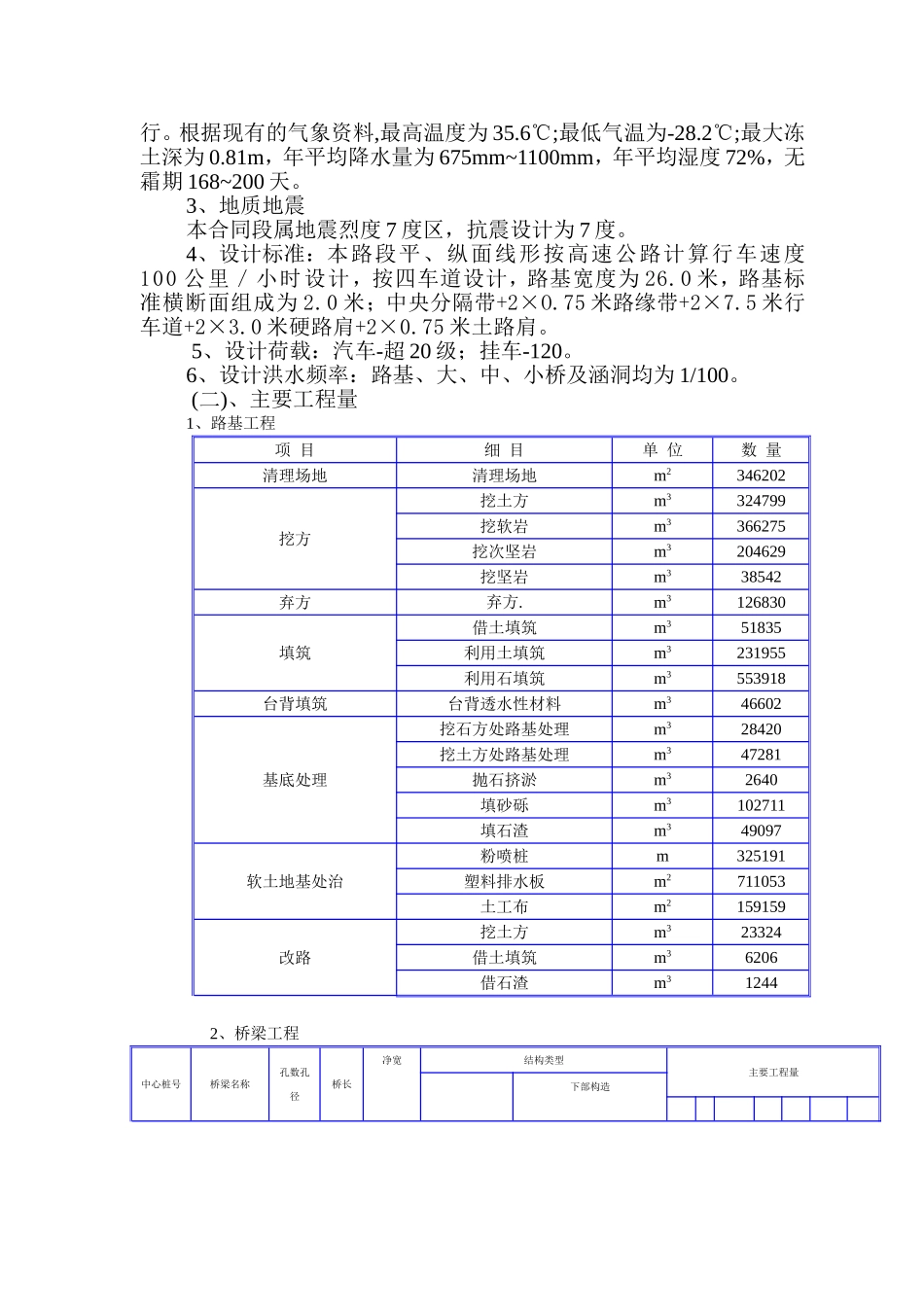
某高速公路第六合同段施工组织设计建议书为圆满完成某高速公路第六合同段路基土石方工程,根据施工招标文件,在认真阅读和充分理解设计意图及对施工现场作详细调查的基础上,并结合我公司的施工经验,以信守合同、确保工期和质量、合理控制工程造价、优质高效文明施工为指导思想,编制本工程施工组织设计建议书。在编制过程中,我们立足于专业化、机械化、标准化施工,重点工序重点安排,特殊部位特殊考虑,并结合工期和工程实际进行统筹,尽量做到现场布置合理,方案切合实际,施工组织科学,以便为优质高效安全的完成该工程奠定基础。一、编制依据、范围和原则1、编制依据:(1)某高速公路第六合同段招标文件及修改补遗书;(2)2003年5月11日的现场考察资料和标前会议及澄清文件;(3)招标文件规定的相关施工技术规范;(4)我单位拥有的机械设备状况、技术力量、施工能力、现场实际情况和我单位类似工程的施工经验。2、编制范围:某高速公路第六合同段所界定的工程,里程桩号为k56+000~k67+000,全长11.00公里。3、编制原则:(1)遵照施工图纸、技术规范、现场实际情况、我单位实际情况和业主要求;(2)做到统筹安排,科学合理的安排施工进度计划,组织均衡生产和工序衔接,做到紧张有序,确保工程质量,尽量缩短工期;(3)采用先进的施工技术和设备,提高机械化、标准化施工作业水平。(4)采用项目法施工,推行全面质量管理,达到安全、文明、高效。二、工程概况(一)、工程概述本合同段为某高速公路第六合同段路基土石方工程,起点桩号位于K56+000,终点桩号位于K67+000处,全长11.00公里。1、地形、地貌本合同段属平原水网区,另有少量丘陵区。丘陵区路线沿线多为果园;在平原水网区,人口密集,耕地以优质水稻田为主,路线两侧分布着大量的温室、鱼塘。2、气候、水文本合同段属温带季风气候,四季分明,降水集中,日照丰富,季风盛行。根据现有的气象资料,最高温度为35.6℃;最低气温为-28.2℃;最大冻土深为0.81m,年平均降水量为675mm~1100mm,年平均湿度72%,无霜期168~200天。3、地质地震本合同段属地震烈度7度区,抗震设计为7度。4、设计标准:本路段平、纵面线形按高速公路计算行车速度100公里/小时设计,按四车道设计,路基宽度为26.0米,路基标准横断面组成为2.0米;中央分隔带+2×O.75米路缘带+2×7.5米行车道+2×3.0米硬路肩+2×0.75米土路肩。5、设计荷载:汽车-超20级;挂车-120。6、设计洪水频率:路基、大、中、小桥及涵洞均为1/100。(二)、主要工程量1、路基工程项目细目单位数量清理场地清理场地m2346202挖方挖土方m3324799挖软岩m3366275挖次坚岩m3204629挖坚岩m338542弃方弃方.m3126830填筑借土填筑m351835利用土填筑m3231955利用石填筑m3553918台背填筑台背透水性材料m346602基底处理挖石方处路基处理m328420挖土方处路基处理m347281抛石挤淤m32640填砂砾m3102711填石渣m349097软土地基处治粉喷桩m325191塑料排水板m2711053土工布m2159159改路挖土方m323324借土填筑m36206借石渣m312442、桥梁工程中心桩号桥梁名称孔数孔径桥长净宽结构类型主要工程量下部构造上部结构桩基扩大基础台身墩柱盖梁主梁桥面系墩及基础台及基础K57+486友谊灌1桥6-201252*11.25预应力空心板柱式墩桩基肋板台桩基544301414412K59+135友谊灌2桥6-201252*11.25预应力空心板柱式墩桩基肋板台桩基364201414412K57+332北地河中桥3-16522*11.25预应力空心板柱式墩桩基肋板台桩基364128726K64+565于家中桥3-20652*11.25预应力空心板柱式墩桩基柱式台桩基2412128726K60+136分离立交3-16522*11.25预应力空心板柱式墩桩基肋板台桩基24488726K56+640小桥1-10172*11.25预应力空心板薄壁台桩基1644242K58+190小桥3-8322*11.25矩形板薄壁顿薄壁台桩基24448726K65+602小桥1-1322.52*11.25预应力空心板薄壁台桩基1644242K66+771小桥1-5*4.56.632*11.25框架结构K56+390通道1-882*11.25矩形板石砌轻台浅基444242K58+456通道2-10282*11.25预应力空心板薄壁顿薄壁台桩基18426484K59+293通道1-6152*11.25矩形板薄壁台桩基1244242K59+660通道1-814.52*11.25矩形板薄壁台桩基1644242K60+560通道1-8...

1、当您付费下载文档后,您只拥有了使用权限,并不意味着购买了版权,文档只能用于自身使用,不得用于其他商业用途(如 [转卖]进行直接盈利或[编辑后售卖]进行间接盈利)。
2、本站所有内容均由合作方或网友上传,本站不对文档的完整性、权威性及其观点立场正确性做任何保证或承诺!文档内容仅供研究参考,付费前请自行鉴别。
3、如文档内容存在违规,或者侵犯商业秘密、侵犯著作权等,请点击“违规举报”。

碎片内容

某高速公路第六合同段施工组织设计建议书

您可能关注的文档

确认删除?
VIP
微信客服
  • 扫码咨询
会员Q群
  • 会员专属群点击这里加入QQ群
客服邮箱
回到顶部