电脑桌面
添加小米粒文库到电脑桌面
安装后可以在桌面快捷访问

多层工业厂房混凝土结构课程设计计算书

多层工业厂房混凝土结构课程设计计算书_第1页
1/22
多层工业厂房混凝土结构课程设计计算书_第2页
2/22
多层工业厂房混凝土结构课程设计计算书_第3页
3/22
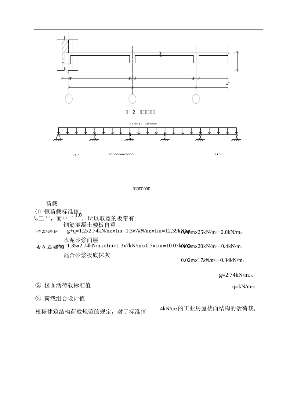
楼面构造层做厚水泥砂浆面厚混合砂浆板底抹灰。活荷载:标准值m2混凝采钢主梁和次梁采级(/y其余均采级(/y设计资料某多层工业厂房设计使用年限为年,安全等级为二级,环境类别为一类。结构形式采用框架结构,其中梁柱线刚度比均大于。楼盖采用钢筋混凝土现浇单向板肋梁楼盖,厂房底层结构布置图见图,。D1DDDDDDD材料选用:板的设计板按塑性内力重分布方法设计。板的厚度按构造要求取 h 二 80mm>^2。沁 2200沁 55mm4040L7200次梁截面高度取 h 二 500mm>-1Q==480mm,故取即可。截面宽度取。1515板的几何尺寸和计算简图如图:取边梁宽◎D3DDDDDD① 恒荷载标准值:钢筋混凝土楼板自重水泥砂浆面层混合砂浆板底抹灰② 楼面活荷载标准值③ 荷载组合设计值根据建筑结构荷载规范的规定,对于标准值0.08mx25kN/m3=2.0kN/m20.02mx20kN/m3=0.4kN/m20.02mx17kN/m3=0.34kN/m2g=2.74kN/m2Kq=7kN/m2K4kN/m2的工业房屋楼面结构的活荷载,活荷载控永久荷载控荷载rQ二 1.3,而屮二 1.0,所以取宽的板带有:g+q=1.2x2.74kN/m2x1m+1.3x7kN/m2x1m=12.39kN/mg+q=1.35x2.74kN/m2x1m+1.3x7kN/m2x0.7x1m=10.07kN/mg+q=12.39kN/m212200020002000212故取 g+q=12.39kN/m内力计算取米宽板带作为计算单元,各跨的计算跨度为中间跨:1 二 1 二 2200-200 二 2000mm0n边跨:1 二 1 二 2200-75mm=21250n各截面的弯矩计算如表示:D1DDDDDDDDDD截面边跨跨内第一内支座中间跨中中间支座端支座弯矩计算系数 a11111m1411161416M=a(g+q)12/m0(kN-m)正截面承载力计算取板的截面有效高度 h=h-a=80-20=50mm,,用级钢筋。0sa=1.0g=0.57571bD2DDDDDDDDDD板带部位截面端支座边跨跨内离端第二支座离端第二跨跨内、中间跨跨内中间支座(kN-m)-3.18x0.8=-2.543.63x0.8=2.90—4.62x0.8=-3.703.10x0.8=2.48—3.54x0.8=-2.83Ma 一safbh21c0g-1-J1—2a打 s7 他〔呦炉7200I69507200o..COW200 寸D4DDDDDDDDDDDD荷① 恒荷载标准值由板传来2.74kN/m2x2.2m-6.03kN/m次梁自25kN/m3x0.2mx(0.50%-0.08m)-2.10kN/mA-®haf 仃s01cymm2选配钢筋©8@200©8@200©8@200©8@200©8@200实配钢筋面积mm2叮 1.DDDDDDDDDDDDDDDDDDDDDDDDDDDDDDDDDDDDDDDD20DD2.DDDDDDD>1DDDDDDDDDDDDDDDDDDDDDDDDDDD>1DDDD次梁的设计次梁按考虑塑性内力重分布方法计算。主梁截面高度为 h=650mm>L沁-550mm,梁宽为1212次梁有关尺寸及支撑情况如图所示。梁侧抹计算跨17kN/m3x(0.50m-0.08m)x2x0.02m=0.29kN/mg=...

1、当您付费下载文档后,您只拥有了使用权限,并不意味着购买了版权,文档只能用于自身使用,不得用于其他商业用途(如 [转卖]进行直接盈利或[编辑后售卖]进行间接盈利)。
2、本站所有内容均由合作方或网友上传,本站不对文档的完整性、权威性及其观点立场正确性做任何保证或承诺!文档内容仅供研究参考,付费前请自行鉴别。
3、如文档内容存在违规,或者侵犯商业秘密、侵犯著作权等,请点击“违规举报”。

碎片内容

多层工业厂房混凝土结构课程设计计算书

确认删除?
VIP
微信客服
  • 扫码咨询
会员Q群
  • 会员专属群点击这里加入QQ群
客服邮箱
回到顶部