电脑桌面
添加小米粒文库到电脑桌面
安装后可以在桌面快捷访问

单位工程质量检验评定项目划分明细表VIP专享VIP免费

单位工程质量检验评定项目划分明细表_第1页
1/3
单位工程质量检验评定项目划分明细表_第2页
2/3
单位工程质量检验评定项目划分明细表_第3页
3/3
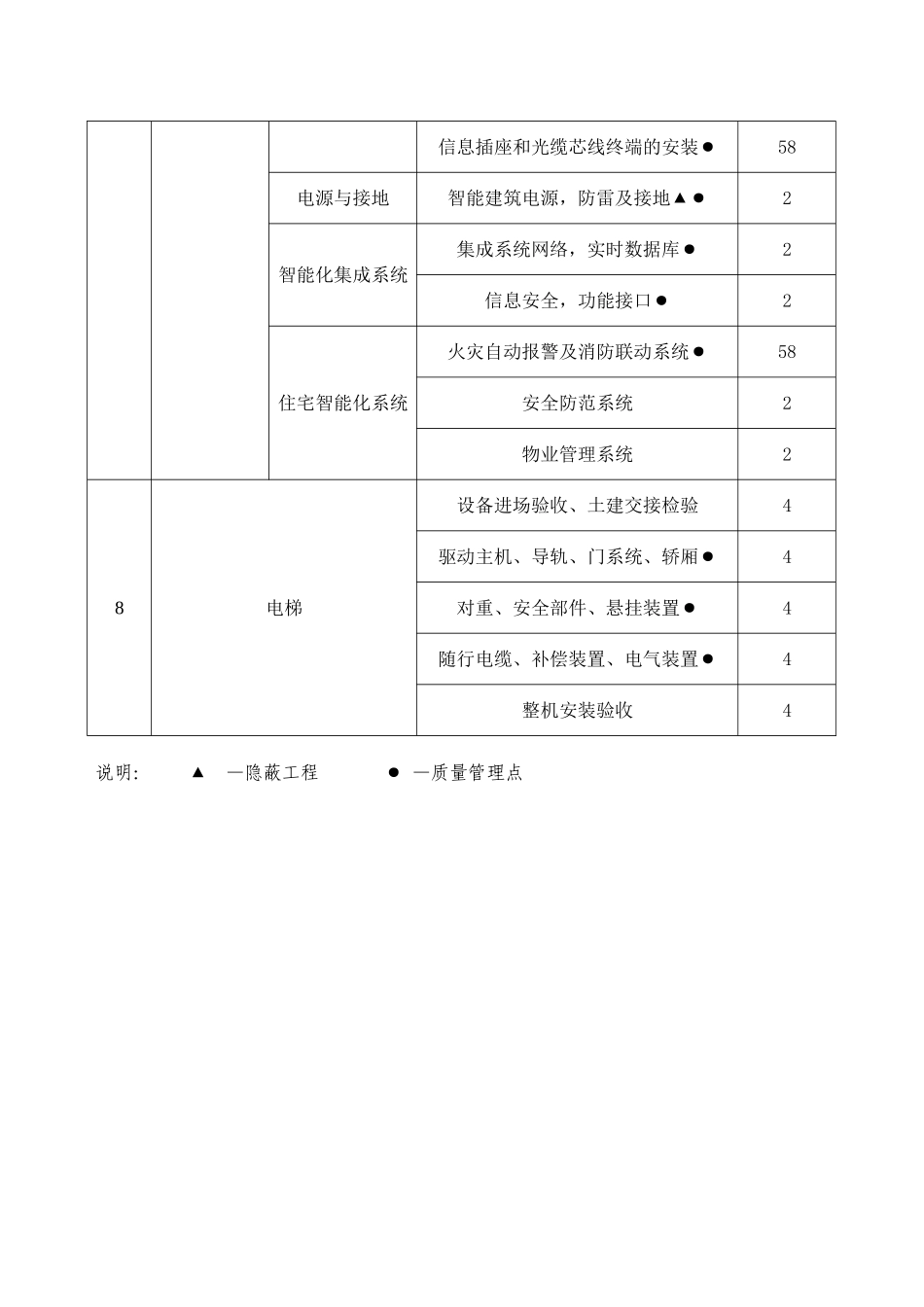
单位工程质量检验评定项目划分明细表序号分部工程子分部工程分项工程检验批1地基与基础无支护土方土方开挖、土方回填2有支护土方锚杆▲9地下防水卷材防水▲●4混凝土基础模板、钢筋、混凝土▲●169砌体基础填充墙砌体●42主体结构混凝土结构钢筋、模板、混凝土▲●482砌体结构填充墙砌体●583建筑装饰装修地面水泥砂浆面层、砖面层●56细石混凝土面层●2抹灰一般抹灰8门窗塑钢门窗、铝合金门窗安装●58门窗玻璃安装●58饰面砖饰面砖粘贴●56涂饰水性涂料涂饰、溶剂型涂料涂饰●16细部护栏和扶手制作与安装584建筑屋面卷材防水屋面保温层、找平层、卷材防水层●4细部构造15建筑给水、排水及采暖室内给水系统给水管道及配件安装▲●58室内消火栓系统安装●58室内排水系统排水管道及配件安装●58雨水管道及配件安装●585建筑给水、排水及采暖卫生器具安装卫生器具安装、卫生器具给水配件●58安装、卫生器具排水管道安装●58室内采暖系统管道及配件安装、散热器安装●58系统水压试验及调试586建筑电气成套配电柜、控制柜(屏、台)和动力、照明配电箱(盘)安装●58电线导管、电缆导管和线槽敷设▲58电线、电缆穿管和线槽敷设线▲58电缆头制作、接线和线路绝缘测试58避雷引下线和变配电室接地干线敷设▲●58建筑物等电位联结▲●58接地装置安装▲●3接闪器安装●2开关、插座、风扇安装●58普通灯具安装●58建筑物照明通电试运行587智能建筑通信网络系统卫星及有线电视系统▲58综合布线系统缆线敷设和终接▲58机柜、机架、配线架的安装3信息插座和光缆芯线终端的安装●58电源与接地智能建筑电源,防雷及接地▲●2智能化集成系统集成系统网络,实时数据库●2信息安全,功能接口●2住宅智能化系统火灾自动报警及消防联动系统●58安全防范系统2物业管理系统28电梯设备进场验收、土建交接检验4驱动主机、导轨、门系统、轿厢●4对重、安全部件、悬挂装置●4随行电缆、补偿装置、电气装置●4整机安装验收4说明:▲—隐蔽工程●—质量管理点

1、当您付费下载文档后,您只拥有了使用权限,并不意味着购买了版权,文档只能用于自身使用,不得用于其他商业用途(如 [转卖]进行直接盈利或[编辑后售卖]进行间接盈利)。
2、本站所有内容均由合作方或网友上传,本站不对文档的完整性、权威性及其观点立场正确性做任何保证或承诺!文档内容仅供研究参考,付费前请自行鉴别。
3、如文档内容存在违规,或者侵犯商业秘密、侵犯著作权等,请点击“违规举报”。

碎片内容

单位工程质量检验评定项目划分明细表

文章天下+ 关注
实名认证
内容提供者

各种文档应有尽有

确认删除?
VIP
微信客服
  • 扫码咨询
会员Q群
  • 会员专属群点击这里加入QQ群
客服邮箱
回到顶部