电脑桌面
添加小米粒文库到电脑桌面
安装后可以在桌面快捷访问

电子膨胀阀控制系统原理,安装调试知识点梳理汇总VIP免费

电子膨胀阀控制系统原理,安装调试知识点梳理汇总_第1页
1/3
电子膨胀阀控制系统原理,安装调试知识点梳理汇总_第2页
2/3
电子膨胀阀控制系统原理,安装调试知识点梳理汇总_第3页
3/3
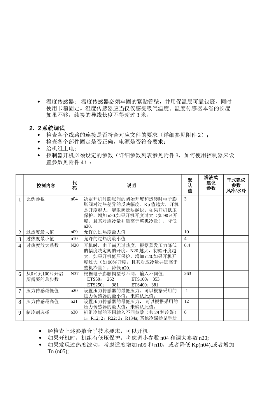
电子膨胀阀控制系统原理,安装调试1,电子膨胀阀系统原理1.1系统组成电子膨胀阀阀体ETS控制器EKC312压力传感器AKS33温度传感器AKS111.2各个部件的作用电子膨胀阀,负责根据接受到的脉冲信号控制膨胀阀开度,保证适量的供液量和合适过热度。压力传感器:负责检测蒸发压力,并将蒸发压力值转变成4-20mA的电流信号。温度传感器:可以根据温度的不同电阻值也不同。(温度和电阻值对照表参见附件1)。控制器:控制器是该系统的核心器件,作用类似于人体大脑。控制器可以接受压力传感器送来的4-20mA电流信号,和温度传感器的电阻值信号。根据这些信号,通过内部的计算发出脉冲信号来控制电子膨胀阀的开度,保证系统供液量和过热度。正常运转时,控制器显示系统的实际过热度。1.3系统工作原理控制器采样压力传感器送来的4-20mA电流信号,和温度传感器的电阻值信号,计算出当前实际过热度;参考设定参数,计算出应当达到的要求过热度;根据实际过热度和要求过热度,结合控制器的参数设定,以一定的反映方式,来调节电子膨胀阀开度,使其尽量靠近要求过热度。反复检测两个过热度之间的差异,逐步时事调整膨胀阀开度。说明,在系统稳定的情况下尽量减小要求过热度,以提高系统效率。2,电子膨胀阀系统调试2.1系统安装电子膨胀阀:安装之前必须参考丹佛斯电子膨胀阀的安装指南,每一个电子膨胀阀包装那都有一份安装指南。注意4个电线的颜色和对应连接。控制器:按右图连接对应电线,尤其注意电源符合要求(24V交流)。压力传感器:按下图接线。压力传感器接线必须牢固,压力接口最好在水平铜管的上方,以免杂质堵塞。如果使用过渡铜管连接压力接口,过渡铜管的长度应当尽量短。保证压力传感器固定牢固,以免运输震动损坏传感器。温度传感器:温度传感器必须牢固的紧贴管壁,并用保温层可靠包裹,同时使用卡篐固定。温度传感器应当仅仅感受吸气温度。温度传感器本省的长度如果不够,续接的导线长度不得超过3米。2.2系统调试检查各个线路的连接是否符合对应文件的要求(详细参见附件2);检查各个部件固定是否正确,电源是否符合要求;给机组上电;控制器开机必须设定的参数(详细参数列表参见附件3,如何使用控制器来设置参数见附件4):经检查上述参数合乎技术要求,可以开机。如果开机时,机组有低压保护,考虑调小参数n04和调大参数n20;如果发现过热度波动,考虑适度增加n09和n10,或者降低Kp(n04),或者增加Tn(n05);控制内容代码说明默认值满液式建议参数干式建议参数风冷/水冷1比例参数n04决定开机时膨胀阀的初始开度和运转时电子膨胀阀对过热差异的反映幅度。Kp值越大,开机是开度越大,膨胀阀反映越快。如果开机低压保护,增加n20.如果开机开度过大(如90%开度,且其对应冷量并远高于整机冷量),降低n20.32过热度最大值n09允许的过热度最大值103过热度最小值n10允许的过热度最小值44过热度放大系数N20开机时,由于尚无过热度,根据蒸发压力降低的幅度决定阀的开度。N20越大,初始开度越大。如果开机低压保护,增加n20.如果开机开度过大(如90%开度,且其对应冷量并远高于整机冷量),降低n20.0.46从0%到100%开启所需要的总步数N37根据电子膨胀阀型号不同,输入不同值:ETS50:262ETS100:353ETS250:381ETS400:3812637压力传感最低值o20设置压力传感器的最低压力。可以根据采用的压力传感器的最小值,来确认此值。-18压力传感最高值o21设置压力传感器的最低压力,可以根据采用的压力传感器的最大值,来确认此值。129制冷剂选择o30机组冷媒的不同输入不同参数(共29种冷媒)1:R12;2:R22;3:R134a;其他冷媒参见手册0如果发现系统回液,考虑调高过热度参数n09和n10。2.3控制系统显示机组正常运转时,控制可以显示机组部分参数:

1、当您付费下载文档后,您只拥有了使用权限,并不意味着购买了版权,文档只能用于自身使用,不得用于其他商业用途(如 [转卖]进行直接盈利或[编辑后售卖]进行间接盈利)。
2、本站所有内容均由合作方或网友上传,本站不对文档的完整性、权威性及其观点立场正确性做任何保证或承诺!文档内容仅供研究参考,付费前请自行鉴别。
3、如文档内容存在违规,或者侵犯商业秘密、侵犯著作权等,请点击“违规举报”。

碎片内容

电子膨胀阀控制系统原理,安装调试知识点梳理汇总

确认删除?
VIP
微信客服
  • 扫码咨询
会员Q群
  • 会员专属群点击这里加入QQ群
客服邮箱
回到顶部