电脑桌面
添加小米粒文库到电脑桌面
安装后可以在桌面快捷访问

水电引水渠道加固工程设计方案VIP免费

水电引水渠道加固工程设计方案_第1页
1/6
水电引水渠道加固工程设计方案_第2页
2/6
水电引水渠道加固工程设计方案_第3页
3/6
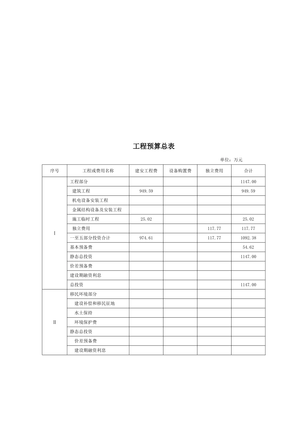
加固工程设计方案一、概况本工程是长水、张村、崛山3座电站的引水渠道,渠道起点位于兴华峪口处的长水渠首坝,终点位于崛山电站,全长34.94km,跨洛宁县洛北川区三乡两镇43个行政村。长水电站引水渠道总长2.45km,该段渠道为全挖方渠段,北侧靠山,南侧临河。张村电站引水渠道总长13.48km,该段渠道以挖方为主,有小部分高填方渠段,渠道基础均为土基。崛山电站引水渠道总长19.01km,穿越城关镇、回族镇和洛宁县城,该段渠道以填方为主。由于渠道运行多年,存在土渠冲刷淘空、护岸崩塌,石渠砌石脱落、裂缝漏水,土渠护砌段面板损坏,渠道漏水。有多处高填方渠段由于渠道漏水造成背水坡出现漏水点,存在严重的安全隐患。二、加固设计方案浆砌石护砌渠段防渗处理方式为对浆砌石挡墙进行深剔缝后,在浆砌石挡墙上打Φ18锚筋,并在锚筋上安装Φ10@150的钢筋网后浇筑12cm厚的C20砼;渠道底部采用10cm厚C25砼,挡墙加固砼与原渠道底板砼接缝部位,对原砼面进行凿毛清洗,铺设一道水泥沥青砂浆后浇筑砼。渠道护砌每5m设一道伸缩缝,缝宽2cm,缝内填聚乙烯泡沫板,且在砼表面3cm内采用水泥沥青砂浆嵌缝。本段渠道进行混凝土加固后渠道断面减小,渠道糙率减小,渠道水深在3.05-3.15m之间,加固后的渠道能满足引水流量的要求。土渠段渠道加固处理方式为清除掉渠道表面的浮土和淤积后采用10cm厚的C20现浇混凝土护砌,渠道底部现浇10cm厚C20混凝土护底,本段渠道边坡基本为1:0.8。土渠段及土渠护砌段由于冲刷破坏造成的护岸坍塌,采用浆砌石恢复,坡比随现状,以便于后期施工护坡砼为宜。三、工程量及估算投资工程预算总表单位:万元序号工程或费用名称建安工程费设备购置费独立费用合计Ⅰ工程部分1147.00建筑工程949.59949.59机电设备安装工程金属结构设备及安装工程施工临时工程25.0225.02独立费用117.77117.77一至五部分投资合计974.61117.771092.38基本预备费54.62静态总投资1147.00价差预备费建设期融资利息总投资1147.00Ⅱ移民环境部分建设补偿和移民征地水土保持环境保护费静态总投资价差预备费建设期融资利息总投资Ⅲ工程投资总计1147.00静态总投资1147.00总投资1147.00建筑工程预算表序号工程或费用名称单位数量单价(元)合计(万元)壹第一部分建筑工程949.59一土渠冲刷及砼面板损坏段(5821.1)m5821.11236.63719.851河底清淤m35061.43921.6010.932土方开挖m36383.4711.707.473粘土回填m3418.2215.720.664底板C20砼(厚10cm)m31723.616356.7161.485C20砼护坡(厚10cm)m34782.546356.71170.606C20砼重力挡墙(厚60cm)m32697.676407.30109.887M7.5浆砌石m34037.1260.98105.368普通模板m253239.63943.61232.189闭孔低发聚乙烯塑料板m21954.02451.9310.1510水泥沥青砂浆(1:1:4)m3117.241600.007.0311C15砼拆除(厚12cm)m3279.41382.952.3212砼拆除运输m3419.11542.901.80二涵洞段(70.60)m70.612970.7791.571土方开挖m31587.08811.701.862浆砌石拆除m3247.125.690.633土方回填m31156.4289.051.054箱涵C30砼(厚40cm)m3773.776380.5129.445箱涵模板m22346.8846.7310.976钢筋制作安装t73.5095991.6944.047聚乙烯泡沫板m287.6851.930.468651橡胶止水带m179.285.711.549箱涵堵头模板m229.4310砼拆除运输m3370.6542.901.59三梯形渠渗漏段(66.60)m66.611624.3377.421原护砌浆砌石拆除m3352.84725.690.912底板C15砼拆除m339.9682.950.333土工防渗布(二布一膜)m21575.75619.803.124C20砼预制块砌筑(厚15cm,55*99)m21575.756447.6170.535砼拆除运输m3589.2142.902.53四石渠渗漏段(425.7)m425.71426.9660.751渠道清淤m399.29221.600.212土方开挖m38411.700.103土方回填m314.49.050.014原浆砌石挡墙深剔缝m23193.066.682.135L=0.35mφ18锚筋根2463.153.6113.206φ8@150钢筋网t8.5455826.974.987C25砼加固(厚12cm)m3383.167367.3514.088C20砼护坡(厚10cm)m3113.752356.714.069C20砼护底(厚10cm)m352.442356.711.8710模板m24330.5843.6118.8911闭孔低发聚乙烯塑料板m2138.01151.930.7212水泥沥青砂浆(1:1:4)m38.281600.000.50洛宁县新华水电引水渠道红石崖及西寨渡槽段加固工程投资...

1、当您付费下载文档后,您只拥有了使用权限,并不意味着购买了版权,文档只能用于自身使用,不得用于其他商业用途(如 [转卖]进行直接盈利或[编辑后售卖]进行间接盈利)。
2、本站所有内容均由合作方或网友上传,本站不对文档的完整性、权威性及其观点立场正确性做任何保证或承诺!文档内容仅供研究参考,付费前请自行鉴别。
3、如文档内容存在违规,或者侵犯商业秘密、侵犯著作权等,请点击“违规举报”。

碎片内容

水电引水渠道加固工程设计方案

文章天下+ 关注
实名认证
内容提供者

各种文档应有尽有

确认删除?
VIP
微信客服
  • 扫码咨询
会员Q群
  • 会员专属群点击这里加入QQ群
客服邮箱
回到顶部