电脑桌面
添加小米粒文库到电脑桌面
安装后可以在桌面快捷访问

制图基本知识与技能 教学设计VIP免费

制图基本知识与技能 教学设计_第1页
1/8
制图基本知识与技能 教学设计_第2页
2/8
制图基本知识与技能 教学设计_第3页
3/8
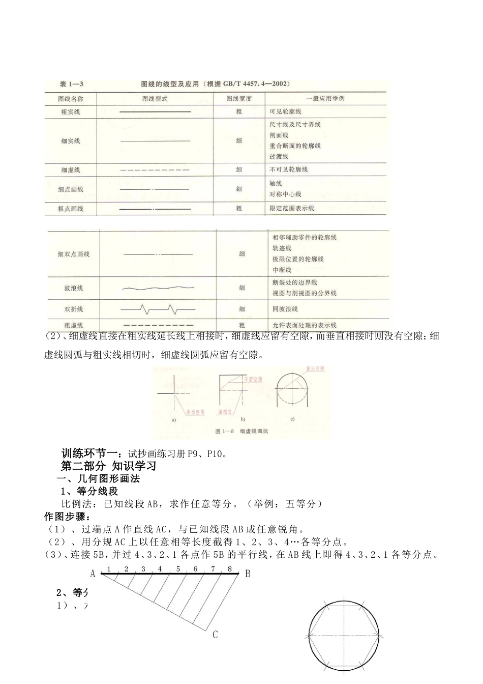
学习任务1:制图基本知识与技能学习目标:1、会等分线段和圆周、作圆内接正多边形;2、会分析圆弧连接类型并完成简单的圆弧连接;3、能说出机械制图中字体的写法,并能写出基本符合要求的字体;4、能说出学生用标题栏的确定方法及与看图方向之间的关系;5、能说出制图中比例的含义;6、能综合运用所学知识在A4上绘制较复杂的平面图形;7、学会自我评价和他人评价技巧学习时间:4课时内容结构:学习任务描述第一部分学习准备相关知识:一、绘图工具及其使用1、图板和丁字尺图板:绘图时用来固定图纸的矩形木板。丁字尺:主要用来画水平线。由互相垂直尺头和尺身组成。水平线从左向右画;垂直线从下向上画;尺头可上下移动。2、三角板每付三角板有两块,一块为45度,另一块为30、60度。两块三角板配合使用,可画出已知直线的平行线和垂直线。3、圆规和分规圆规:是画圆和圆弧的工具。分规:是等分线段、量取尺寸的工具。4、铅笔1)铅笔的硬度:用B和H两个符号表示。B前数字越大表示铅笔芯越软,如:B、2B、3B、4B;H前数字越大表示铅笔芯越硬,如:H、2H、3H、4H;HB则表示软硬适中。2)使用方法:H、2H:画细实线、虚线、细点划线。HB:用来写字、标注尺寸。HB、B:用来加深粗实线。二、制图基本规定(一)、字体1、汉字:用长仿宋体书写,并采用国家正式公布的简化字。要求:字体端正笔划清楚排列整齐间隔均匀字号(即字高):有20、14、10、7、5、3.5、2.5七种2、英文:分为大写和小写两种。3、数字:分为罗马数字和阿拉伯数字两种。举例:课本P21(二)、图线1、图线的线型及应用在机械图样上采用粗、细实线两种线宽,其线宽比率是2:1。(见表1-3)2、图线的画法(1)、细虚线、细点画线、细双点画线与其他图线相交时尽量交与画或长画处。(2)、细虚线直接在粗实线延长线上相接时,细虚线应留有空隙,而垂直相接时则没有空隙;细虚线圆弧与粗实线相切时,细虚线圆弧应留有空隙。训练环节一:试抄画练习册P9、P10。第二部分知识学习一、几何图形画法1、等分线段比例法:已知线段AB,求作任意等分。(举例:五等分)作图步骤:(1)、过端点A作直线AC,与已知线段AB成任意锐角。(2)、用分规AC上以任意相等长度截得1、2、3、4…各等分点。(3)、连接5B,并过4、3、2、1各点作5B的平行线,在AB线上即得4、3、2、1各等分点。2、等分圆周1)、六等分圆周和作正六边形2)、五等分圆周和作正五边形作图步骤:(1)、平分OB得其中点P;(2)、在AB上取PH=PC,得点H;(3)、以CH为边长等分圆周,得E、F、G、L等分点,依次连接即得正五边形。相关技能:训练环节二:练习册P1(作圆内接正六边形和正五边形)。3、圆弧连接用一段圆弧光滑地连接另外两条已知线段(直线或圆弧)的作图方法。方法:找出连接圆弧的圆心确定连接圆弧与已知线段的切点类型:圆弧连接两已知直线圆弧内连接已知直线和圆弧圆弧外连接两已知圆弧圆弧内连接两已知圆弧圆弧分别内外连接两已知圆弧步骤:课本P10页外切:R+R2R+R2内切:R-R1R-R2相关技能:训练环节三:练习册P3(用圆弧连接两已知直线和两已知圆弧)四、绘制平面图形(一)、图纸幅面和格式1、图幅:指图纸的大小。机械制图中总共分A0~A4五种,其中A0最大,A4最小。2、图框格式图框用粗实线绘出,图样绘制在图框内部,格式分为留装订边和不留装订边两种,如图1-2和1-3所示。3、标题栏:必须标在图框的右下脚;标题栏中文字方向为读图方向。(二)、比例1、比例的定义:比例是指图样中图形与其实物相应要素的线性尺寸之比。2、比例的种类:(1)、放大:图形比实物大。如2:1、3:1等;(2)、相同:图形与实物一样大。如1:1;(3)缩小:图形比实物小。如:1:2、1:3等。3、注意事项:绘制同一机件的各个视图应采用相同的比例,并在标题栏的比例一项中填写。相关技能:训练环节四:在A4纸上绘制下面平面图形,并画边框和标题栏第三部分计划与实施1、适合分组教学的多媒体课室;2、与工作页配套的教材和练习册;3、一套绘图工具;4、一张A4纸。第四部分评价反馈自我评价表项目内容配分评分标准扣分得分⒈尺规绘图知识15分⑴知道尺规绘图工具的名称(5...

1、当您付费下载文档后,您只拥有了使用权限,并不意味着购买了版权,文档只能用于自身使用,不得用于其他商业用途(如 [转卖]进行直接盈利或[编辑后售卖]进行间接盈利)。
2、本站所有内容均由合作方或网友上传,本站不对文档的完整性、权威性及其观点立场正确性做任何保证或承诺!文档内容仅供研究参考,付费前请自行鉴别。
3、如文档内容存在违规,或者侵犯商业秘密、侵犯著作权等,请点击“违规举报”。

碎片内容

制图基本知识与技能 教学设计

您可能关注的文档

确认删除?
VIP
微信客服
  • 扫码咨询
会员Q群
  • 会员专属群点击这里加入QQ群
客服邮箱
回到顶部