电脑桌面
添加小米粒文库到电脑桌面
安装后可以在桌面快捷访问

光伏电站质量计划概要

光伏电站质量计划概要_第1页
1/8
光伏电站质量计划概要_第2页
2/8
光伏电站质量计划概要_第3页
3/8
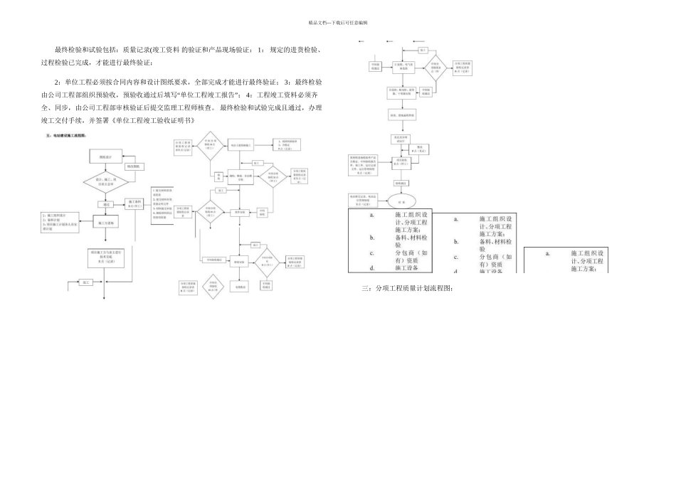
精品文档---下载后可任意编辑 编制单位: 年 月 日一:质量方针: 质量第一,安全第一,预防为主,追求卓越。 二:质量目标:质量验收合格率达到 100%,重大安全事故为 0 。 三:质量制点类型:质量控制点设置类型分为:见证点(W 点)、停工待检点(H 点)、审查点(R 点)。 1 :见证点 W:在规定的施工关键过程( 工序 实施前,项目监理、设计、建设单位等责任方在约定的时间到现场进行见证检查或进行文件检查的控制点,相关检查方在规定的时间未能到场见证,作业单位 可以认为已获认可,可继续进行该项作业。 2:停工待检点 H:针对作业过程中有特别要求而设置的控制点,项目监理、设计、建设单位等责任方应在约定的时间到现场对该控制点进行监督检查,未经检查认可不得超越该点作业,除非预先有监督机构的书面认可。但假如检查方不在操作现场,作业方又查明已根据合同规定预先通知了责任方,则作业方在以书面形式正式通知责任方 48 小时后,可以进行下一道作业。 3:审查点 R :依据国家及行业有关法律法规、标准法律规范和承包合同,对承包单位报审的工程文件进行审核并签署意见。四:工程质量控制点的设置原则:1:质量控制点的设置以现行国家或行业工程施工质量验收法律规范、工程施工及验收法律规范中规定应检查的项目为依据。2:对产品的适用性(性能、精度、寿命、可靠性、安全性等)有严重影响的关键质量特性、关键部位和重要影响因素应设置质量控制点。3:对工艺有严格要求、对下道工序的工作有严重影响的关键部位或工序应设置质量控制点。4:所有隐蔽工程都是设置为质量控制点。5:对质量不稳定、容易出现不合格品的环节,应设置质量控制点。6 :可能对生产安全有严重影响的关键项目设置质量控制点。 五:质量检查与验收: A :分项质量检查:1 : 根据《工程质量管理方案》中规定的各管理层次对施工质量检查与验收活动进行监督管理的职责和权限,公司工程部应组织对工程项目各有关过程的质量检查和验收工作。对于承包责任范围内的施工项目所涉及的人员、活动、场所,明确各类检查的责任、频次、标准。2 :质量检查活动形成相关记录,根据《记录控制程序》管理。 3:公司各层级按策划的要求实施检查。B : 施工质量验收: 在所有单项工程验收、进货验证已完成且合格时,实施工程质量验收。 C :检验和试验要求:1:检验批质量验收,由项目专业质检员自检合格,监理工程师组织验收通过并共同签证...

1、当您付费下载文档后,您只拥有了使用权限,并不意味着购买了版权,文档只能用于自身使用,不得用于其他商业用途(如 [转卖]进行直接盈利或[编辑后售卖]进行间接盈利)。
2、本站所有内容均由合作方或网友上传,本站不对文档的完整性、权威性及其观点立场正确性做任何保证或承诺!文档内容仅供研究参考,付费前请自行鉴别。
3、如文档内容存在违规,或者侵犯商业秘密、侵犯著作权等,请点击“违规举报”。

碎片内容

光伏电站质量计划概要

办公文档专营+ 关注
实名认证
内容提供者

大量办公文档,欢迎选择

确认删除?
VIP
微信客服
  • 扫码咨询
会员Q群
  • 会员专属群点击这里加入QQ群
客服邮箱
回到顶部