电脑桌面
添加小米粒文库到电脑桌面
安装后可以在桌面快捷访问

总体测量方案

总体测量方案_第1页
1/16
总体测量方案_第2页
2/16
总体测量方案_第3页
3/16
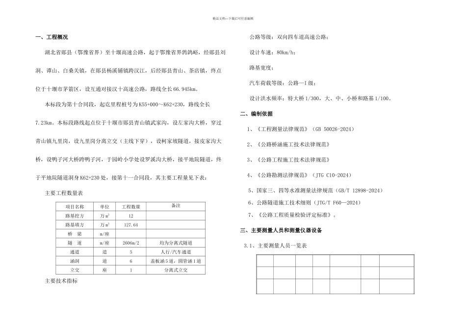
精品文档---下载后可任意编辑一、工程概况湖北省郧县(鄂豫省界)至十堰高速公路,起于鄂豫省界鹁鸽峪,经郧县刘洞、谭山、白桑关镇,在郧县杨溪铺镇跨汉江,后经郧县青山、茶店镇,终点位于十堰市茅箭区,设互通对接汉十高速公路,路线全长 66.945km。本标段为第十合同段,起讫里程桩号为 K55+000~K62+230,路线全长7.23km。本标段路线起点位于十堰市郧县青山镇武家沟,设左家沟大桥,穿过青山镇九里岗,设九里岗分离立交(主线下穿),设柯家坡隧道,接皮家沟大桥,设鸭子河大桥跨鸭子河,于园岭小学处设罗溪沟大桥,接平地院隧道,终于平地院隧道洞身 K62+230 处,接第十一合同段,其主要工程量见下表:主要工程数量表项目名称单位工程数量备注路基挖方万 m312路基填方万 m3127.64桥 梁m/座隧 道m/座2606m/2均为分离式隧道通道道5人行/汽车通道涵洞道6盖板涵 5 道,圆管涵 1 道立交座1分离式立交主要技术指标公路等级:双向四车道高速公路;设计车速:80km/h;路基宽度;汽车荷载等级:公路—I 级;设计洪水频率:特大桥 1/300,大、中、小桥和路基 1/100。二、编制依据1、《工程测量法律规范》(GB 50026-2024)2、《公路桥涵施工技术法律规范》3、《公路工程施工技术法律规范》4、《公路勘测法律规范》(JTG C10-2024)5、国家三、四等水准测量法律规范(GB/T 12898-2024)6、公路隧道施工技术细则(JTG/T F60—2024) 7、《公路工程质量检验评定标准》。三、主要测量人员和测量仪器设备3.1、主要测量人员一览表精品文档---下载后可任意编辑3.2、测量设备一览表序号仪器名称规格型号仪器编号仪器精度1全站仪Leica TC402761031±2",2mm+2ppm2全站仪SOKKIA SET2X101880±2",2mm+2ppm3水准仪 Leica NA2518080±4水准仪Leica NA25589449± 5水准仪苏一光 DSZ2217469±四、测量控制方案及作业流程4.1、首级控制网资料平面坐标和高程系统我标段使用的测量成果由业主委托湖北省交通规划设计院提供,其交桩测量点作为我标段的施工测量首级控制网点,成果中平面坐标成果采纳 1954 北京坐标系-3°、中央子午线为 111°00′00″、高斯投影面 300 米的坐标系,高程成果采纳 1985 国家高程基准(复测)系统。 4.1.2、交桩控制点成果点名横坐标纵坐标方位角标高备注mm° ′ ″mYS1573623850.9690 489227.3064 一级平面,四等高程YS1583623289.1430 489285.0490 一级平面,四等高程YS1593622944.9470 489306.1...

1、当您付费下载文档后,您只拥有了使用权限,并不意味着购买了版权,文档只能用于自身使用,不得用于其他商业用途(如 [转卖]进行直接盈利或[编辑后售卖]进行间接盈利)。
2、本站所有内容均由合作方或网友上传,本站不对文档的完整性、权威性及其观点立场正确性做任何保证或承诺!文档内容仅供研究参考,付费前请自行鉴别。
3、如文档内容存在违规,或者侵犯商业秘密、侵犯著作权等,请点击“违规举报”。

碎片内容

总体测量方案

您可能关注的文档

确认删除?
VIP
微信客服
  • 扫码咨询
会员Q群
  • 会员专属群点击这里加入QQ群
客服邮箱
回到顶部