电脑桌面
添加小米粒文库到电脑桌面
安装后可以在桌面快捷访问

抗菌树脂施工技术交底

抗菌树脂施工技术交底_第1页
1/3
抗菌树脂施工技术交底_第2页
2/3
抗菌树脂施工技术交底_第3页
3/3
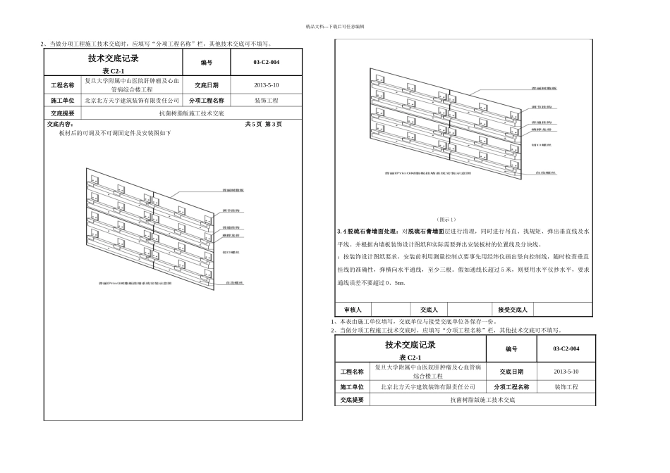
精品文档---下载后可任意编辑技术交底记录表 C2-1编号03-C2-004工程名称复旦大学附属中山医院肝肿瘤及心血管病综合楼工程交底日期2013-5-10施工单位北京北方天宇建筑装饰有限责任公司分项工程名称装饰工程交底提要抗菌树脂版施工技术交底交底内容: 共 5 页 第 1 页1、材料及主要机具主要材料抗菌树脂板:根据业主方及建设方要求和设计图纸规定,确定板材的颜色、花纹、厚度、和规格尺寸,并严格控制其各种的物理性能及化学性能。注:每平方米抗菌树脂板 11 公斤固定螺栓、连接铝制件、通长的横撑龙骨、通长的 T 型竖龙骨及配套的金属挂件、螺帽、垫圈及骨架固定的各种设计和安装所需要的连接件的质量,必须符合装饰设计说明规定及招标文件规定的要求。主要机具台钻、无齿切割锯、冲击钻、手枪钻、力矩扳手、开口扳手、长卷尺、盒尺、锤子、橡皮锤、靠尺、铝制水平尺、方尺、多用刀、铅丝、弹线用的粉线包、墨斗、小白线、笤帚、工具代、手套、红铅笔等。2、 作业条件抗菌树脂板尺寸及数量是否与排板图所规定是否一致,是否在运输到施工场地后与装饰公司下料单标注尺寸数量一致,是否在每块板的背后标注具体的应用部位及编号。下料单标注的板材的尺寸应为成品板面(不含缝隙)的实际尺寸,但在计算面积时,在板材的三个边缘应另加 10mm 的接缝卡槽的面积。2.2 处理脱硫石膏墙上墙体基层,并做好隐预检记录,合格后方可进行安装工序。2.3 水电及设备、墙上的其它的其它的电器、消防设施并已经完成,并已经做好隐预检验收,合格后可进行安装工序。3、 施工工艺清理脱硫石膏墙面 →现场测量脱硫石膏墙面的具体的尺寸→与排板图对应,核对尺寸及检查误差→调节板材的尺寸→寻找开线点弹线→根据排板图的已经调整的尺寸放全部纵向线→弹至少三根横向水平通线→弹每块板的具体位置线→弹出每个固定 L 型固定码位置点→打眼安装膨胀螺栓→固定审核人交底人接受交底人2、当做分项工程施工技术交底时,应填写“分项工程名称”栏,其他技术交底可不填写。技术交底记录表 C2-1编号03-C2-004工程名称复旦大学附属中山医院肝肿瘤及心血管病综合楼工程交底日期2013-5-10施工单位北京北方天宇建筑装饰有限责任公司分项工程名称装饰工程交底提要抗菌树脂版施工技术交底交底内容: 共 5 页 第 2 页通长横撑龙骨→安装板材上可调的挂片→同时撕去保护膜→安装板材。板材在从到岸→运输→加工→运输→进场以及装卸的过程中,必须要水平放在...

1、当您付费下载文档后,您只拥有了使用权限,并不意味着购买了版权,文档只能用于自身使用,不得用于其他商业用途(如 [转卖]进行直接盈利或[编辑后售卖]进行间接盈利)。
2、本站所有内容均由合作方或网友上传,本站不对文档的完整性、权威性及其观点立场正确性做任何保证或承诺!文档内容仅供研究参考,付费前请自行鉴别。
3、如文档内容存在违规,或者侵犯商业秘密、侵犯著作权等,请点击“违规举报”。

碎片内容

抗菌树脂施工技术交底

您可能关注的文档

确认删除?
VIP
微信客服
  • 扫码咨询
会员Q群
  • 会员专属群点击这里加入QQ群
客服邮箱
回到顶部