电脑桌面
添加小米粒文库到电脑桌面
安装后可以在桌面快捷访问

控制室装修施工方案

控制室装修施工方案_第1页
1/12
控制室装修施工方案_第2页
2/12
控制室装修施工方案_第3页
3/12
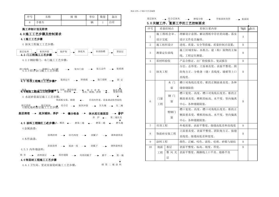
精品文档---下载后可任意编辑工程概况 21.1 概述 1 工程特点 1 编制依据 1 施工部署 2 吊顶所用的操作平台架已搭设完毕。 2 3.4 施工详细计划见附表 3 施工工艺步骤及控制要求 3 关键工序、重要工序的工艺控制要求 3 工艺过程各阶段的控制方法 Error: Reference source not found 分项工程的施工工艺 Error: Reference source not found 组织机构及过程各阶段的职责 12 成品保护措施 12 安全技术措施 12 文明施工 12 工程概况1.1 概述本工程为成都艾尔普气体产品有限公司 10 万 Nm3/年制氢装置(含合成气)项目,本方案针对控制室建筑装饰装修工程编制。本工程建筑物的主体在九月中旬已施工,在经过主体验收后即可进行装饰装修工程,从十二月下旬开始施工,整个过程需时三个半月左右。1 本工程工期紧,因此必须合理安排、有序组织,充分发挥我公司的优势和现有人力和物力资源。施工繁杂、用工量大且工期占用时间长、工序之间交叉作业多、高空作业周期长且安全管理点大面广等特点。控制室装修施工需要投入相当人力和措施材料。编制依据2.1 施工图设计要求2.2 施工质量计划2.3 类似工程施工方案2.4 标准、法律规范及有关技术规定《建筑装饰装修工程质量验收法律规范》 (GB50210-2001)《塑料门窗安装及验收规程》 (JGJ 103-96)《混凝土结构工程施工质量验收法律规范》 (GB50204-2024)《建筑地面工程施工质量验收法律规范》 (GB50209-2024)《建筑工程施工质量验收统一标准》 (GB50300-2001)《塑料门窗安装及验收规程》 (JGJ 103-96)《公共建筑卫生间图集》 (02J915)《轻钢龙骨内(隔)墙及隔断》 (03J502)《墙体节能建筑构造》 (06J123)精品文档---下载后可任意编辑《工程做法》 (05J909)《建筑工程资料管理规程》 (DB11/T695-202419)3.0 施工部署由于装饰装修工程所含工序繁杂,交叉作业多,施工周期长,施工时总体上按抹灰工程、门窗工程、吊顶和饰面砖工程、楼地面工程、涂刷工程、细部工程的顺序施工,在确需进行交叉作业的地方将合理组织施工,由专人负责施工。其中部分子分部工程将要组织平行施工。3.1.1 现场水、电供应满足施工条件3.1.2 材料准备如下表: 序 号材 料 明 细140 厚阻燃性激素聚苯乙烯泡沫塑料板2240mm 厚,强度 MU10 烧结多孔砖3240mm 厚非粘土实心砖4混合砂浆:M7.5,M105水泥砂浆:1:2(掺 3%重量的防水粉),1:36三元乙丙防...

1、当您付费下载文档后,您只拥有了使用权限,并不意味着购买了版权,文档只能用于自身使用,不得用于其他商业用途(如 [转卖]进行直接盈利或[编辑后售卖]进行间接盈利)。
2、本站所有内容均由合作方或网友上传,本站不对文档的完整性、权威性及其观点立场正确性做任何保证或承诺!文档内容仅供研究参考,付费前请自行鉴别。
3、如文档内容存在违规,或者侵犯商业秘密、侵犯著作权等,请点击“违规举报”。

碎片内容

控制室装修施工方案

您可能关注的文档

确认删除?
VIP
微信客服
  • 扫码咨询
会员Q群
  • 会员专属群点击这里加入QQ群
客服邮箱
回到顶部