电脑桌面
添加小米粒文库到电脑桌面
安装后可以在桌面快捷访问

数电数字电子钟课程设计

数电数字电子钟课程设计_第1页
1/5
数电数字电子钟课程设计_第2页
2/5
数电数字电子钟课程设计_第3页
3/5
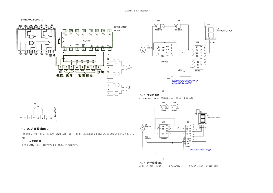
精品文档---下载后可任意编辑课 程 名 称 数字电子技术设计题目 数字电子钟的设计 所学专业名称生物医学工程 班 级 090313学 号 20241206 学生姓名赵林号 指导老师程方晓2024 年 12 月 31 日数字电子技术课程设计报告一、设计目的数字钟是一种用数字电路技术实现时、分、秒计时的装置,与机械式时钟相比具有更高的准确性和直观性,且无机械装置,具有更更长的使用寿命,因此得到了广泛的使用。数字钟从原理上讲是一种典型的数字电路,其中包括了组合逻辑电路和时序电路。因此,我们此次设计与制做数字钟就是为了了解数字钟的原理,从而学会制作数字钟.而且通过数字钟的制作进一步的了解各种在制作中用到的中小规模集成电路的作用及有用方法.且由于数字钟包括组合逻辑电路和时叙电路.通过它可以进一步学习与掌握各种组合逻辑电路与时序电路的原理与使用方法.二、设计要求(1)设计指标 ① 时间以 12 小时为一个周期;② 显示时、分、秒;③ 具有校时功能,可以分别对时及分进行单独校时,使其校正到标准时间;④ 计时过程具有报时功能,当时间到达整点前 10 秒进行蜂鸣报时;⑤ 为了保证计时的稳定及准确须由晶体振荡器提供表针时间基准信号。(2)设计要求① 画出电路原理图(或仿真电路图);② 元器件及参数选择;(3)制作要求: 自行装配和调试,并能发现问题和解决问题。(4)编写设计报告 写出设计与制作的全过程,附上有关资料和图纸,有心得体会。三、原理框图 1.数字钟的构成数字钟实际上是一个对标准频率(1HZ)进行计数的计数电路。由于计数的起始时间不可能与标准时间(如北京时间)一致,故需要在电路上加一个校时电路,同时标准的 1HZ 时间信号必须做到准确稳定。通常使用石英晶体振荡器电路构成数字钟。(a)数字钟组成框图2.晶体振荡器电路晶体振荡器电路给数字钟提供一个频率稳定准确的 32768 H z 的方波信号,可保证数字钟的走时准确及稳定。不管是指针式的电子钟还是数字显示的电子钟都使用了晶体振荡器电路。一般输出为方波的数字式晶体振荡器电路通常有两类,一类是用TTL门电路构成;另一类是通过CMOS非门构成的电路,本次设计采纳了后一种。如图(b)所示,由CMOS非门U1与晶体、电容和电阻构成晶体振荡器电路,U2实现整形功能,将振荡器输出的近似于正弦波的波形转换为较理想的方波。输出反馈电阻R1为非门提供偏置,使电路工作于放大区域,即非门的功能近似于一...

1、当您付费下载文档后,您只拥有了使用权限,并不意味着购买了版权,文档只能用于自身使用,不得用于其他商业用途(如 [转卖]进行直接盈利或[编辑后售卖]进行间接盈利)。
2、本站所有内容均由合作方或网友上传,本站不对文档的完整性、权威性及其观点立场正确性做任何保证或承诺!文档内容仅供研究参考,付费前请自行鉴别。
3、如文档内容存在违规,或者侵犯商业秘密、侵犯著作权等,请点击“违规举报”。

碎片内容

数电数字电子钟课程设计

您可能关注的文档

一二三四传媒+ 关注
实名认证
内容提供者

大量资料供您选择,没有合适的可以联系小二。

确认删除?
VIP
微信客服
  • 扫码咨询
会员Q群
  • 会员专属群点击这里加入QQ群
客服邮箱
回到顶部