电脑桌面
添加小米粒文库到电脑桌面
安装后可以在桌面快捷访问

文档混凝土课程设计单向板设计完整

文档混凝土课程设计单向板设计完整_第1页
1/19
文档混凝土课程设计单向板设计完整_第2页
2/19
文档混凝土课程设计单向板设计完整_第3页
3/19
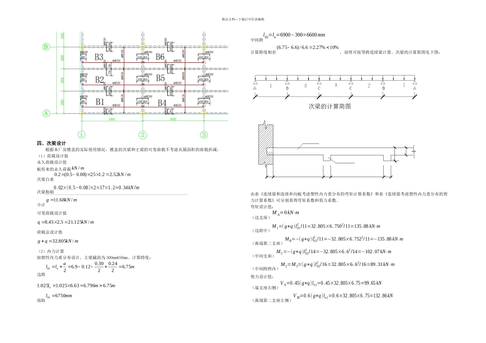
精品文档---下载后可任意编辑一、设计资料(1)楼面构造做法:采纳水泥砂浆楼面,即 10 厚 1:2 水泥砂浆面层;20 厚 1:3 水泥砂浆找平层;现浇钢筋混凝土楼面;20 厚混合砂浆粉刷。(2)材料:混凝土强度等级 C30;梁钢筋采纳 HRB335 级钢筋,板采纳 HPB300 级钢筋。二、楼盖的结构平面布置主梁沿横向布置,次梁沿纵向布置。主梁的跨度为 7.5m,次梁的跨度为 6.9m,主梁每跨内布置两根次梁,板的跨度为,, 21.025ln=2320mm故取中间跨l02=ln=2500−200=2300mm计算跨度差()/2.3=0.87%<10%,可按等跨连续板计算。取 1m 宽板带作为计算单元计算简图如下图。(3)弯矩设计值不考虑板拱作用截面弯矩的折减。根据连续梁和连续单向板考虑塑性内力重分布的弯矩计算系数表可查得:边支座 0;边跨中 1/11;离端第二支座-1/11;中间跨跨内 1/16;中间支座-1/14.故23202300230023002320g+q=12kN/m2KL2(3)300*65KL2(3)300*65KL2(3)300*65KL2(3)300*65KL2(3)300*65KL2(3)300*65L1(5)200*500L1(5)200*500KL1(5)200*500L1(5)200*500L1(5)200*500KL1(5)200*500L1(5)200*500L1(5)200*500KL1(5)200*500KL1(5)200*50076.25.2/9.6/ 0102...

1、当您付费下载文档后,您只拥有了使用权限,并不意味着购买了版权,文档只能用于自身使用,不得用于其他商业用途(如 [转卖]进行直接盈利或[编辑后售卖]进行间接盈利)。
2、本站所有内容均由合作方或网友上传,本站不对文档的完整性、权威性及其观点立场正确性做任何保证或承诺!文档内容仅供研究参考,付费前请自行鉴别。
3、如文档内容存在违规,或者侵犯商业秘密、侵犯著作权等,请点击“违规举报”。

碎片内容

文档混凝土课程设计单向板设计完整

人从众+ 关注
实名认证
内容提供者

欢迎光临小店,本店以公文和教育为主,希望符合您的需求。

确认删除?
VIP
微信客服
  • 扫码咨询
会员Q群
  • 会员专属群点击这里加入QQ群
客服邮箱
回到顶部