电脑桌面
添加小米粒文库到电脑桌面
安装后可以在桌面快捷访问

机械原理课程设计插床设计

机械原理课程设计插床设计_第1页
1/10
机械原理课程设计插床设计_第2页
2/10
机械原理课程设计插床设计_第3页
3/10
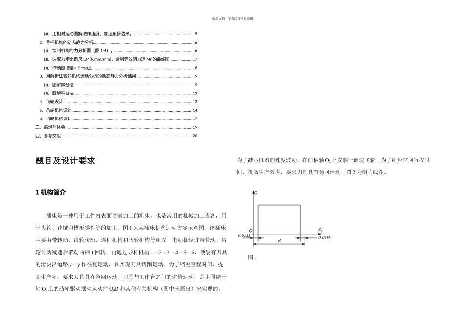
精品文档---下载后可任意编辑长 江 学 院 机械原理课程设计说明书设计题目:插床机构设计学院:机械与电子工程学院专业:班级:设计者:学号:指导老师:2024 年 7 月 1 日目录题目及设计要求......................................................................................................................21 机构简介...........................................................................................................................22 设计数据...........................................................................................................................3二、插床机构的设计内容与步骤...........................................................................................41、导杆机构的设计与运动分析.........................................................................................4⑴、设计导杆机构。......................................................................................................4⑵、作机构运动简图。...................................................................................................4⑶、作滑块的运动线图。...............................................................................................4精品文档---下载后可任意编辑⑷、用相对运动图解法作速度、加速度多边形。.......................................................52、导杆机构的动态静力分析.............................................................................................6⑴、绘制机构的力分析图(图 1-4)。.........................................................................6⑵、选取力矩比例尺 μM(N.mm/mm),绘制等效阻力矩 Mr 的曲线图.......................7⑶、作动能增量△E―φ 线。...........................................................................................83、用解析法较好机构运动分析的动态静力分析结果.....................................................9⑴、图解微分法..............................................................................................................9⑵、图解积分法...............................

1、当您付费下载文档后,您只拥有了使用权限,并不意味着购买了版权,文档只能用于自身使用,不得用于其他商业用途(如 [转卖]进行直接盈利或[编辑后售卖]进行间接盈利)。
2、本站所有内容均由合作方或网友上传,本站不对文档的完整性、权威性及其观点立场正确性做任何保证或承诺!文档内容仅供研究参考,付费前请自行鉴别。
3、如文档内容存在违规,或者侵犯商业秘密、侵犯著作权等,请点击“违规举报”。

碎片内容

机械原理课程设计插床设计

您可能关注的文档

确认删除?
VIP
微信客服
  • 扫码咨询
会员Q群
  • 会员专属群点击这里加入QQ群
客服邮箱
回到顶部