电脑桌面
添加小米粒文库到电脑桌面
安装后可以在桌面快捷访问

机械设计作业

机械设计作业_第1页
1/6
机械设计作业_第2页
2/6
机械设计作业_第3页
3/6
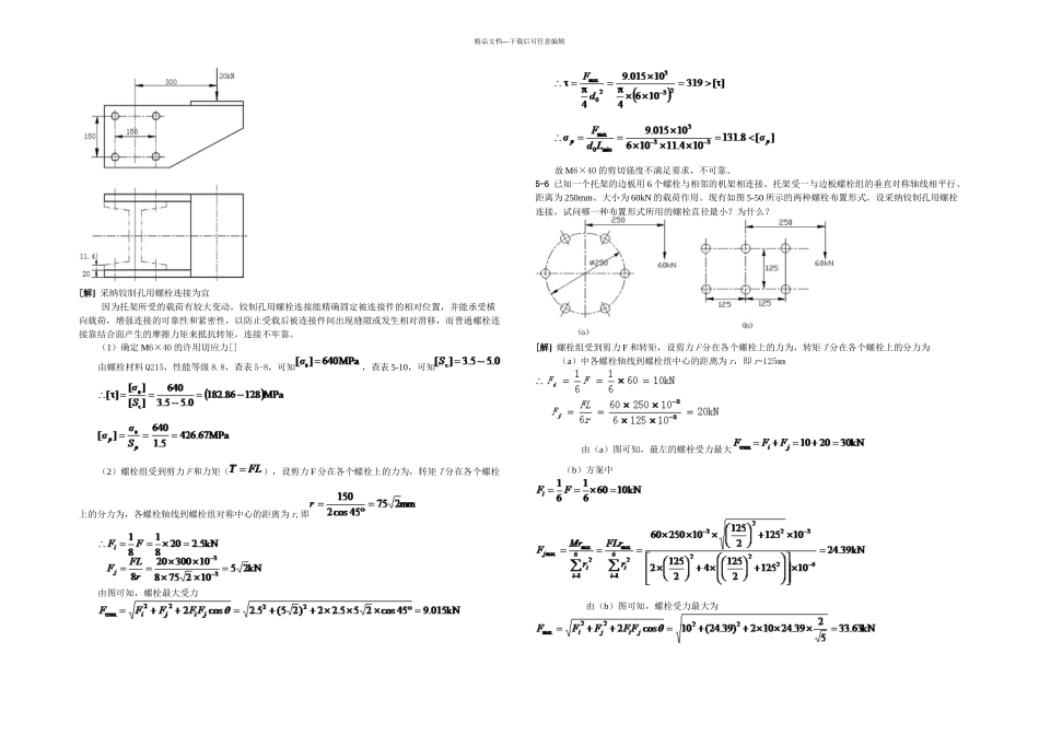
精品文档---下载后可任意编辑3-4 圆轴轴肩处的尺寸为:D=72mm,d=62mm,r=3mm。如用题 3-2 中的材料,设其强度极限 σB=420MPa,精车,弯曲,βq=1,试绘制此零件的简化等寿命疲劳曲线。[解] 因,,查附表 3-2,插值得,查附图 3-1 得,将所查值代入公式,即查附图 3-2,得;按精车加工工艺,查附图 3-4,得,已知,则根据按比例绘出该零件的极限应力线图如下图5-2 将承受轴向变载荷的联接螺栓的光杆部分做得细些有什么好处?答:可以减小螺栓的刚度,从而提高螺栓联接的强度。5-4 图 5-49 所示的底板螺栓组联接受外力 FΣ 作用在包含 x 轴并垂直于底板接合面的平面内。试分析底板螺栓组的受力情况,并推断哪个螺栓受力最大?堡证联接安全工作的必要条件有哪些?5-5 图 5-49 是由两块边板和一块承重板焊接的龙门起重机导轨托架。两块边板各用 4 个螺栓与立柱相连接,托架所承受的最大载荷为 20kN,载荷有较大的变动。试问:此螺栓连接采纳普通螺栓连接还是铰制孔用螺栓连接为宜?为什么?Q215,若用 M6×40 铰孔用螺栓连接,已知螺栓机械性能等级为 8.8,校核螺栓连接强度。精品文档---下载后可任意编辑[解] 采纳铰制孔用螺栓连接为宜 因为托架所受的载荷有较大变动,铰制孔用螺栓连接能精确固定被连接件的相对位置,并能承受横向载荷,增强连接的可靠性和紧密性,以防止受载后被连接件间出现缝隙或发生相对滑移,而普通螺栓连接靠结合面产生的摩擦力矩来抵抗转矩,连接不牢靠。(1)确定 M6×40 的许用切应力[]由螺栓材料 Q215,性能等级 8.8,查表 5-8,可知,查表 5-10,可知(2)螺栓组受到剪力 F 和力矩(),设剪力 F 分在各个螺栓上的力为,转矩 T 分在各个螺栓上的分力为,各螺栓轴线到螺栓组对称中心的距离为 r,即由图可知,螺栓最大受力故 M6×40 的剪切强度不满足要求,不可靠。5-6 已知一个托架的边板用 6 个螺栓与相邻的机架相连接。托架受一与边板螺栓组的垂直对称轴线相平行、距离为 250mm、大小为 60kN 的载荷作用。现有如图 5-50 所示的两种螺栓布置形式,设采纳铰制孔用螺栓连接,试问哪一种布置形式所用的螺栓直径最小?为什么?[解] 螺栓组受到剪力 F 和转矩,设剪力 F 分在各个螺栓上的力为,转矩 T 分在各个螺栓上的分力为 (a)中各螺栓轴线到螺栓组中心的距离为 r,即 r=125mm 由(a)图可知,最左的螺栓受力最大 (b)方案中 由(b)图可知,螺栓受力...

1、当您付费下载文档后,您只拥有了使用权限,并不意味着购买了版权,文档只能用于自身使用,不得用于其他商业用途(如 [转卖]进行直接盈利或[编辑后售卖]进行间接盈利)。
2、本站所有内容均由合作方或网友上传,本站不对文档的完整性、权威性及其观点立场正确性做任何保证或承诺!文档内容仅供研究参考,付费前请自行鉴别。
3、如文档内容存在违规,或者侵犯商业秘密、侵犯著作权等,请点击“违规举报”。

碎片内容

机械设计作业

一帆文传+ 关注
实名认证
内容提供者

欢迎光临店铺,各类公文供您挑选。

确认删除?
VIP
微信客服
  • 扫码咨询
会员Q群
  • 会员专属群点击这里加入QQ群
客服邮箱
回到顶部