电脑桌面
添加小米粒文库到电脑桌面
安装后可以在桌面快捷访问

机械设计设计说明书

机械设计设计说明书_第1页
1/27
机械设计设计说明书_第2页
2/27
机械设计设计说明书_第3页
3/27
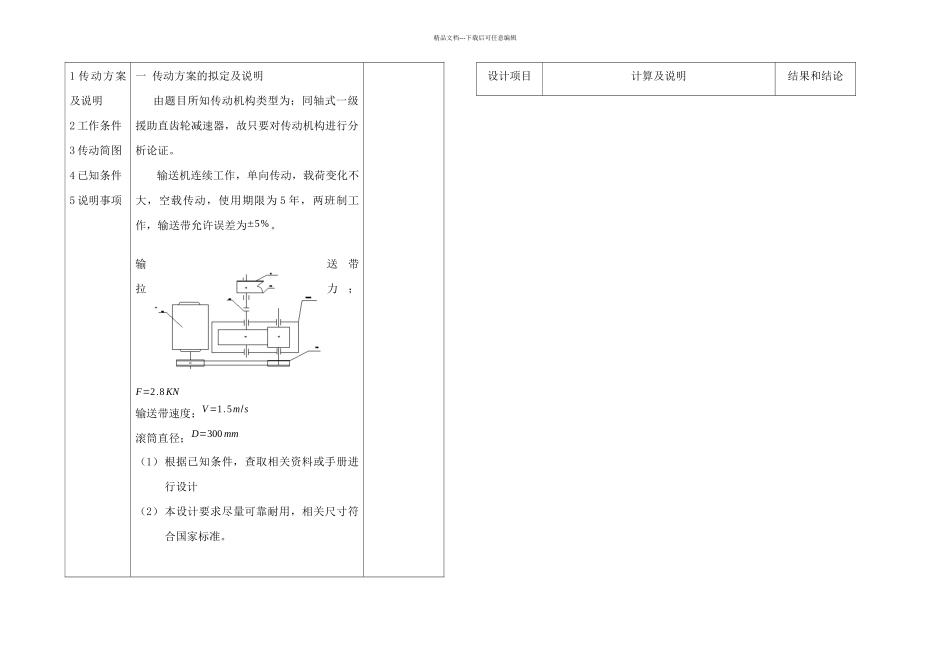
精品文档---下载后可任意编辑说明书 设计题目:单级圆柱齿轮减速器 班 级:机 制 3089 姓 名:马明祺 柯振坤 张新强呼少辉 李 刚 指导老师:陈长秀 完成日期:2010 年 1 月 1 日 陕西国防工职业技术学院前 言本说明书是根据本次课程设计大赛—— 单级直齿圆柱齿轮减速器所编写的。针对该减速器的工作性能以及结构特点,做了详尽的说明,其主要内容根据机械的受力分析,承载能力,结构,工作原理分析,零件审计等内容进行系统而科学的安排。结合单级圆柱齿轮减速器即有很强的理论性又有很强的时间性等特点。本说明书不但进行了大量的有针对性的计算校核工作还进行了详尽的说明以及对一些零部件或某部件的受力分析,还给出了形象的图示。本说明书紧密结合《机械设计基础》《机械零件课程设计》等资料书。在机设老师的指导下,给予了很大的帮助,完成此项设计。采纳最新的国家标准,因此紧密性有所提高。由于设计者知识水平有限,设计时间又紧张,因此在设计过程中不免存在诸多不足,甚至于错漏的地方,以及造成的不便,请观者谅解,希望老师和同学给出批判和指正及您的宝贵意见,谢谢。 机械工程系 专 业 :机械制造与自动化目 录一 传动方案的拟定及说明二 减速器的结构与性能介绍三 带传动的设计计算四 齿轮的设计计算及结构说明五 轴的设计计算及校核六 滚动轴承的选择七 键的选择及校核八 联轴器的选择九 减速器附件的选择及简要说明十 减速器润滑方式,密封形式,润滑油牌号及用量的简 要说明十一 箱体主要结构尺寸的计算设计项目计算及说明结果结论精品文档---下载后可任意编辑1 传动方案及说明2 工作条件3 传动简图4 已知条件5 说明事项一 传动方案的拟定及说明 由题目所知传动机构类型为;同轴式一级援助直齿轮减速器,故只要对传动机构进行分析论证。输送机连续工作,单向传动,载荷变化不大,空载传动,使用期限为 5 年,两班制工作,输送带允许误差为±5%。输送带拉力;F=2.8 KN输送带速度;V=1.5m/s滚筒直径;D=300 mm(1)根据已知条件,查取相关资料或手册进行设计 (2)本设计要求尽量可靠耐用,相关尺寸符合国家标准。设计项目计算及说明结果和结论精品文档---下载后可任意编辑6 其它事项7 计算要求(3)可靠性 合理性 经济性。1.使结构简单,尺寸紧凑,加工方便成本低廉。要有目地保证重点要求(4) 装配图,零件图的绘制要正确符合机械制图的画法,并且纸张保持干净机械零...

1、当您付费下载文档后,您只拥有了使用权限,并不意味着购买了版权,文档只能用于自身使用,不得用于其他商业用途(如 [转卖]进行直接盈利或[编辑后售卖]进行间接盈利)。
2、本站所有内容均由合作方或网友上传,本站不对文档的完整性、权威性及其观点立场正确性做任何保证或承诺!文档内容仅供研究参考,付费前请自行鉴别。
3、如文档内容存在违规,或者侵犯商业秘密、侵犯著作权等,请点击“违规举报”。

碎片内容

机械设计设计说明书

您可能关注的文档

确认删除?
VIP
微信客服
  • 扫码咨询
会员Q群
  • 会员专属群点击这里加入QQ群
客服邮箱
回到顶部