电脑桌面
添加小米粒文库到电脑桌面
安装后可以在桌面快捷访问

钢筋砼结构施工及验收规范

钢筋砼结构施工及验收规范_第1页
1/8
钢筋砼结构施工及验收规范_第2页
2/8
钢筋砼结构施工及验收规范_第3页
3/8
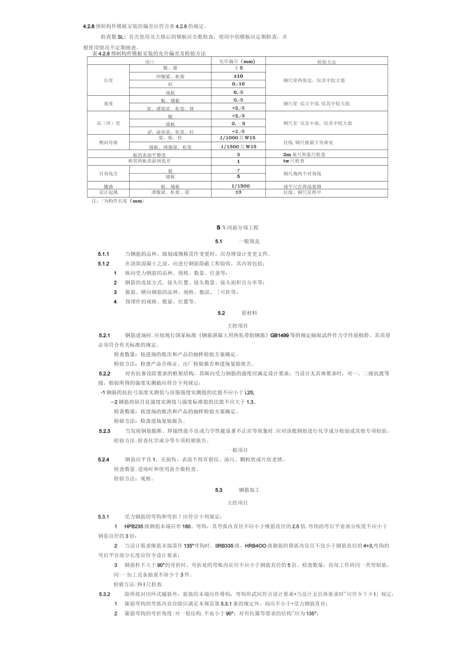
4.2 模板安装主控项目4.2.1 安装现浇结构的上层模板及其支架吋,下层楼板应具有承受上层荷载的承载能力,或加设支架;上、下层支架的立柱应对准,并铺设垫板。检査数量:全数检查。检验方法:对照模板设计文件和施工技术方案观察。4.2.2 在涂刷模板隔离剂吋,不得沾污钢筋和混凝上接槎处。检査数量:全数检査。检验方法:观察。一般项目4.2.3 模板安装应满足下列要求:1 模板的接缝不应漏浆;在浇筑混凝土前,木模板应浇水湿润,但模板内不应有积水;2 模板与混凝土的接触面应清理干净并涂刷隔离剂,但不得采用彩响结构性能或妨碍装饰工程施工的隔离剂;3 浇筑混凝土前,模板内的杂物应清理干净;4 对清水混凝土工程及装饰混凝上工程,应使用能达到设计效果的模板。检査数量:全数检査。检验方法:观察。4.2.4用作模板的地坪、胎模等应平整光洁,不得产生影响构件质最的下沉、裂缝、起砂或起鼓。检査数量:全数检査。检验方法:观察。4.2.5对跨度不小于 4m 的现浇钢筋混凝土梁、板,其模板应按设计要求起拱;当设计无具体要求时,起拱高度宜为跨度的 1/1000〜3/1000。检査数量:在同一检验批内,对梁,应抽査构件数量的 10%,且不少于 3 件:对板,应按有代表性的自然间抽査 10%,且不少于 3 间;对大空间结构,板可按纵、横轴线划分检査面,抽査 10%,且不少于 3 面。检验方法:水准仪或拉线、钢尺检査。4.2.6固定在模板上的预埋件、预留孔和预留洞均不得遗漏,口应安装牢固,其偏差应符合表 4.2.6 的规定。检査数绘:在同一检验批内,对梁、柱和独立基础,应抽査构件数量的 10%,且不少于 3 件;对墙和板,应按有代表性的自然间抽査 10%,且不少于 3 间:对大空间结构,墙可按相邻轴线间高度 5m 左右划分检査面,板可按纵横轴线划分检森面,抽查 10%,月均不少于 3 面。检验方法:钢尺检査。4.2.7现浇结构模板安装的偏差应符合表 4.2.7 的规定。检査数量:在同一检验批内,对梁、柱和独立基础,应抽査构件数量的 10%,且不少于 3 件;对墙和板,应按有代表性的自然间抽査 10%,且不少于 3 间;对大空间结构,墙可按相邻轴线间高度 5m 左右划分检査面,板可按纵、横轴线划分检查面,抽査 10%,且均不少于 3 面。表 4.2.6 预埋件和预留孔洞的允许偏差项目允许偏差(mm)预埋钢板屮心线位置3预埋管、预留孔中心线位置3插筋中心线位置5外爲长度+10,0预埋螺栓中心线位遏2外露长度+10,0预留洞中心线位置10尺寸+10,0注:检査中心...

1、当您付费下载文档后,您只拥有了使用权限,并不意味着购买了版权,文档只能用于自身使用,不得用于其他商业用途(如 [转卖]进行直接盈利或[编辑后售卖]进行间接盈利)。
2、本站所有内容均由合作方或网友上传,本站不对文档的完整性、权威性及其观点立场正确性做任何保证或承诺!文档内容仅供研究参考,付费前请自行鉴别。
3、如文档内容存在违规,或者侵犯商业秘密、侵犯著作权等,请点击“违规举报”。

碎片内容

钢筋砼结构施工及验收规范

确认删除?
VIP
微信客服
  • 扫码咨询
会员Q群
  • 会员专属群点击这里加入QQ群
客服邮箱
回到顶部