电脑桌面
添加小米粒文库到电脑桌面
安装后可以在桌面快捷访问

模拟低通滤波器的设计

模拟低通滤波器的设计_第1页
1/3
模拟低通滤波器的设计_第2页
2/3
模拟低通滤波器的设计_第3页
3/3
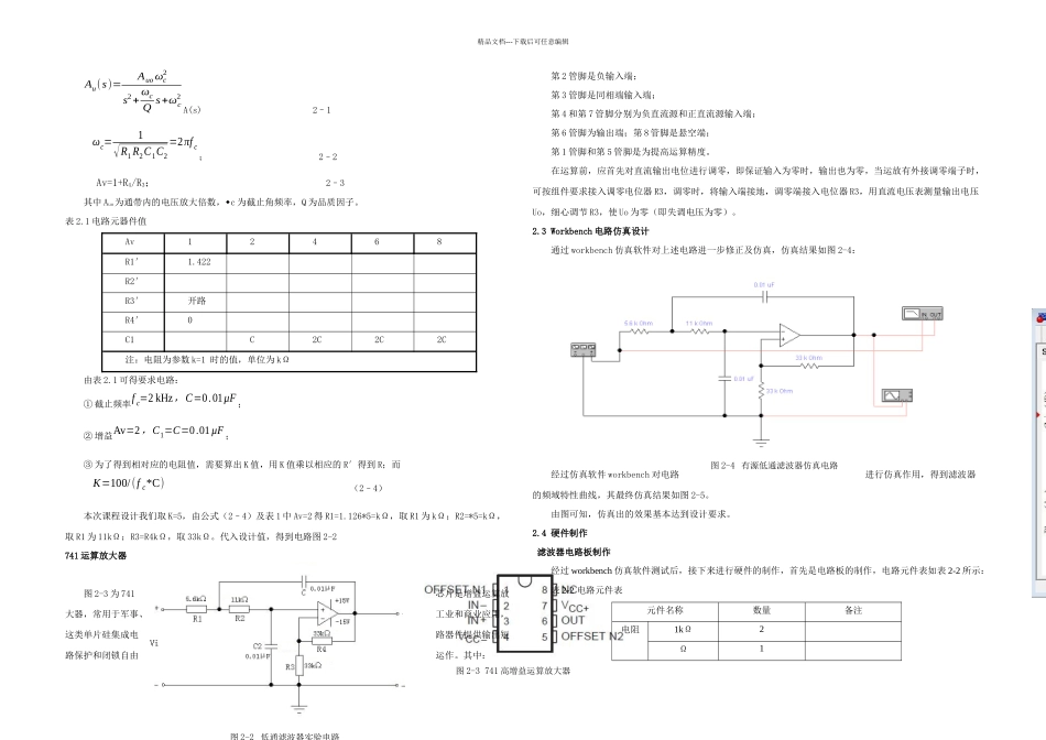
精品文档---下载后可任意编辑1.掌握有源滤波器和无源滤波器设计方法和过程。2.要求设计一个有源二阶的低通滤波器,其设计指标为:最高截止频率为 2KHz,通带电压放大倍数为 2,在频率为 10KHz 时,幅度衰减大于 30dB。3.熟练运用仿真软件(workbench 或 multisim)设计和仿真电路。4.对其设计电路进行仿真并利用相应元件搭建电路。5.结合现有仪器仪表进行系统调试。6.掌握理论联系实践的方法。2 课程设计实施设计任务及要求要求设计一个有源二阶的低通滤波器,其设计指标为:最高截止频率为 2KHz,通带电压放大倍数为 2,在频率为 10KHz 时,幅度衰减大于 30dB。2.2 滤波器的设计原理及元器件的选择2.2.1 滤波器介绍滤波器是一种能使有用信号通过,滤除信号中的无用频率,即抑制无用信号的电子装置。有源滤波器实际上是一种具有特定频率响应的放大器。低通滤波器是一个通过低频信号而衰减或抑制高频信号的部件。理想滤波器电路的频响在通带内应具有一定幅值和线性相移,而在阻带内其幅值应为零,但实际滤波器不能达到理想要求。为了寻找最佳的近似理想特性,一般主要考虑滤波器的幅频响应,而不考虑相频响应,一般来说,滤波器的幅频特性越好,其相频特性越差,反之亦然。滤波器的阶数越高,幅频特性衰减的速率越快,但 RC 网络节数越多,元件参数计算就会越繁琐,电路的调试越困难,任何高阶滤波器都可由一阶和二阶滤波器级联而成,而对于 n 为偶数的高阶滤波器,可以由n2 节二阶滤波器级联而成;而 n 为奇数的高阶滤波器可以由n−12节二阶滤波器和一节一阶滤波器级联而成,因此一阶滤波器和二阶滤波器是高阶滤波器的基础。.2 有源滤波器的设计有源滤波器的设计,就是根据所给定的指标要求,确定滤波器的阶数 n,选择具体的电路形式,算出电路中各元件的具体数值,安装电路和调试,使设计的滤波器满足指标要求,具体步骤如下:(1)根据阻带衰减速率要求,确定滤波器的阶数 n。(2)选择具体的电路形式。(3)根据电路的传递函数和归一化滤波器传递函数的分母多项式,建立起系数的方程组。(4)解方程组求出电路中元件的具体数值。(5)安装电路并进行调试,使电路的性能满足指标要求。2.2.3 滤波器类型的选择分析根据课设要求,我们选择巴特沃斯(butterworth)滤波电路。巴特沃斯滤波器的幅频响应在通带中具有最平幅度特性,但是通带到阻带衰减较慢。由于要求为 30dB/十倍频程,选择二阶有源低通滤波器电路,...

1、当您付费下载文档后,您只拥有了使用权限,并不意味着购买了版权,文档只能用于自身使用,不得用于其他商业用途(如 [转卖]进行直接盈利或[编辑后售卖]进行间接盈利)。
2、本站所有内容均由合作方或网友上传,本站不对文档的完整性、权威性及其观点立场正确性做任何保证或承诺!文档内容仅供研究参考,付费前请自行鉴别。
3、如文档内容存在违规,或者侵犯商业秘密、侵犯著作权等,请点击“违规举报”。

碎片内容

模拟低通滤波器的设计

您可能关注的文档

确认删除?
VIP
微信客服
  • 扫码咨询
会员Q群
  • 会员专属群点击这里加入QQ群
客服邮箱
回到顶部