电脑桌面
添加小米粒文库到电脑桌面
安装后可以在桌面快捷访问

模板施工方案修改

模板施工方案修改_第1页
1/5
模板施工方案修改_第2页
2/5
模板施工方案修改_第3页
3/5
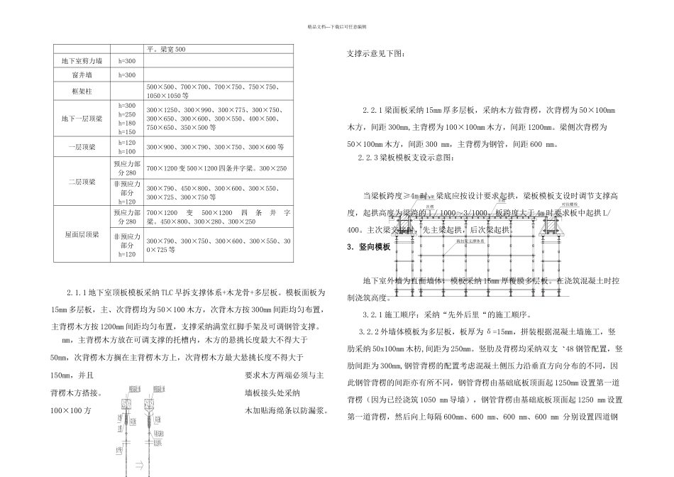
基础施工方案编制单位:中 铁 十 二 局 集 团编制人员:审 核:审 批:编制时间:目 录1、工程概况……………………………………………………22、平面结构模板………………………………………………33、竖向模板……………………………………………………64、质量保证要求………………………………………………145、安全注意事项………………………………………………16模板工程施工方案1.工程概况中国铁建•江湾山语城二期一标工程位于广西南宁市邕宁区江湾路 7 号,建设规模:总建筑总面积:89493m2,其中地下建筑面积为 33665m2,地上建筑面积为55828m2;。包含 4#、5#、6#、7#、13#、14#、15#、16#、17#、18#楼和地下车库。其中 4#楼 m2、6+1 层;5#楼 m2,6+1 层;6#楼 m2,6+1 层;7#楼 m2,6+1 层;13#楼 m2,6+1 层;14#楼 m2,6+1 层;15#楼 m2,6+1 层;16#楼 9266.4㎡,18层;17#楼 3215.29,9+1 层;18#楼 3255.43㎡,9+1 层;19#楼 7678.94㎡,11+1 层;地下车库 32188.34㎡,1 层。主体为框剪结构,基础为筏板基础、独立基础、桩基础,基础底标高 77.56 米-83.45 米。部位及模板形式墙、板、柱用 15mm 厚覆膜多层板配置数量3000㎡模板配置应满足小节拍均衡流水的需要和施工缝要求,保证各工序合理衔接,模板应能够有效周转。2.平面结构模板本工程模板有:顶板模板和粱板模板两种。部分板厚是:基础底板:400mm;顶板:250mm、180mm、150mm、120mm、100mm 等。主要构件尺寸如下表部 位板 厚梁断面尺寸基础底板h=400反梁高度 1050、1000、1850 等梁底与筏板底部位/模板形式多层木模板定型大钢模板砖胎模基础底板侧模√筏板反梁√顶板、梁、楼梯√地下室墙√框架柱√门窗洞口√钢筋混凝土板多层板水平杆可调底座立杆主楞次楞早拆式碗扣架支撑头钢筋混凝土板多层板精品文档---下载后可任意编辑平。梁宽 500地下室剪力墙h=300窗井墙h=300框架柱500×500、700×700、700×750、750×750、1050×1050 等地下一层顶梁h=300h=250h=180h=150300×1250、300×990、300×775、300×750、300×650、300×600、300×550、400×500、750×650、350×500 等一层顶梁h=120h=100300×900、300×790、300×750、300×600 等二层顶梁预应力部分 280700×1200 变 500×1200 四条井字梁。300×250非预应力部分h=120300×790、450×800、300×600、300×550、300×725、300×750 等屋面层顶梁预应...

1、当您付费下载文档后,您只拥有了使用权限,并不意味着购买了版权,文档只能用于自身使用,不得用于其他商业用途(如 [转卖]进行直接盈利或[编辑后售卖]进行间接盈利)。
2、本站所有内容均由合作方或网友上传,本站不对文档的完整性、权威性及其观点立场正确性做任何保证或承诺!文档内容仅供研究参考,付费前请自行鉴别。
3、如文档内容存在违规,或者侵犯商业秘密、侵犯著作权等,请点击“违规举报”。

碎片内容

模板施工方案修改

文旅传媒+ 关注
实名认证
内容提供者

传播文化,成就未来

确认删除?
VIP
微信客服
  • 扫码咨询
会员Q群
  • 会员专属群点击这里加入QQ群
客服邮箱
回到顶部