电脑桌面
添加小米粒文库到电脑桌面
安装后可以在桌面快捷访问

食品有限公司B标段综合楼模板拆除工程检验批质量验收记录表VIP免费

食品有限公司B标段综合楼模板拆除工程检验批质量验收记录表_第1页
1/39
食品有限公司B标段综合楼模板拆除工程检验批质量验收记录表_第2页
2/39
食品有限公司B标段综合楼模板拆除工程检验批质量验收记录表_第3页
3/39
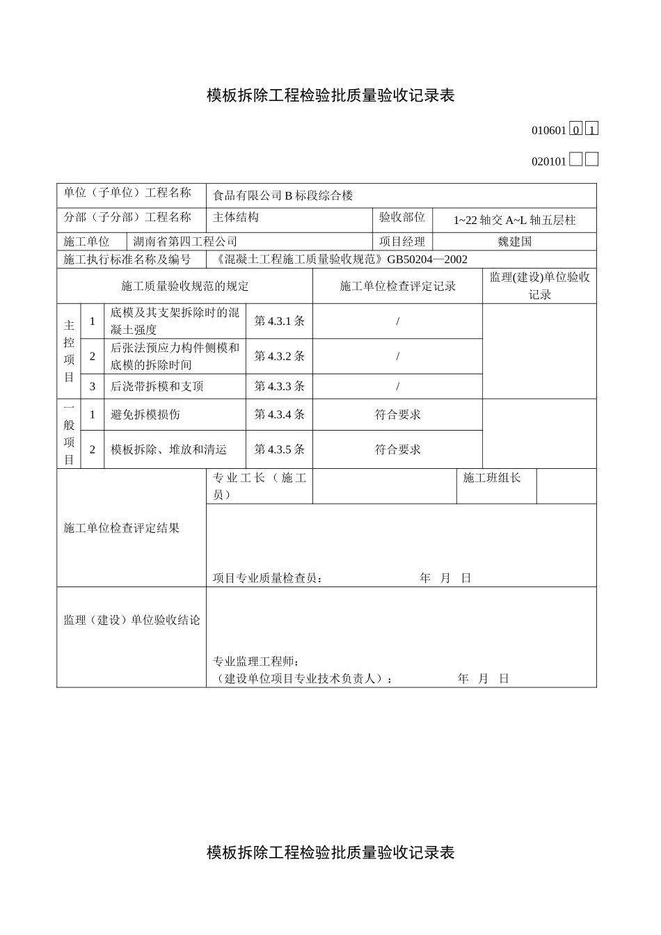
模板拆除工程检验批质量验收记录表01060101020101单位(子单位)工程名称食品有限公司B标段综合楼分部(子分部)工程名称主体结构验收部位1~22轴交A~L轴五层柱施工单位湖南省第四工程公司项目经理魏建国施工执行标准名称及编号《混凝土工程施工质量验收规范》GB50204—2002施工质量验收规范的规定施工单位检查评定记录监理(建设)单位验收记录主控项目1底模及其支架拆除时的混凝土强度第4.3.1条/2后张法预应力构件侧模和底模的拆除时间第4.3.2条/3后浇带拆模和支顶第4.3.3条/一般项目1避免拆模损伤第4.3.4条符合要求2模板拆除、堆放和清运第4.3.5条符合要求施工单位检查评定结果专业工长(施工员)施工班组长项目专业质量检查员:年月日监理(建设)单位验收结论专业监理工程师:(建设单位项目专业技术负责人):年月日模板拆除工程检验批质量验收记录表GB50204-2002(Ⅲ)01060102020101单位(子单位)工程名称星沙律师事务所律师公寓楼分部(子分部)工程名称地基与基础验收部位基础圈梁16~1轴施工单位湖南星大建筑股份有限公司项目经理易兴伟施工执行标准名称及编号GB50204—2002施工质量验收规范的规定施工单位检查评定记录监理(建设)单位验收记录主控项目1底模及其支架拆除时的混凝土强度第4.3.1条合格2后张法预应力构件侧模和底模的拆除时间第4.3.2条/3后浇带拆模和支顶第4.3.3条/一般项目1避免拆模损伤第4.3.4条符合要求2模板拆除、堆放和清运第4.3.5条符合要求施工单位检查评定结果专业工长(施工员)施工班组长主控项目全部合格、一般项目符合设计及规范要求项目专业质量检查员:年月日监理(建设)单位验收结论专业监理工程师:(建设单位项目专业技术负责人):年月日模板拆除工程检验批质量验收记录表GB50204-2002(Ⅲ)01060102020101单位(子单位)工程名称星沙律师事务所律师公寓楼分部(子分部)工程名称主体验收部位架空层构造柱施工单位湖南星大建筑股份有限公司项目经理易兴伟施工执行标准名称及编号GB50204—2002施工质量验收规范的规定施工单位检查评定记录监理(建设)单位验收记录主控项目1底模及其支架拆除时的混凝土强度第4.3.1条合格2后张法预应力构件侧模和底模的拆除时间第4.3.2条/3后浇带拆模和支顶第4.3.3条/一般项目1避免拆模损伤第4.3.4条符合要求2模板拆除、堆放和清运第4.3.5条符合要求施工单位检查评定结果专业工长(施工员)施工班组长主控项目全部合格、一般项目符合设计及规范要求项目专业质量检查员:年月日监理(建设)单位验收结论专业监理工程师:(建设单位项目专业技术负责人):年月日模板拆除工程检验批质量验收记录表GB50204-2002(Ⅲ)01060104020101单位(子单位)工程名称星沙律师事务所律师办公楼分部(子分部)工程名称地基与基础验收部位基础承台1a~8a交A1~A5施工单位湖南星大建筑股份有限公司项目经理易兴伟施工执行标准名称及编号GB50204—2002施工质量验收规范的规定施工单位检查评定记录监理(建设)单位验收记录主控项目1底模及其支架拆除时的混凝土强度第4.3.1条合格2后张法预应力构件侧模和底模的拆除时间第4.3.2条3后浇带拆模和支顶第4.3.3条一般项目1避免拆模损伤第4.3.4条符合要求2模板拆除、堆放和清运第4.3.5条符合要求施工单位检查评定结果专业工长(施工员)施工班组长主控项目全部合格、一般项目符合设计及规范要求项目专业质量检查员:年月日监理(建设)单位验收结论专业监理工程师:(建设单位项目专业技术负责人):年月日模板拆除工程检验批质量验收记录表GB50204-2002(Ⅲ)01060105020101单位(子单位)工程名称星沙律师事务所律师办公楼分部(子分部)工程名称地基与基础验收部位基础承台5a~8a交A9~A13施工单位湖南星大建筑股份有限公司项目经理易兴伟施工执行标准名称及编号GB50204—2002施工质量验收规范的规定施工单位检查评定记录监理(建设)单位验收记录主控项目1底模及其支架拆除时的混凝土强度第4.3.1条合格2后张法预应力构件侧模和底模的拆除时间第4.3.2条3后浇带拆模和支顶第4.3.3条一般项目1避免拆模损伤第4.3.4条符合要求2模板拆除、堆放和清运第4.3.5条符合要求施工单位检查评定结果专业工长...

1、当您付费下载文档后,您只拥有了使用权限,并不意味着购买了版权,文档只能用于自身使用,不得用于其他商业用途(如 [转卖]进行直接盈利或[编辑后售卖]进行间接盈利)。
2、本站所有内容均由合作方或网友上传,本站不对文档的完整性、权威性及其观点立场正确性做任何保证或承诺!文档内容仅供研究参考,付费前请自行鉴别。
3、如文档内容存在违规,或者侵犯商业秘密、侵犯著作权等,请点击“违规举报”。

碎片内容

食品有限公司B标段综合楼模板拆除工程检验批质量验收记录表

您可能关注的文档

确认删除?
VIP
微信客服
  • 扫码咨询
会员Q群
  • 会员专属群点击这里加入QQ群
客服邮箱
回到顶部