电脑桌面
添加小米粒文库到电脑桌面
安装后可以在桌面快捷访问

外墙面漆报验申请表VIP免费

外墙面漆报验申请表_第1页
1/23
外墙面漆报验申请表_第2页
2/23
外墙面漆报验申请表_第3页
3/23
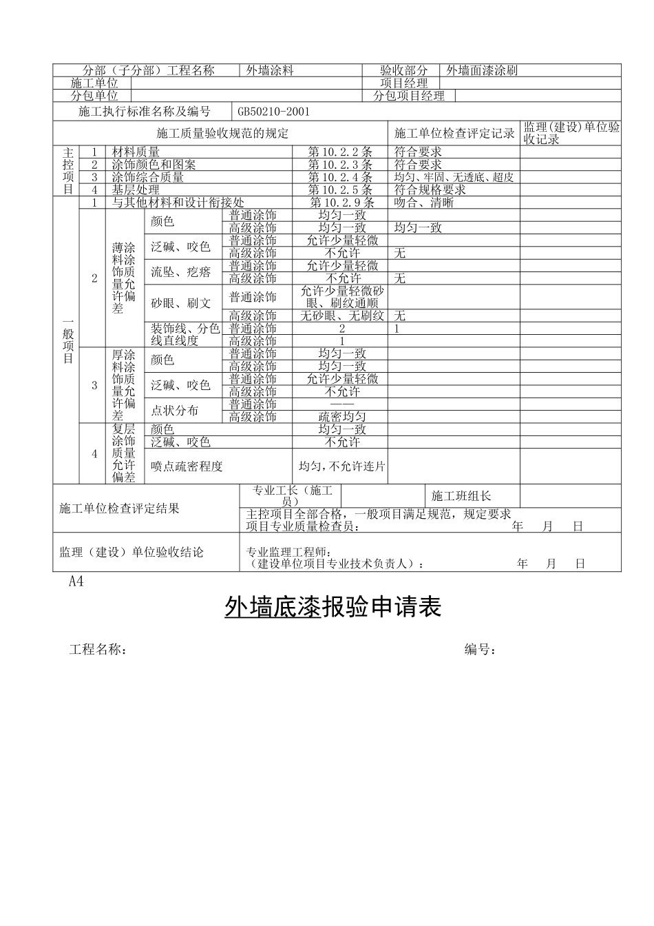
A4外墙面漆报验申请表工程名称:编号:致:(监理单位)我单位已完成了工作,现报上该工程报验申请表,请予以审查和验收。附件:1、水性涂料涂饰工程检验批质量验收记录2、隐蔽工程验收记录承包单位(章):项目经理:日期:审查意见:项目监理机构专业监理工程师日期隐蔽工程验收记录单位(子单位)工程名称分部(子分部)工程名称外墙涂料分项工程名称32栋外墙涂料涂刷施工单位项目经理分包单位分包项目经理施工执行标准名称及编号GB502010-2001验收部位32栋外墙面漆涂刷1.隐蔽工程内容:外墙基层腻子批刮打底外墙基层腻子批刮盖面外墙底漆涂刷外墙第一道面漆涂刷外墙第二道面漆涂刷2.隐蔽工程图示:3.验收结构:施工单位项目专业质量检查员:工程项目技术负责人:年月日监理建设单位专业监理工程师:(建设单位项目专业技术负责人):年月日水性涂料涂饰工程检验批质量验收记录表GB50210—2001030801□□单位(子单位)工程名称外墙基层腻子批刮打底外墙基层腻子批刮盖面外墙底漆涂刷第一道面漆涂刷第二道面漆涂刷分部(子分部)工程名称外墙涂料验收部分外墙面漆涂刷施工单位项目经理分包单位分包项目经理施工执行标准名称及编号GB50210-2001施工质量验收规范的规定施工单位检查评定记录监理(建设)单位验收记录主控项目1材料质量第10.2.2条符合要求2涂饰颜色和图案第10.2.3条符合要求3涂饰综合质量第10.2.4条均匀、牢固、无透底、超皮4基层处理第10.2.5条符合规格要求一般项目1与其他材料和设计衔接处第10.2.9条吻合、清晰2薄涂料涂饰质量允许偏差颜色普通涂饰均匀一致高级涂饰均匀一致均匀一致泛碱、咬色普通涂饰允许少量轻微高级涂饰不允许无流坠、疙瘩普通涂饰允许少量轻微高级涂饰不允许无砂眼、刷文普通涂饰允许少量轻微砂眼、刷纹通顺高级涂饰无砂眼、无刷纹无装饰线、分色线直线度普通涂饰21高级涂饰13厚涂料涂饰质量允许偏差颜色普通涂饰均匀一致高级涂饰均匀一致泛碱、咬色普通涂饰允许少量轻微高级涂饰不允许点状分布普通涂饰——高级涂饰疏密均匀4复层涂饰质量允许偏差颜色均匀一致泛碱、咬色不允许喷点疏密程度均匀,不允许连片施工单位检查评定结果专业工长(施工员)施工班组长主控项目全部合格,一般项目满足规范,规定要求项目专业质量检查员:年月日监理(建设)单位验收结论专业监理工程师:(建设单位项目专业技术负责人):年月日A4外墙底漆报验申请表工程名称:编号:致:(监理单位)我单位已完成了(栋)外墙底漆涂刷工作,现报上该工程报验申请表,请予以审查和验收。附件:1、水性涂料涂饰工程检验批质量验收记录2、隐蔽工程验收记录承包单位(章):项目经理:日期:审查意见:项目监理机构专业监理工程师日期隐蔽工程验收记录单位(子单位)工程名称分部(子分部)工程名称外墙涂料分项工程名称栋外墙底漆涂刷施工单位项目经理分包单位分包项目经理施工执行标准名称及编号GB502010-2001验收部位32栋外墙底漆涂刷1.隐蔽工程内容:外墙基层腻子批刮打底外墙基层腻子批刮盖面外墙底漆涂刷2.隐蔽工程图示:3.验收结构:施工单位项目专业质量检查员:工程项目技术负责人:年月日监理建设单位专业监理工程师:(建设单位项目专业技术负责人):年月日水性涂料涂饰工程检验批质量验收记录表GB50210—2001030801□□单位(子单位)工程名称分部(子分部)工程名称外墙涂料验收部分32栋外墙底漆涂刷施工单位项目经理分包单位分包项目经理施工执行标准名称及编号GB50210-2001施工质量验收规范的规定施工单位检查评定记录监理(建设)单位验收记录主1材料质量第10.2.2条符合要求外墙基层腻子批刮打底外墙基层腻子批刮盖面外墙底漆涂刷控项目2涂饰颜色和图案第10.2.3条符合要求3涂饰综合质量第10.2.4条均匀、牢固、无透底、超皮4基层处理第10.2.5条符合规格要求一般项目1与其他材料和设计衔接处第10.2.9条吻合、清晰2薄涂料涂饰质量允许偏差颜色普通涂饰均匀一致高级涂饰均匀一致均匀一致泛碱、咬色普通涂饰允许少量轻微高级涂饰不允许无流坠、疙瘩普通涂饰允许少量轻微高级涂饰不允许无砂眼、刷文普通涂饰允许少量轻微砂眼、刷纹通顺高级涂饰无砂眼、无刷纹无装...

1、当您付费下载文档后,您只拥有了使用权限,并不意味着购买了版权,文档只能用于自身使用,不得用于其他商业用途(如 [转卖]进行直接盈利或[编辑后售卖]进行间接盈利)。
2、本站所有内容均由合作方或网友上传,本站不对文档的完整性、权威性及其观点立场正确性做任何保证或承诺!文档内容仅供研究参考,付费前请自行鉴别。
3、如文档内容存在违规,或者侵犯商业秘密、侵犯著作权等,请点击“违规举报”。

碎片内容

外墙面漆报验申请表

您可能关注的文档

确认删除?
VIP
微信客服
  • 扫码咨询
会员Q群
  • 会员专属群点击这里加入QQ群
客服邮箱
回到顶部