电脑桌面
添加小米粒文库到电脑桌面
安装后可以在桌面快捷访问

安全质量保证体系

安全质量保证体系_第1页
1/17
安全质量保证体系_第2页
2/17
安全质量保证体系_第3页
3/17
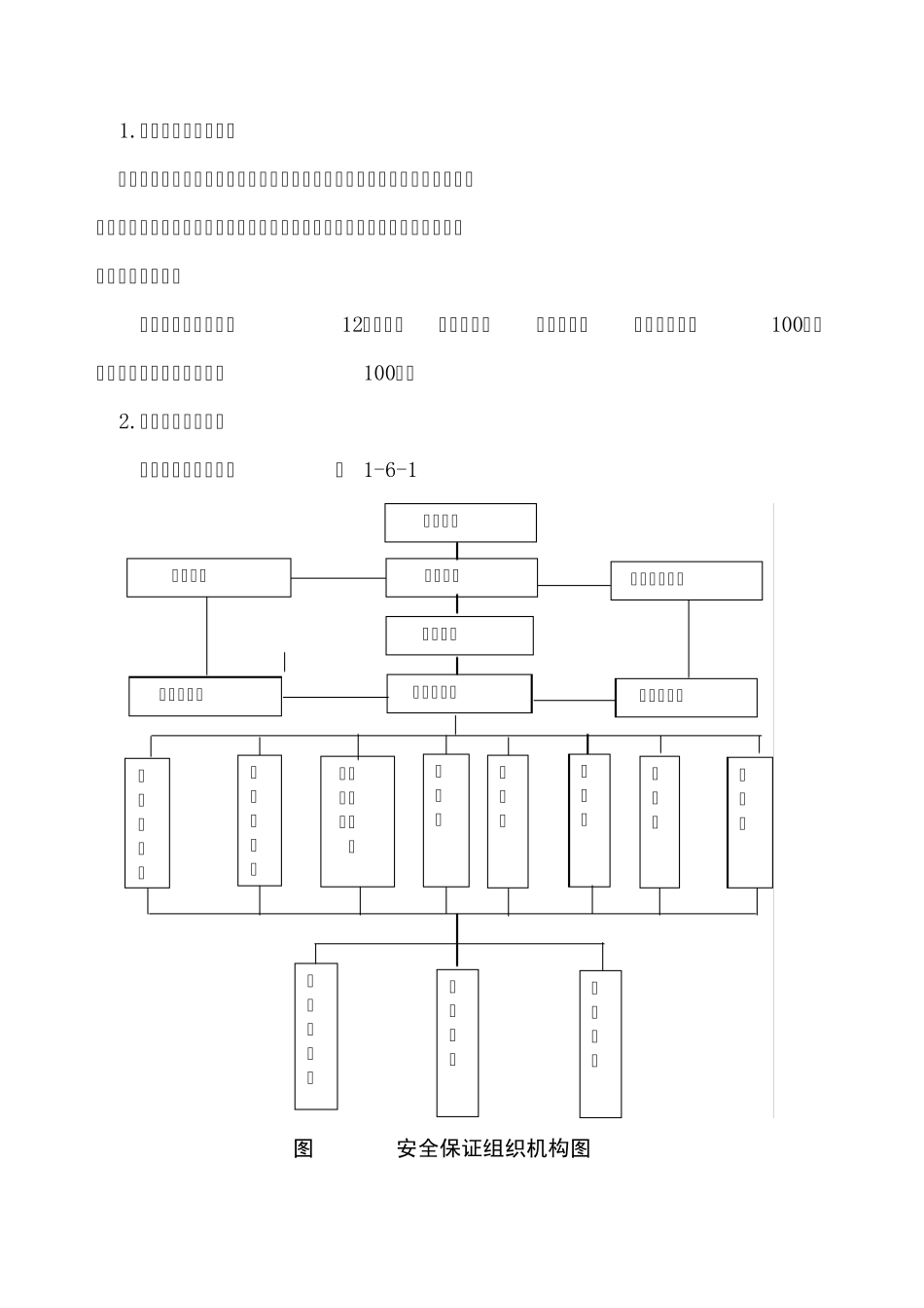
1.安全目标及安全承诺 做到无工程事故和重大设备、人身伤害事故,坚决实现五杜绝”,即杜绝施工死亡事故;杜绝多人伤亡事故;杜绝重大机械事故;杜绝重大交通事故;杜绝重大火灾事故。 工伤事故频率控制在12%以下;机电设备、电器设备、机电检查率达100%;特种作业人员持证上岗率达100%。 2.安全保证组织机构 安全保证组织机构如图 1-6-1 图1-6-1 安全保证组织机构图 主管部门 施工单位 安检机构 库区石化公司 项目经理 安全管理部 监理工程师 专职安全员 安全教育科 突发事故处理组 保卫消防组 计划科 工程科 设备科 质检科 物资科 基础施工队 桥梁一队 桥梁二队 3 安全保证体系 安全保证体系见附图1-6-2. 图1-6-2 安全保证体系 目标:杜绝死亡、重伤事故,重大交通、重大火灾事故。工伤事故率1 2 ‰以下 国家监督 行政管理 民主管理 安全管理 安全行为 安全制度 施工安全管理 施工环境 宏观指导、控制、教育 项目全体人员 机械设备 公 司 项目部 作业工区 作业班组 管理层次 制定制度、监督教育 教育、贯彻、执行、控自我控制、措施落实 管理手段 规范活动 安全标准作业 职业道德 各种岗位责任 包保责任制 文明施工 各种形式竞赛 各种制度责任兑检查、评比、总结 班组建议 安全预防措施 典型事例 工人上岗前教育 安全、方针、政策 法制纪律 安全技术措施 安全知识 规章制度 规范教育 奖罚教育 安全基础工作 安全施工 4 安全职责 A.项目经理安全职责 ⑴认真执行国家、地方政府颁发的安全技术劳动保护的法令、法规、规章制度; ⑵及时布置季节性的安全和劳动保护工作,并进行形式多样的安全大检查,及时解决安全隐患; ⑶组织有关生产单位、部门进行安全教育学习并定期考核; ⑷组织项目部开展安全生产竞赛,发布安全生产奖惩办法; ⑸安全事故按三不放过”的原则处理,主持重伤以上事故、多人受重伤事故和应由经理负责办理的机电、交通、行车、火灾等事故的调查分析、处理、上报,提出今后预防措施,并督促实施; ⑹督促有关部门及时发放安全防护用品,并使职工正确使用。 B.副经理安全职责 ⑴贯彻执行国家的安全生产方针、政策、法规和上级指示,制定各种安全生产岗位责任制,并检查、督促、执行落实; ⑵定期召开安全例会,分析安全情况,对存在的问题采取措施处理,并组织实施; ⑶工程开工前,组织制定安全措施,对重点工程、关键部位和采用新技...

1、当您付费下载文档后,您只拥有了使用权限,并不意味着购买了版权,文档只能用于自身使用,不得用于其他商业用途(如 [转卖]进行直接盈利或[编辑后售卖]进行间接盈利)。
2、本站所有内容均由合作方或网友上传,本站不对文档的完整性、权威性及其观点立场正确性做任何保证或承诺!文档内容仅供研究参考,付费前请自行鉴别。
3、如文档内容存在违规,或者侵犯商业秘密、侵犯著作权等,请点击“违规举报”。

碎片内容

安全质量保证体系

小辰5+ 关注
实名认证
内容提供者

出售各种资料和文档

确认删除?
VIP
微信客服
  • 扫码咨询
会员Q群
  • 会员专属群点击这里加入QQ群
客服邮箱
回到顶部