电脑桌面
添加小米粒文库到电脑桌面
安装后可以在桌面快捷访问

安全质量标准化考评检查表

安全质量标准化考评检查表_第1页
1/48
安全质量标准化考评检查表_第2页
2/48
安全质量标准化考评检查表_第3页
3/48
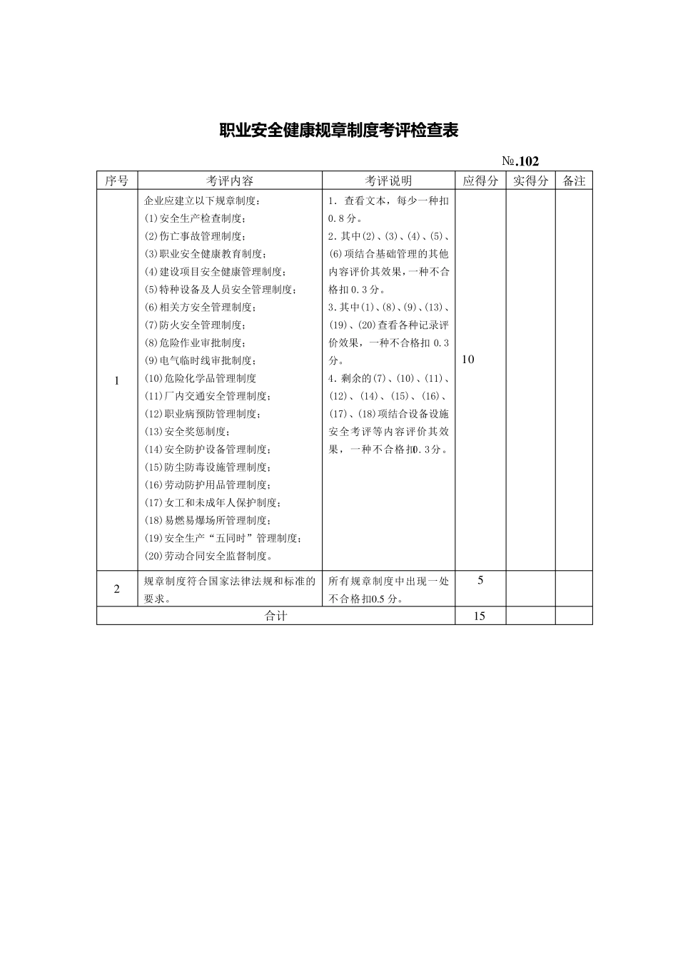
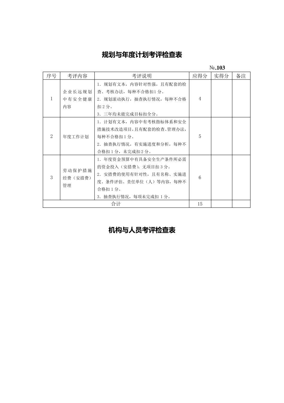
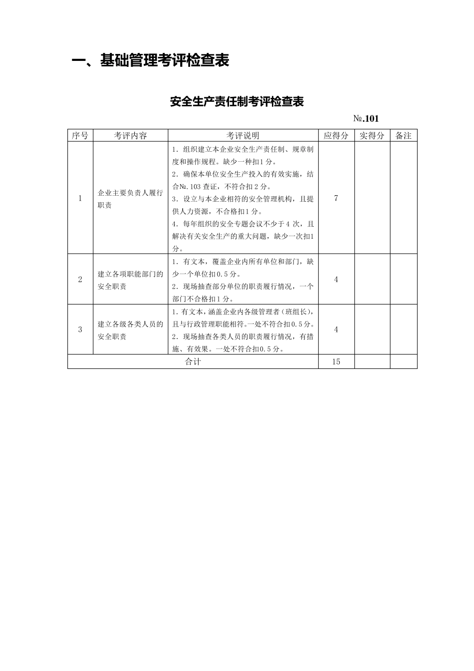
一 、基础管理考评检查表 安全生产责任制考评检查表 №.1 0 1 序号 考评内容 考评说明 应得分 实得分 备注 1 企业主要负责人履行职责 1.组织建立本企业安全生产责任制、规章制度和操作规程。缺少一种扣1 分。 2.确保本单位安全生产投入的有效实施,结合№.103 查证,不符合扣 2 分。 3.设立与本企业相符的安全管理机构,且提供人力资源,不合格扣1 分。 4.每年组织的安全专题会议不少于 4 次,且解决有关安全生产的重大问题,缺少一次扣1分。 7 2 建立各项职能部门的安全职责 1.有文本,覆盖企业内所有单位和部门,缺少一个单位扣 0.5 分。 2.现场抽查部分单位的职责履行情况,一个部门不合格扣 1 分。 4 3 建立各级各类人员的安全职责 1.有文本,涵盖企业内各级管理者(班组长),且与行政管理职能相符。一处不符合扣 0.5 分。 2.现场抽查各类人员的职责履行情况,有措施、有效果。一处不符合扣0.5 分。 4 合计 15 职 业安全健康规章制度考评检查表 №.1 0 2 序号 考评内容 考评说明 应得分 实得分 备注 1 企业应建立以下规章制度: (1)安全生产检查制度; (2)伤亡事故管理制度; (3)职业安全健康教育制度; (4)建设项目安全健康管理制度; (5)特种设备及人员安全管理制度; (6)相关方安全管理制度; (7)防火安全管理制度; (8)危险作业审批制度; (9)电气临时线审批制度; (10)危险化学品管理制度 (11)厂内交通安全管理制度; (12)职业病预防管理制度; (13)安全奖惩制度; (14)安全防护设备管理制度; (15)防尘防毒设施管理制度; (16)劳动防护用品管理制度; (17)女工和未成年人保护制度; (18)易燃易爆场所管理制度; (19)安全生产“五同时”管理制度; (20)劳动合同安全监督制度。 1.查看文本,每少一种扣0.8 分。 2.其中(2)、(3)、(4)、(5)、(6)项结合基础管理的其他内容评价其效果,一种不合格扣 0.3 分。 3.其中(1)、(8)、(9)、(13)、(19)、(20)查看各种记录评价效果,一种不合格扣 0.3分。 4.剩余的(7)、(10)、(11)、(12)、(14)、(15)、(16)、(17)、(18)项结合设备设施安全考评等内容评价其效果,一种不合格扣0.3分。 1 0 2 规章制度符合国家法律法规和标准的要求。 所有规章制度中出现一处不合格扣0 .5 分。 5 合计 1 5 规 划 与年度计划 考评检查表 №.1 0 3 序号 考评内容 考评说明 应得分 实得分 备注 ...

1、当您付费下载文档后,您只拥有了使用权限,并不意味着购买了版权,文档只能用于自身使用,不得用于其他商业用途(如 [转卖]进行直接盈利或[编辑后售卖]进行间接盈利)。
2、本站所有内容均由合作方或网友上传,本站不对文档的完整性、权威性及其观点立场正确性做任何保证或承诺!文档内容仅供研究参考,付费前请自行鉴别。
3、如文档内容存在违规,或者侵犯商业秘密、侵犯著作权等,请点击“违规举报”。

碎片内容

安全质量标准化考评检查表

小辰3+ 关注
实名认证
内容提供者

出售各种资料和文档

确认删除?
VIP
微信客服
  • 扫码咨询
会员Q群
  • 会员专属群点击这里加入QQ群
客服邮箱
回到顶部