电脑桌面
添加小米粒文库到电脑桌面
安装后可以在桌面快捷访问

安装质量保证措施VIP专享

安装质量保证措施_第1页
1/13
安装质量保证措施_第2页
2/13
安装质量保证措施_第3页
3/13
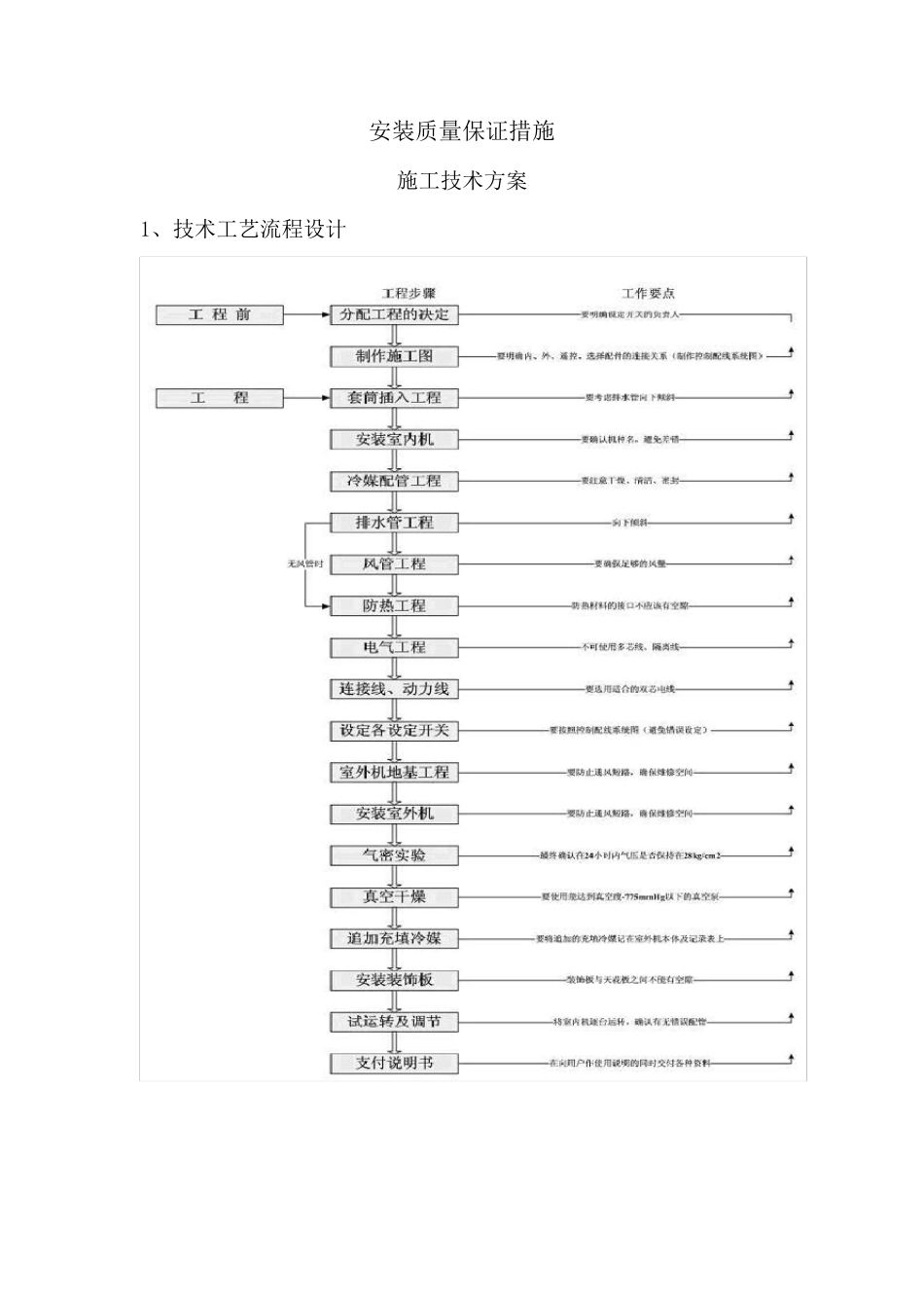
安装质量保证措施 施工技术方案 1、技术工艺流程设计 2、 设 备 安 装 方 式 室 外 机 : 室 外 机 安 装 前 做 好 室 外 机 的 混 凝 土 地 基 基 础 , 设 计 室 外 机 固 定 支 架 。 室 内 机 : 采 用 丝 杆 吊 装 , 室 内 机 与 铜 管 连 接 采 用 喇 叭 口 连 接 , 凝 结 水 管 采 用 20mmU-PVC 连 接 。 冷 媒 管 : 采 用 磷 酸 脱 氧 无 缝 铜 管 , 橡 塑 海 棉 保 温 材 料 进 行 保 温 , 厚 度 按 照 技 术 规 范 要 求 。 冷 凝 水 管 : 采 用 U-PVC 管 材 , 20mm 橡 塑 海 棉 保 温 材 料 进 行 保 温 。 镀 锌 钢 板 风 管 : 采 用 镀 锌 钢 板 进 行 现 场 制 作 , 25mm 橡 塑 保 温 材 料 进 行 保 温 。 3、 制 作 、 安 装 方 法 及 说 明 1、 室 外 机 的 拆 封 与 安 放 设 备 进 场 后 , 会 同 甲 方 监 理 进 行 开 箱 并 作 好 开 箱 记 录 , 设 备 现 场 搬 运 吊 装 时 , 根 据 现 场的 具 体 情 况 编 写 交 底 书 或 施 工 方 案 , 设 备 安 装 前 应 根 据 图 纸 设 计 , 对 设 备 的 基 础 坐 标 、 标 高进 行 测 量 确 认 。 室 外 机 安 放 场 所须坚固 , 以防产生震动和噪音, 空调机 用 底 脚栓固 定 在机 座上, 每台模块空调机 使用 4 套M12 型的 底 脚螺栓、 螺帽和垫圈, 螺栓旋入20mm, 固 定 螺栓纵横水 平偏差不得大于1‰。 机 座底 面至少高 出地 面150mm, 同 时 机 座与 空调机 之间须垫入厚 度 不小于10mm 的 橡 胶垫。 室 外 机 运 转时 , 有时 会 排出水 来, 要 在空调机 周围预先留出排水 管 的 通道。 2、 室 内 机 的 安 装 室 内 机 安 装 时 , 吊 架 安 装 平整牢固 , 位置正确 , 吊 杆 不能自由摆动。 安 装 送、 回风 口 时在保 证良好 气流组织的 同 时 要 兼顾装 饰效果, 使风 口 尺寸、 位置统一。 室 内 机 安 装 完毕后 ,将及 时 告知装 饰公司预留出检修孔, 以便调试、 维护。 3、 制 冷 剂配管 (含泄露测 试、 真空干燥、 ...

1、当您付费下载文档后,您只拥有了使用权限,并不意味着购买了版权,文档只能用于自身使用,不得用于其他商业用途(如 [转卖]进行直接盈利或[编辑后售卖]进行间接盈利)。
2、本站所有内容均由合作方或网友上传,本站不对文档的完整性、权威性及其观点立场正确性做任何保证或承诺!文档内容仅供研究参考,付费前请自行鉴别。
3、如文档内容存在违规,或者侵犯商业秘密、侵犯著作权等,请点击“违规举报”。

碎片内容

安装质量保证措施

确认删除?
VIP
微信客服
  • 扫码咨询
会员Q群
  • 会员专属群点击这里加入QQ群
客服邮箱
回到顶部