电脑桌面
添加小米粒文库到电脑桌面
安装后可以在桌面快捷访问

实验一直流他励电动机机械特性

实验一直流他励电动机机械特性_第1页
1/7
实验一直流他励电动机机械特性_第2页
2/7
实验一直流他励电动机机械特性_第3页
3/7
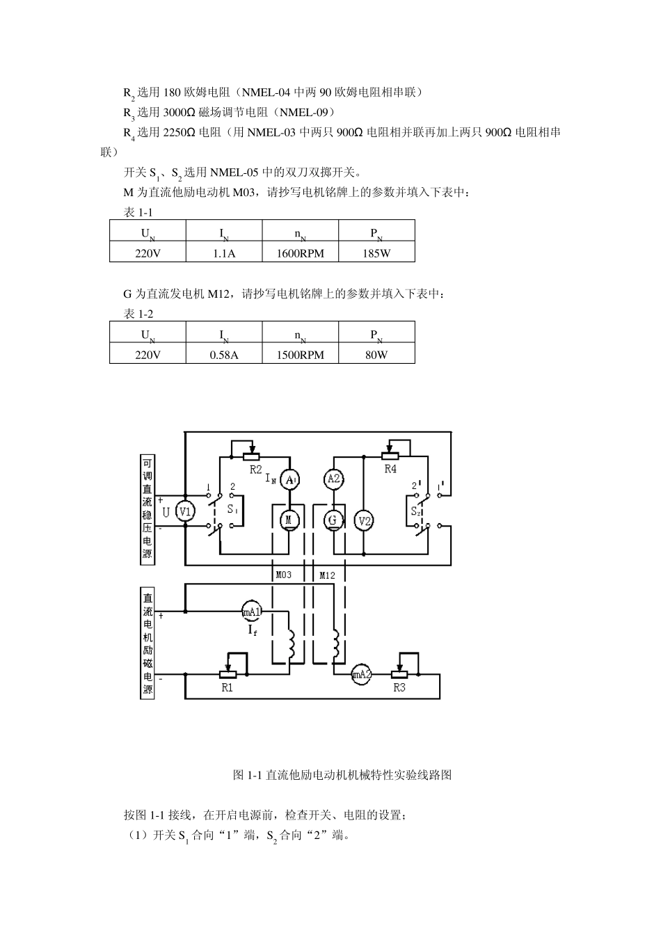
实验一 直流他励电动机机械特性 一.实验目的 了解直流电动机的各种运转状态时的机械特性 二.预习要点 1.改变他励直流电动机械特性有哪些方法? 2.他励直流电动机在什么情况下,从电动机运行状态进入回馈制动状态?他励直流电动机回馈制动时,能量传递关系,电动势平衡方程式及机械特性又是什么情况? 3.他励直流电动机反接制动时,能量传递关系,电动势平衡方程式及机械特性。 三.实验项目 1.直流他励电动机机械特性。 2.回馈制动特性 3. 自由停车及能耗制动。 4.反接制动。 四.实验设备及仪器 1.NMEL 系列电机系统教学实验台主控制屏。 2.电机导轨及转速表(MMEL-13) 3.三相可调电阻900Ω (NMEL-03) 4.三相可调电阻90Ω (NMEL-04) 5.波形测试及开关板(NMEL-05B) 6、直流电压、电流、毫安表(NMEL-06) 7.电机起动箱(NMEL-09) 五.实验方法及步骤 1.直流他励电动机机械特性及回馈制动特性 接线图如图 1-1 图中直流电压表V1 为 220V 可调直流稳压电源(电枢电源)自带,V2 为 MEL-06 上直流电压表,量程为 300V; 直流电流表mA1、A1 分别为直流励磁及220V 可调直流稳压电源自带毫安表、安培表; mA2、A2 分别选用量程为 200mA、5A 的毫安表、安培表(NMEL-06) R1 选用 1800Ω 欧姆电阻(NMEL-03 两只 900Ω 电阻相串联) R2 选用180 欧姆电阻(NMEL-04 中两90 欧姆电阻相串联) R3 选用3000Ω 磁场调节电阻(NMEL-09) R4 选用2250Ω 电阻(用NMEL-03 中两只900Ω 电阻相并联再加上两只900Ω 电阻相串联) 开关S1、S2 选用NMEL-05 中的双刀双掷开关。 M 为直流他励电动机M03,请抄写电机铭牌上的参数并填入下表中: 表1-1 UN IN nN PN 220V 1.1A 1600RPM 185W G 为直流发电机M12,请抄写电机铭牌上的参数并填入下表中: 表1-2 UN IN nN PN 220V 0.58A 1500RPM 80W 图1-1 直流他励电动机机械特性实验线路图 按图1-1 接线,在开启电源前,检查开关、电阻的设置; (1)开关S1 合向“1”端,S2 合向“2”端。 (2)电阻R1 至最小值,R2、R3、R4 阻值最大位置。 (3)直流励磁电源船形开关和220V 可调直流稳压电源船形开关须在断开位置。 实验步骤。 a.按次序先按下绿色“闭合”电源开关、再合励磁电源船型开关和220V 电源船形开关,使直流电动机 M 起动运转,调节直流可调电源,使 V1 读数为 UN=220 伏,...

1、当您付费下载文档后,您只拥有了使用权限,并不意味着购买了版权,文档只能用于自身使用,不得用于其他商业用途(如 [转卖]进行直接盈利或[编辑后售卖]进行间接盈利)。
2、本站所有内容均由合作方或网友上传,本站不对文档的完整性、权威性及其观点立场正确性做任何保证或承诺!文档内容仅供研究参考,付费前请自行鉴别。
3、如文档内容存在违规,或者侵犯商业秘密、侵犯著作权等,请点击“违规举报”。

碎片内容

实验一直流他励电动机机械特性

小辰8+ 关注
实名认证
内容提供者

出售各种资料和文档

确认删除?
VIP
微信客服
  • 扫码咨询
会员Q群
  • 会员专属群点击这里加入QQ群
客服邮箱
回到顶部