电脑桌面
添加小米粒文库到电脑桌面
安装后可以在桌面快捷访问

密级配沥青稳定碎石ATB25试验段总结报告

密级配沥青稳定碎石ATB25试验段总结报告_第1页
1/15
密级配沥青稳定碎石ATB25试验段总结报告_第2页
2/15
密级配沥青稳定碎石ATB25试验段总结报告_第3页
3/15
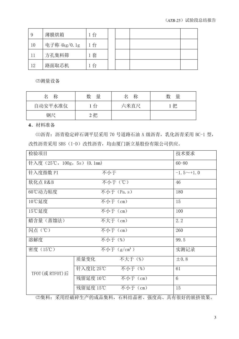
(ATB-25)试验段总结报告 1 密级配沥青稳定碎石(ATB-25)试验段总结报告 我部于2017 年9 月6 日在K6+660~K6+860 段右幅机动道路面进行了密级配沥青稳定碎石沥青砼调平层(ATB-25)试验段的施工,进行了各项指标的检测。通过试验段的现场摊铺和试验检测,我项目部确定了密级配沥青稳定碎石沥青砼调平层科学合理的施工工艺、最佳施工机械的类型、数量及组合方式、人员配置等方案,现总结如下: 一、试验段施工依据 1、《公路沥青路面施工技术规范》(JTG F40—2004) 2、《公路工程沥青及沥青混合料试验规程》(JTG E20—2011) 3、《公路工程集料试验规程》(JTG E42-2005 ) 4、《公路工程质量检验评定标准》(JTG F80/1-2004 ) 5、施工设计图 二、试验段概况 试验路段选在K6+660~K6+860段右幅机动车道,全长 200m,距离沥青砼拌合站 18km。沥青调平层层设计为密级配沥青稳定碎石沥青砼(ATB-25),宽度 11.75m,采用集中厂拌,机械摊铺。由 K6+660~K6+860 施工;在9 月6 日9:00-12:30 完成右幅调平层摊铺,当日天气为多云,气温 23℃~31℃。 三、施工准备工作 1 、试验段主要施工人员 ⑴管理人员 现场总指挥: 现场技术负责人: 现场负责人: 试验负责人: 测量负责人: 安全及环保负责人: 现场机械负责人: ⑵机械操作手及劳务人员 机械操作手:拌和站操作手 5 人,装载机操作手 5 人,车辆驾驶员20 人,摊铺机操 (ATB-25)试验段总结报告 2 作手3 人,压路机操作手4 人,洒油车3 人,水车1 人共40 人。 劳务人员:拌和站辅助工人5 人、摊铺辅助工人10 人、测量放样4 人、交通管制2 人,共21 人。 2 、主要机械设备 序号 名 称 单 位 型 号、规格 数 量 状况 1 沥青拌和站 套 HB3000 1 良好 2 沥青摊铺机 台 福格勒1800-2 2 良好 3 双钢轮压路机 台 CC522、CC622 2 良好 4 沥青洒布车 台 5000L 1 良好 5 封层车 台 1 良好 6 胶轮压路机 台 XP261 1 良好 7 小型压路机 台 BOMAG 1 良好 8 洒水车 台 东风 1 良好 9 吹风机 台 4 良好 10 混合料运输车 辆 载重>15T 20 良好 3 、主要测量、试验仪器设备 ⑴试验设备 序号 仪器名称 数量 序号 仪器名称 数量 1 马歇尔击实仪 1 台 13 平整度仪 1 台 2 抽提仪 1 台 14 摆式仪 1 台 3 烘箱 1 个 15 构造深度仪 1 台 4...

1、当您付费下载文档后,您只拥有了使用权限,并不意味着购买了版权,文档只能用于自身使用,不得用于其他商业用途(如 [转卖]进行直接盈利或[编辑后售卖]进行间接盈利)。
2、本站所有内容均由合作方或网友上传,本站不对文档的完整性、权威性及其观点立场正确性做任何保证或承诺!文档内容仅供研究参考,付费前请自行鉴别。
3、如文档内容存在违规,或者侵犯商业秘密、侵犯著作权等,请点击“违规举报”。

碎片内容

密级配沥青稳定碎石ATB25试验段总结报告

您可能关注的文档

小辰2+ 关注
实名认证
内容提供者

出售各种资料和文档

确认删除?
VIP
微信客服
  • 扫码咨询
会员Q群
  • 会员专属群点击这里加入QQ群
客服邮箱
回到顶部