电脑桌面
添加小米粒文库到电脑桌面
安装后可以在桌面快捷访问

110kV江苏省电力行业技师考评技能操作试卷

110kV江苏省电力行业技师考评技能操作试卷_第1页
1/15
110kV江苏省电力行业技师考评技能操作试卷_第2页
2/15
110kV江苏省电力行业技师考评技能操作试卷_第3页
3/15
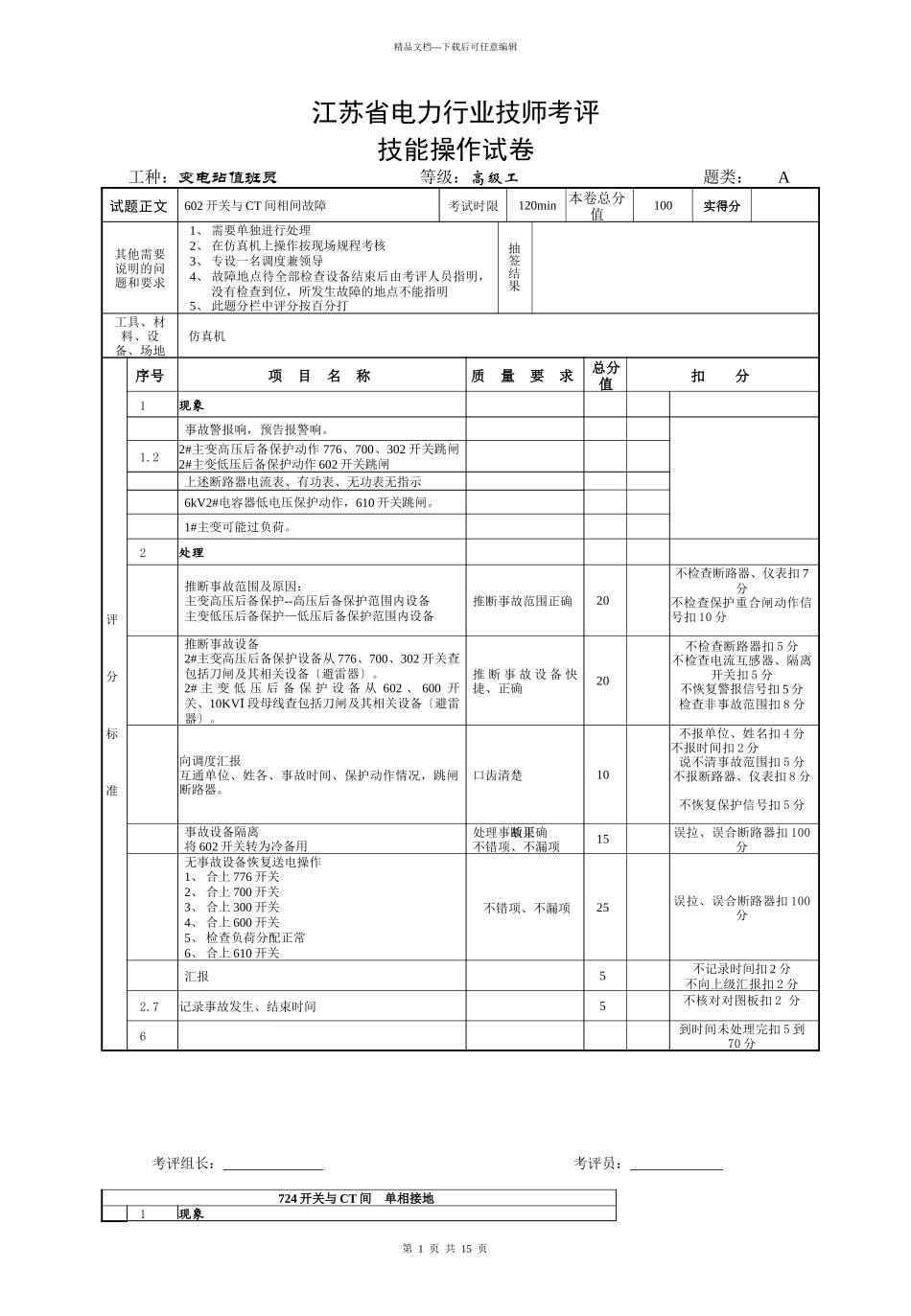
精品文档---下载后可任意编辑江苏省电力行业技师考评技能操作试卷工种:变电站值班员 等级:高级工 题类: A 试题正文602 开关与 CT 间相间故障考试时限120min本卷总分值100实得分其他需要说明的问题和要求1、 需要单独进行处理2、 在仿真机上操作按现场规程考核3、 专设一名调度兼领导4、 故障地点待全部检查设备结束后由考评人员指明,没有检查到位,所发生故障的地点不能指明5、 此题分栏中评分按百分打抽签结果工具、材料、设备、场地仿真机评分标准序号项 目 名 称质 量 要 求总分值扣 分1现象事故警报响,预告报警响。1.22#主变高压后备保护动作 776、700、302 开关跳闸2#主变低压后备保护动作 602 开关跳闸上述断路器电流表、有功表、无功表无指示6kV2#电容器低电压保护动作,610 开关跳闸。1#主变可能过负荷。2处理推断事故范围及原因:主变高压后备保护--高压后备保护范围内设备主变低压后备保护—低压后备保护范围内设备推断事故范围正确20不检查断路器、仪表扣 7分不检查保护重合闸动作信号扣 10 分推断事故设备2#主变高压后备保护设备从 776、700、302 开关查包括刀闸及其相关设备〔避雷器〕。2# 主 变 低 压 后 备 保 护 设 备 从 602 、 600 开关、10KVⅠ 段母线查包括刀闸及其相关设备〔避雷器〕。推 断 事 故 设 备 快捷、正确20不检查断路器扣 5 分不检查电流互感器、隔离开关扣 5 分不恢复警报信号扣 5 分检查非事故范围扣 8 分向调度汇报互通单位、姓各、事故时间、保护动作情况,跳闸断路器。口齿清楚10不报单位、姓名扣 4 分不报时间扣 2 分说不清事故范围扣 5 分不报断路器、仪表扣 8 分不恢复保护信号扣 5 分事故设备隔离将 602 开关转为冷备用处理事故果断正确不错项、不漏项15误拉、误合断路器扣 100分无事故设备恢复送电操作1、 合上 776 开关2、 合上 700 开关3、 合上 300 开关4、 合上 600 开关5、 检查负荷分配正常6、 合上 610 开关不错项、不漏项25误拉、误合断路器扣 100分汇报5不记录时间扣 2 分不向上级汇报扣 2 分2.7记录事故发生、结束时间5不核对对图板扣 2 分6到时间未处理完扣 5 到70 分考评组长: 考评员: 724 开关与 CT 间 单相接地1现象第 1 页 共 15 页精品文档---下载后可任意编辑事故警报响,预告报警响。1.21#主变差动保护动作 724、700〔内桥〕、301、601 开关跳闸上述断路器...

1、当您付费下载文档后,您只拥有了使用权限,并不意味着购买了版权,文档只能用于自身使用,不得用于其他商业用途(如 [转卖]进行直接盈利或[编辑后售卖]进行间接盈利)。
2、本站所有内容均由合作方或网友上传,本站不对文档的完整性、权威性及其观点立场正确性做任何保证或承诺!文档内容仅供研究参考,付费前请自行鉴别。
3、如文档内容存在违规,或者侵犯商业秘密、侵犯著作权等,请点击“违规举报”。

碎片内容

110kV江苏省电力行业技师考评技能操作试卷

确认删除?
VIP
微信客服
  • 扫码咨询
会员Q群
  • 会员专属群点击这里加入QQ群
客服邮箱
回到顶部